Портал для радиолюбителей
   Программатор для микроконтроллеров AT89C51/52/55
    Главная -> Статьи -> Программаторы для микроконтроллеров -> Программатор для микроконтроллеров AT89C51/52/55


<< Назад в раздел   Распечатать Дата добавления: 2007-10-24 | Просмотров: 17746

Программатор подключается к последовательному порту компьютера. При управлении программатором используются только стандартные функции Windows API, поэтому программа должна работать под всеми версиями Windows. Я проверял под Windows 98. Если у вас что-то не работает, то пишите, буду дорабатывать.
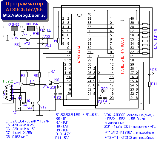
     Основу программатора составляет микроконтроллер AT90S4414. Почему такой дорогой, спросите Вы? Да, можно было использовать контроллер AT89C51. Но если вы только еще собрались делать программатор, т.е. у вас его нет, то чем вы прошьете контроллер для программатора? AT90S4414 дороже, но имеет возможность программирования по последовательной шине SPI. Программатор для такой шины состоит из 3-х резисторов, 3-х конденсаторов и кварца и подключается к параллельному порту. Я использовал программатор SP12 c сайта http://www.xs4all.nl/~sbolt/e-spider_prog.html. Там вы сможете найти схему подключения к порту LPT и программное обеспечение под различные операционные системы: DOS/WINDOWS, LINUX и даже WINDOWS 2000! Кстати, там вы сможете найти программатор и для контроллеров, совместимых с семейством MSC-51 и имеющих интерфейс SPI: AT89S8252, AT89S53.
      Для более дешевого варианта преобразователь уровней COM-порта в ТТЛ и обратно выполнен на дискретных элементах, хотя можно было использовать готовые микросхемы типа DS275, MAX232, но их нужно сначала найти и купить. А два транзистора и пяток резисторов с конденсатором можно найти всегда. Правда, такой вариант имеет недостаток: уровень логического "0", передаваемого контроллером, будет не +12 в, а всего +5 в.  Но стандарт последовательного порта предполагает уровень логического "0" +3...+12В, так что +5 соответствует стандарту. Эту схему преобразователя я придумал не сам, а нашел на сайте ATMEL www.atmel.com. Там эта схема используется в программаторе для микроконтроллеров семейства AVR. Там же сообщается о том, что старые платы ввода-вывода могут не работать при таком малом уровне напряжения.
    Ниже вы можете скачать прошивку для контроллера AT90S4414 в форматах ROM и HEX (SP12 понимает оба этих формата), управляющую программу, иструкцию по сборке и проверке программатора. Управляющая программа имеет подробный Help.

ОПИСАНИЕ

ФОРМАТ

РАЗМЕР

 
Прошивка для контроллера AT90S4414(ROM и НЕХ)

RAR архив

5505 байт

скачать

Управляющая программа Prog51(Windows)

RAR архив

217 Кбайт

скачать программу Prog51

Краткая инструкция по сборке

TXT

3 Кбайт

скачать

Схема программатора

GIF

15 Кбайт

просмотр

Печатная плата

GIF

16 Кбайт

просмотр

    Также вы можете скачать описания микроконтроллеров AT89C51/52/55 и AT89S53 на английском языке. Описаны только отличия данных микроконтроллеров от стандартного образца 87C51.

Описание

Формат

Размер

 

AT89C51

PDF

268 Кбайт

скачать

AT89C52

PDF

364 Кбайт

скачать

AT89C55

PDF

744 Кбайт

скачать

AT89S53

PDF

483 Кбайт

скачать

    Если вы хотите полее подробно ознакомится с микроконтроллерами фирмы Atmel и имеете кое-какие познания в аглийском языке, то можете сходит на официальный сайт фирмы Atmel . Также имеется российский сайт поддержки Atmel. Правда там микроконтроллеры семейства MSC-51(AT89C51 и др.) не уважают, в основном пишут об семействе AVR (AT90S4414 из этих), но в разделе "вопрос-ответ" есть ссылки на MSC-51.

Автор проекта: Александр Фомин (E-mail: fomalex@mail.ru)


Добавил:  Павел (Admin)  
Автор:  Александр Фомин (E-mail: fomalex@mail.ru) 

Вас может заинтересовать:

  1. Простой программатор для микроконтроллера PIC16F84, PIC16F84A
  2. Программатор для микроконтроллеров AT89C51/52/55
  3. Как сделать простой программатор для PIC-ов и AVR-ов
  4. Простой программатор для AT89C2051
  5. Простейший программатор для PIC16F84A


    © PavKo, 2007-2018   Обратная связь   Ссылки views: 6850 -- users: 6641 -- web3   Яндекс.Метрика