Портал для радиолюбителей
   Простой программатор для AT89C2051
    Главная -> Статьи -> Программаторы для микроконтроллеров -> Простой программатор для AT89C2051


<< Назад в раздел   Распечатать Дата добавления: 2007-11-12 | Просмотров: 14112

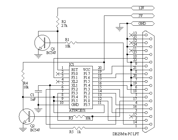
Устройство содержит всего 2 транзистора и 5 резисторов и позволяет только записывать без чтения и верификации.

Схема устройства

Программное обеспечение для программатора (bi2051.zip - 5 кб)


Добавил:  Павел (Admin)  
Автор:  Неизвестно 

Вас может заинтересовать:

  1. Простейший программатор для PIC16F84A
  2. Программирование PIC процессора 16F84
  3. Простой программатор для AT89C2051
  4. Простой программатор для микроконтроллера PIC16F84, PIC16F84A
  5. USBasp - USB программатор для микроконтроллеров Atmel AVR


    © PavKo, 2007-2018   Обратная связь   Ссылки views: 11834 -- users: 9352 -- web3   Яндекс.Метрика