Портал для радиолюбителей
   Охранное устройство с оповещением по телефонной линии
    Главная -> Статьи -> Устройства на микроконтроллерах -> Охранное устройство с оповещением по телефонной линии


<< Назад в раздел   Распечатать Дата добавления: 2007-10-25 | Просмотров: 11665

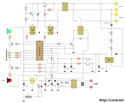
Устройство предназначено для охраны помещения ( магазин , квартира ) с применением  датчика движения  и  датчика открывания двери ( нормально замкнутые контакты )  .
Если предусматривается применение нескольких датчиков их необходимо соединить последовательно .

Нажмите на рисунок для увеличения

Алгоритм работы.
Сразу после включения питания устройство начинает отсчет времени,( при этом  один светодиод мигает ) позволяя выйти из помещения  без поднятия тревоги . В течении 30 секунд звучит местный динамик, подавая короткие звуковые сигналы . Затем устройство дозванивается на запрограммированный номер телефона и определенным звуковым сигналом сообщает о том , что оно переходит в режим охраны . После этой процедуры начинается контроль датчиков.

Светодиодная индикация.
Один светодиод мигает ( указатель наличия сети 220 в ) , один горит постоянно .
Три светодиода одновременно светятся только  во время тревоги .
После отработки тревожных сообщений ( если датчики вернулись в нормальное состояние ) останутся мигающими 2 светодиода  указывая на то , что ранее происходило срабатывание .
Это состояние сохранится до первой переустановки на охрану ( выключение и включение устройства ).
Светодиоды устанавливаются вне охраняемой зоны  на дверной коробке снаружи .
При размыкании датчика открывания двери начнется отсчет времени , в течении которого охранник или  хозяин помещения  должен выключить устройство при помощи потайного выключателя .
Если этого не произойдет через минуту, включится  сирена  и начнется дозвон на запрограммированный номер ( или несколько номеров ) со звуком тревоги.
Если же зафиксируется движение внутри помещения ( датчик движения ),  тревога поднимется мгновенно ( подразумевается  ,что злоумышленник проник не через двери )  и начнется дозвон со звуком тревоги  .
В устройстве также предусмотрен режим ответа на входящий звонок . Ответ будет одного тона , если не было тревоги и другого , если было срабатывание датчика .
Эта функция полезна в том случае , если хозяин квартиры  находился некоторое  время вне зоны покрытия своего мобильного телефона  и не имел возможности принять тревожный звонок .
Проще говоря , семья находящаяся , например, на отдыхе всегда сможет по телефону узнать все ли у них в порядке дома.
Работой всего устройства управляет микроконтроллер 16F628A. В файле НЕХ  запрограммирован случайный номер телефона. По поводу прошивок для устройства  обращаться к автору.

Печатная плата Расположение элементов

Прошивка в HEX формате и разводка платы в формате lay

Со мной можно связаться по тел. 8-050-942-35-95  или по почте blaze@vizit-net.com
С уважением, Сергей ( г. Кременчуг).


Добавил:  Павел (Admin)  
Автор:  Сергей ( г. Кременчуг) тел. 8-050-942-35-95  почта blaze@vizit-net.com 

Вас может заинтересовать:

  1. Станция для монтажа и демонтажа BGA и других SMD радио компонентов
  2. Два микроконтроллерных регулятора мощности
  3. Частотомер на PIC контроллере PIC16F84 с LCD дисплеем
  4. Программирование МК AVR в ОС Ubuntu. Часть 2 (GUI)
  5. Программируемый термостабилизатор


    © PavKo, 2007-2018   Обратная связь   Ссылки views: 5500 -- users: 5354 -- web3   Яндекс.Метрика