Портал для радиолюбителей
   Терморегулятор на PIC
    Главная -> Статьи -> Устройства на микроконтроллерах -> Терморегулятор на PIC

евтан-энергия отзывы

<< Назад в раздел   Распечатать Дата добавления: 2007-10-26 | Просмотров: 19325

Терморегулятор собран из доступных  деталей. При разработке основным критерием , была хорошая повторяемость устройства. Собран  терморегулятор на микрочиповском контролер. Терморегулятор имеет два режима работы .Режим нагрева, и режим охлаждения. Режим нагрева включается , когда установленная температура включения имеет значение ниже чем выключения.  А режим охлаждения включается, когда значение температуры выключения меньше включения. Терморегулятор способен регулировать температуру от 0 и до 80 градусов с погрешностью 1 градус. Всё время индицируется текущая температура. В  качестве датчика используется цифровой датчик DS1820 включённый по двух или трёх проводной схеме.

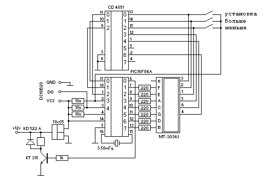
Схема терморегулятора на МК PIC

Управление осуществляется тремя клавишами «Установка», «Больше», «Меньше».
При удержании клавиши «Установка» в течении 1 сек. устройство входит в режим программирования значений температуры, и выводит надпись «SETUP». Далее клавишами «Больше»  или «Меньше»  выбирается режим программирования  включения или выключения соответственно. При индикации «SET On»  клавиши «Больше»,  «Меньше» устанавливают температуру включения. Выход из установки включения происходит при нажатии клавиши «Установка». При индикации «SETOFF» клавиши «Больше», «Меньше»  устанавливают температуру выключения.

Терморегулятор индицирует текущую температуру от -30 до +80 градусов Цельсия, с точностью 1 градус.

Документация (Datashit) на МК PIC16F84A

Прошивку HEX вы можете скачать здесь (2 кБайт) .

Пишите: 2428104 [собака] rambler.ru


Добавил:  Павел (Admin)  
Автор:  2428104 [собака] rambler.ru 

Вас может заинтересовать:

  1. Многоканальный дистанционный вольтметр
  2. Музыкальный звонок с возможностью замены мелодий без использования программатора
  3. Терморегулятор на PIC
  4. Беспроводной измеритель температуры и влажности
  5. Простой термометр для дома с двумя датчиками DS18B20


    © PavKo, 2007-2018   Обратная связь   Ссылки views: 4499 -- users: 4313 -- web3   Яндекс.Метрика