Портал для радиолюбителей
   Простой термометр для дома с двумя датчиками DS18B20
    Главная -> Статьи -> Устройства на микроконтроллерах -> Простой термометр для дома с двумя датчиками DS18B20


<< Назад в раздел   Распечатать Дата добавления: 2016-11-23 | Просмотров: 10146

Данный проект родился в процессе изучения мной принципов работы интерфейса 1-wire. Для измерения температуры в этом проекте используются широко распространенные датчики фирмы Dallas Semiconductor типа DS18B20. Устройство способно работать с одним или двумя датчиками. Предполагается использование термометра для домашних целей, где один датчик измеряет температуру в комнате, а второй измеряет температуру на улице. Индикация значений температуры осуществляется с помощью знакосинтезирующего ЖКИ дисплея на базе контроллера HD44780 или его аналогов.

При включении устройства на дисплее высвечивается заставка Start, которая появляется в виде бегущей строки, затем возможны следующие варианты:
1) еслиPустройство не обнаружит подключенных датчиков, появится сообщение NO SIG;
2) если устройство обнаруживает один датчик, то на дисплее появляется сообщение вида: TP=<знак температуры><целое значение температуры>,< десятые доли значения температуры>
3) если устройство обнаруживает два датчика, то на дисплее появляется сообщение вида: T<k или y>=<знак температуры><целое значение температуры>,< десятые доли значения температуры>, где k сигнализирует о том, что идет работа с датчиком в комнате , y- сигнализирует о том, что идет работа с датчиком на улице.
На видеороликах, прилагаемых к статье, показаны описанные выше ситуации.

Устройство автоматически определяет 64 разрядный код каждого датчика и различает их по первому несовпадению битов кода при последовательном сравнении, где бит 0 считается у датчика для комнаты, бит 1 считается у датчика для улицы. Таким образом, достаточно легко определить какой датчик, где должен использоваться при подключении к устройству двух датчиков и, например, искусственном подогревании одного из датчиков.

Датчики в устройстве работают в 12-битном режиме. Обновление показаний температуры происходит примерно раз 845 мс.

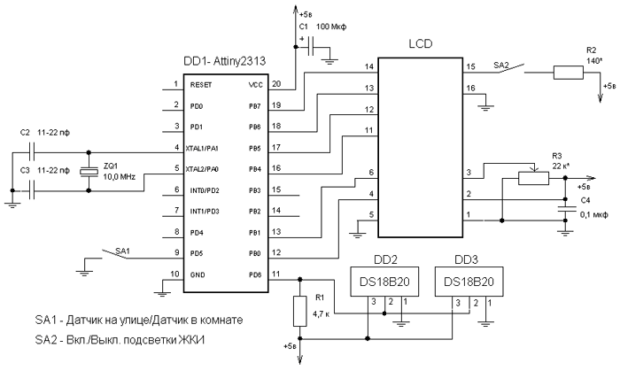
Схема термометра на МК

Переключатель SA1 предназначен для переключения датчиков, с которыми ведется информационный обмен.PЕсли переключатель разомкнут, то работа ведется с датчиком в комнате, если замкнут, то с датчиком на улице. При переключенииPдатчиков Pприсутствует инерционность (до 845 мс.), обусловленная проверкой состояния переключателя перед подачей команды измерения.
Переключатель SA2 служит для включения подсветки ЖКИ. Резистором R2 подбирается требуемая яркость. Резистором R3 регулируется контрастность дисплея.

В устройстве использован кварц на 10 МГц. Схема работоспособна, если микроконтроллер работает от внутреннего генератора 8 МГц. (При программировании фуз в обоих случаях не забываем установить CKDIV8 в лог. 1, т.е. отключить деление тактовой частоты на 8)
ЖКИ подойдет любой на контроллере HD44780 или его аналогах. В опытном образце автор использовал однострочный знакосинтезирующий ЖКИPразмера 8x1 (BC0801A). У дисплеев такого формата достаточно большой размер символов, что удобно для восприятия, но их количество не позволяет одновременно выводить информацию с двух датчиков. PПри использовании дисплеев других форматов необходимо учитывать то, что сообщения будут выводиться в первых 8 позициях верхней строки.

Термометр на макетной плате

Проект писался на языке C. Использовался компилятор WinAvr, вызываемый в среде Avr Studio 4.

Прошивка


Добавил:  Павел (Admin)  
Автор:  Неизвестно 

Вас может заинтересовать:

  1. Музыкальный звонок с возможностью замены мелодий без использования программатора
  2. Как связать микроконтроллер и компьютер по каналу RS-232
  3. Станция для монтажа и демонтажа BGA и других SMD радио компонентов
  4. USB программатор микроконтроллеров AVR и AT89S, совместимый с AVR910
  5. Электронная игра "Светодиодные наперстки"


    © PavKo, 2007-2018   Обратная связь   Ссылки views: 505 -- users: 491 -- web3   Яндекс.Метрика