Портал для радиолюбителей
   Музыкальный звонок на ИМС УМС8
    Главная -> Статьи -> Бытовая электроника -> Музыкальный звонок на ИМС УМС8


<< Назад в раздел   Распечатать Дата добавления: 2007-11-30 | Просмотров: 7810

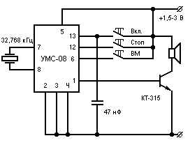
Музыкальный звонок - схема

Музыкальный звонок - плата


Музыкальный звонок - фото платы

Источник:msevm.com


Добавил:  Павел (Admin)  
Автор:  Неизвестно 

Вас может заинтересовать:

  1. Фото мигалка
  2. Сигнализатор протечки на базе радиозвонка
  3. Быстродействующий измеритель температуры
  4. Расчёт фотоэлектрической системы
  5. Трехфазный электронный счетчик электроэнергии Меркурий-230


    © PavKo, 2007-2018   Обратная связь   Ссылки views: 773 -- users: 740 -- web3   Яндекс.Метрика