Портал для радиолюбителей
   ChipCorder - устройство записи и воспроизведения речи.
    Главная -> Статьи -> Бытовая электроника -> ChipCorder - устройство записи и воспроизведения речи.


<< Назад в раздел   Распечатать Дата добавления: 2007-12-20 | Просмотров: 7308


Рис.1 Внешний вид ChipCordera

Устройство на основе микросхемы ISD1210S семейства ChipCorder компании Winbond Electronics предназначено для записи и высококачественного воспроизведения звуковых фрагментов до 10сек. Оно предназначено, в первую очередь, для "озвучивания" бытовой техники и игрушек, но могут быть использованы в промышленных автоматических схемах речевого оповещения. Представление о структуре микросхемы ChipCorder дает схема, приведенная на рис 2.


Рис.2

Внутри нее находятся микрофонный усилитель с системой АРУ, сглаживающий и помехоподавляющий фильтры, выходной УЗЧ и многоуровневый массив памяти. Каждая ячейка памяти способна принимать одно из 256 значений напряжения. Дополнительные аналого-цифровые или цифро-аналоговые преобразователи не требуются.

Устройство имеет однополярное питание +9в (или +5в, если не устанавливатть стабилизатор 78L05, например если питание подается с БП компьютера), автоматический переход в ждущий режим, 100 000 циклов записи и 100 лет хранения записанного сообщения. Габаритные размеры платы 60 х 40мм.

Для управления устройством выведены три кнопки PLAYE, PLAYL, REC. При однократном нажатии кнопки PLAYE происходит воспроизведение всего сообщения, нажатие кнопки PLAYL приводит к началу воспроизведения, отпускание - заканчивает его. Кнопка REC включение записи. Единовременно записывается, хранится и воспроизводится только одно сообщение. Каждое последующее записывается "поверх" старого.
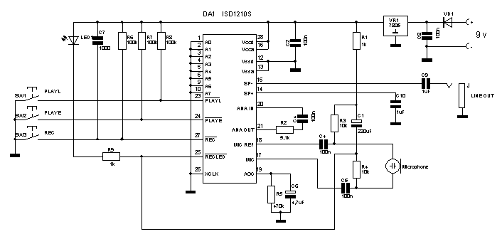
Принципиальная схема ChipCordera предсатавлена на рис.3

Рис.3 Принципиальная схема ChipCordera

Источник: www.evm.wallst.ru


Добавил:  Павел (Admin)  
Автор:  http://www.evm.wallst.ru/ 

Вас может заинтересовать:

  1. Металлоискатель с низкой рабочей частотой
  2. Подсветка для выключателя
  3. Имитатор звука сирены
  4. Микросхемы TC9148-9150 для дистанционного управления бытовой аппаратурой
  5. Цифровой дозатор рекламы


    © PavKo, 2007-2018   Обратная связь   Ссылки views: 1867 -- users: 1851 -- web3   Яндекс.Метрика