Портал для радиолюбителей
   Звуковое реле (конструкция 2)
    Главная -> Статьи -> Бытовая электроника -> Звуковое реле (конструкция 2)


<< Назад в раздел   Распечатать Дата добавления: 2007-12-02 | Просмотров: 8439

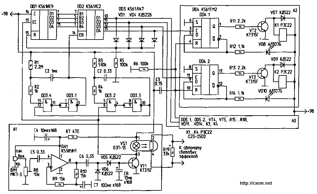
Предлагаемый выключатель, принципиальная схема которого приведена на рисунке, кроме своей основной функции - включение/выключение одной из четырех нагрузок (в зависимости от количества хлопков) - еще и управляет любым автоматом световых эффектов. В большинстве автоматов световых эффектов используется задающий генератор, частота которого регулируется переменным резистором. Поэтому либо скорость переключения ламп или гирлянд не совпадает с темпом музыки, либо приходится под каждую мелодию перенастраивать генератор вручную. Данный акустический выключатель позволяет переключать гирлянды в соответствии с темпом музыки. При отсутствии музыки или в паузах гирлянды переключаются с минимальной частотой, которая устанавливается путем подбора резистора R19.

Я использовал этот акустический выключатель в паре с автоматом световых эффектов на ППЗУ К556РТ4 [1], в одном корпусе, использовав реле 4-го канала для его включения (+5В - питание схемы, -220 В - питание гирлянд). Чувствительность выключателя регулируется подстроечным резистором R8, так чтобы он реагировал на музыку, но не переключал каналы коммутации нагрузок. Практика показывает, что кроме задействованного 4-го канала, достаточно использовать 2-й и 3-й каналы, а от использования 1-го канала следует воздержаться, так как при резких всплесках музыки возможно его срабатывание.

Рассмотрим работу выключателя. С микрофона ВМ1 через подстроечный резистор R8 сигнал поступает на вход усилителя-ограничителя на микросхеме К538УН1. После усиления сигнал детектируется диодами VD5, VD6 и поступает на базу транзистора VT1. В его коллекторную нагрузку включена резистор-ная оптопара ОЭП-13, которая и управляет генератором автомата световых эффектов. Таким образом, всплеском шумового спектра мелодии открывается транзистор VT1, и выходное сопротивление оптопары (контакты 2 и 4) уменьшается, что приводит к увеличению скорости переключения гирлянд. При этом транзистор VT1 открывается не полностью (степень открывания регулируется резистором R8, чтобы не сработал коммутатор нагрузок).

Схема акустического выключателя

При достаточно сильном хлопке VT1 открывается полностью, низким уровнем запускается первый ждущий мультивибратор на элементах DD3.2 и DD3.3, который работает как задержка на время t,определяемое элементами R3 и С2. При указанных на схеме номиналах R3 и С2 t=0,3 с. Задержка необходима для предотвращения ложного срабатывания десятичного счетчика DD1 (счета более одного импульса). Низкий уровень с коллектора VT1 одновременно проходит на вход счетчика DD1. Второй мультивибратор удлиняет входной импульс при R=2,2 МОм и С1=1 мкФ примерно на 4 с. Это время, в течение которого идет счет количества хлопков счетчиком DD1 и существует запрет на считывание информации с него микросхемой DD2.

Например, вы сделали три хлопка. Счетчик DD1 выдал на выходе D3 положительный уровень. По окончании 4 с на входе управления микросхемы DD2 устанавливается высокий уровень, что разрешает передачу логической "1" со входа ВЗ на выход D3. Этим уровнем триггер DD4.2 перекидывается в противоположное состояние. Ключ VT3 управляет реле К2, которое коммутирует нагрузку N2. Одновременно высокий уровень с выхода D3 микросхемы DD2 через диод VD3 обнуляет счетчик DD1. Светодиод VD10 сигнализирует о включении соответствующей нагрузки. Цепочка R6, СЗ устанавливает все триггеры в нулевое состояние при включении устройства.

Блок А1 можно использовать отдельно для управления только автоматом световых эффектов. Если в этом нет необходимости, то вместо оптопары VS1 в коллектор VT1 включается постоянный резистор сопротивлением 10 кОм.


Добавил:  Павел (Admin)  
Автор:  Неизвестно 

Вас может заинтересовать:

  1. Регулятор мощности для электроплитки
  2. Акустическое реле
  3. Мелодичный звонок на микросхеме УМС8
  4. Расчёт фотоэлектрической системы
  5. Схема питания низковольтных ламп дневного света


    © PavKo, 2007-2018   Обратная связь   Ссылки views: 66 -- users: 6 -- web3   Яндекс.Метрика