Портал для радиолюбителей
   Цифровой диктофон на одной микросхеме
    Главная -> Статьи -> Бытовая электроника -> Цифровой диктофон на одной микросхеме


<< Назад в раздел   Распечатать Дата добавления: 2008-01-16 | Просмотров: 7705

Наткнулся тут на весьма интересную серию микросхем, выпускаемую конторой под названием Winbond.

Серия называется ChipCorder - да да именно Corder, а не Coder - чья светлая голова придумала такое название мне неведомо. Сами девайсы представляют собой готовые устройства для записи и последующего воспроизведения звука. Для примера мы посмотрим на подсерию ISD1400. В ней две микросхемы - ISD1416 и ISD1420. Различаются они только одним - временем записи. Угадайте-ка где сколько? Угу, так точно - в одной 16 секунд, в другой 20. Все гениальное просто - это вам не маркировка процессоров.

Итак, что же нам обещают светлые головы товарищей из Тайваня? Основные параметры следующие:

  • Напряжение питания - 5 вольт;
  • Потребляемый ток в "спящем" режиме - 1 мкА;
  • Активация воспроизведения - ручная по кнопке или по фронту импульса (от микроконтроллера или чего то подобного);
  • Автоматический вход в спящий режим после окончания записи/воспроизведения;
  • Адресация для хранения и воспроизведения нескольких сообщений;
  • Сохранность данных в течение 100 лет (не проверял, думаю, у вас тоже вряд ли получится);
  • 100000 циклов перезаписи;
  • Внутренний тактовый генератор;

Все эти вкусности размещаются в 28-ногом корпусе в двух исполнениях - PDIP и SOIC. Есть еще вариант промышленного исполнения (там нижняя граница рабочей температуры аж -70 градусов по Цельсию).

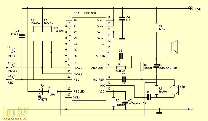
Теперь перейдем, пожалуй, к предметному обсуждению возможностей, для чего глянем на типовую схему включения микросхемы:

Типовая схема включения ISD1400

Пробежимся быстренько по выводам.

А0-А7 имеют двойное назначение: первое - адресация при наличии нескольких сообщений и второе - переключение режимов работы микросхемы. SP+, SP- - не ломайте голову - это выводы для подключения динамической головки сопротивлением не менее 16 Ом, которая будет воспроизводить то, что записано в утробе чипа. MIC, MIC REF предназначены для подключения микрофона (электретного). AGC (automatic gain control) - автоматическая регулировка уровня записи (АРУЗ по нашему). ANA IN - если не нужно писать с микрофона, то на этот вход подается сигнал с любого другого источника. ANA OUT - выход внутреннего предварительного усилителя. PLAYL - если на этот вывод подать сигнал низкого уровня, начнется воспроизведение, и будет продолжаться до тех пор, пока низкий уровень сохраняется. PLAYE - воспроизведение начинается при поступлении импульса на этот вход и заканчивается по окончании сообщения. RECLED - сюда вешается светодиод для индикации записи. XCLK - вход для внешнего тактового генератора. REC - при поступлении низкого уровня сигнала начинается запись, которая будет продолжаться до тех пор, пока сохраняется низкий уровень на этом входе. Тех, кому мало подобного описания, отправлю к даташиту, который можно совершенно даром скачать с сайта, указанного в начале этого изложения.

Ну, а все остальные могут перейти к рассмотрению работы схемы. Хотя тут рассматривать то… ну да ладно.

Нажимаем кнопочку S3 - REC - на входе REC образуется низкий уровень и начинается запись. Отпускаем нажатую кнопочку - запись останавливается - то есть запись идет только при нажатой кнопке. Дальше, если мы хотим прослушать запись так же как и записывали - то есть давя из последних сил на кнопку, то наживаем кнопку S1 - PLAYL и слушаем записанное. Как только кнопка отпускается, воспроизведение останавливается. Ну и наконец, если мы хотим как белые люди прослушать все сообщение целиком, то жмем кнопку S2 - PLAYE - в этом случае, воспроизведение остановится по окончании записи. В общем, как мне кажется весьма и весьма удобная вещь для организации всякой развлекухи и не только. Как вам, например дверной звонок, который будет орать "Сова, открывай, медведь пришел!" или цветочный горшок, напоминающий вам голосом любимой тещи о том, что его надо полить - короче применений масса.

Источник: www.radiokot.ru


Добавил:  Павел (Admin)  
Автор:   

Вас может заинтересовать:

  1. Фото мигалка
  2. ИЗМЕРИТЕЛЬ ТОЛЩИНЫ ИЗОЛЯЦИОННЫХ ПОКРЫТИЙ
  3. Пульт управления цифровыми камерами для стереофотосъемки
  4. Полупроводниковый ключ переменного тока на ТО125-12,5
  5. Регулятор яркости в торшере


    © PavKo, 2007-2018   Обратная связь   Ссылки views: 1737 -- users: 1597 -- web3   Яндекс.Метрика