Портал для радиолюбителей
   Виброкресло для любителей музыки и игр
    Главная -> Статьи -> Бытовая электроника -> Виброкресло для любителей музыки и игр


<< Назад в раздел   Распечатать Дата добавления: 2008-01-19 | Просмотров: 13346

Во многих магазинах в продаже имеются накидки-массажеры на кресло. Принцип работы прост: в накидку на кресло вмонтированы 5-7 вибромоторов, работой которых управляет пульт. Недостатком такой системы является то, что программа работы моторов заложена изначально и никак не зависит от внешних факторов.
А не сделать ли схему, которая будет включать тот или иной вибромассажер в зависимости от появления определенной частоты из динамиков магнитофона или магнитолы? Иными словами, кресло будет вибрировать в такт музыке, заставляя тем самым чувствовать музыку спиной.
Идею я реализовал методом создания двух блоков: цветомузыкальной приставки на 3 канала и усилителя для неё. Схема и рекомендации к ней приведены ниже.

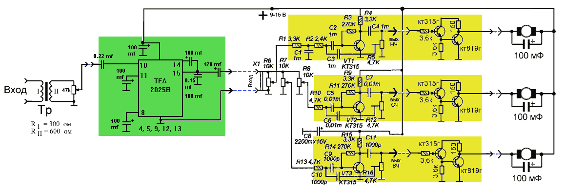
Схема вибро-кресла

Как видно, схема состоит из двух блоков: усилителя и самой приставки, которая в свою очередь подразделяется на 3 фильтра – низких, средних и высоких частот.
В принципе, можно обойтись и без усилителя, но в этом случае со слабых источников сигнала (например линейный выход), система работать не будет.
Сигнал будем брать с динамика магнитофона (автомагнитолы). Для предотвращения искажений и перегрузок сигнал с динамика развяжем через трансформатор. В принципе подойдет любой. Я взял согласующий трансформатор с сопротивлением первичной обмотки 300 Ом, вторичной – 600 Ом. Сопротивление в 300 Ом никак не скажется на звуке из данного динамика.
Далее сигнал поступает на усилитель, собранный на микросхеме TEA2025B (аналоги КА2206N, TA7769). Усилитель потребляет от 3 до 14 В, выдавая мощность 2 Вт. Этого достаточно для работы цветомузыкальной приставки. От 12-14 В микросхема греется, поэтому следует сделать для неё небольшой радиатор.
Следующий шаг – создание фильтров для цветомузыкальной приставки. Я взял проверенную отработанную схему из журнала "Радиоконструктор" №7 за 2005 г. Единственное, что добавил – это составной транзистор (из КТ315 и КТ819Г). Дело в том, что вибромоторы имеют достаточно большую мощность и, соответственно, для них нужен мощный транзистор. Транзисторы КТ 819Г желательно выносить на проводах и размещать на радиаторах, но с учетом того, что корпус транзистора – это его Коллектор, поэтому соприкосновение корпусов транзисторов недопустимо.
Все 3 фильтра имеют почти одинаковое расположение деталей, поэтому я начертил плату (со стороны дорожек), которая подойдет для всех 3 фильтров.

Печатная плата вибро-кресла

В данной схеме каждый фильтр имеет свою настройку. Переменные резисторы R6, R7, R8 регулируют уровень сигнала на фильтры, а R5, R12, R16 – полосу частот. Такие настройки полезны для согласования данного устройства с конкретной автомагнитолой и предпочтениями слушателя.
 Далее необходимо разместить на небольшой плате разъем для подключения кресла-массажера и конденсаторов. Разные модификации кресла-массажера имеют разное токопотребление, поэтому конденсаторы параллельно моторам подбираются экспериментально.
Последний шаг – подключение кресла. Разбираем пульт управления от кресла-накидки и отпаиваем все провода, идущие к самому креслу. Далее необходимо определить Общий провод (+) от моторов и выходы от каждого из них. Как правило, этот общий провод более толстый и имеет черную или желтую окраску.  Берем блок питания и плюсом подключаем к этому общему проводу. А минус последовательно подключаем к каждому из оставшихся проводов. Таким образом, мы определим, какой из моторов воздействует на различные точки спины.
Выбираем три мотора в кресле-накидке, наиболее Вам предпочтительные и подключаем провода от них соответственно низким, высоким и средним частотам.
Как видим, в кресло задействованы всего три вибромотора, соответственно низким, средним и высоким частотам.
Если этого Вам показалось недостаточно, можно задействовать оставшиеся вибромоторы соединив из параллельно. То есть на каждую частоту придется по 1-2 вибромотора.

Фото вибро-кресла

Прислал: Горелов Алексей, г. Брянск


Добавил:  Павел (Admin)  
Автор:  Горелов Алексей, г. Брянск 

Вас может заинтересовать:

  1. Чувствительный металлоискатель
  2. Однофазный электронный счетчик электроэнергии Меркурий-200
  3. Дистанционный выключатель
  4. "Электронный зоопарк"
  5. Cветодиодный фонарь из... калькулятора


    © PavKo, 2007-2018   Обратная связь   Ссылки views: 1004 -- users: 989 -- web3   Яндекс.Метрика