Портал для радиолюбителей
   Высокая чувствительность приемника, простыми методами
    Главная -> Статьи -> Радиоприемники -> Высокая чувствительность приемника, простыми методами

melonrich.ru

<< Назад в раздел   Распечатать Дата добавления: 2008-02-18 | Просмотров: 11537

Шатун Александр Николаевич (ashatun@mail.ru)
312040, Харьковская обл.,г. Дергачи, пер. Октябрьский 16,тел.(8-263) 3-21-18

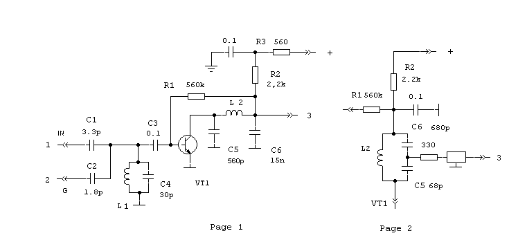
Высокую чувствительность, 0.25-0.15мкв, при минимальном количестве каскадов усиления, позволяет получить предлагаемый смеситель. Крутизна преобразования у него намного выше, чем у любых других смесителей. Динамический диапазон не высокий, и составляет около 40 ДБ, но это вполне устраивает для использования его в приемниках для радиомикрофонов, вещательных приемниках, для носимых станций, устройств сигнализации и прочее. Схема смесителя приведена на рис.1.

Puc.1, Puc.
2

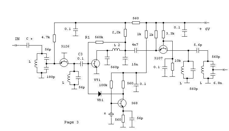
Входной сигнал и сигнал гетеродина подются в цепь базы транзистора VT1. Благодаря этому от гетеродина не требуется большой мощности. Контур L1C4 настраевается на рабочую частоту и включен в базу VT1 через конденсатор большой емкости. Хотя для входных сигналов транзистор включен по схеме с ОЭ, каскад не оказывает сильного шунтирующего влияния, так как работает для этих сигналов не как обычный усилительный каскад, а как смеситель. Благодаря этому контур включен в цепь базы полностью и при этом имеет достаточно острую настройку. По промежуточной частоте VT1 оказывается включенным по схеме с общей базой благодаря большой емкости С3. Выходное сопротивление каскада так же получается высоким, что позволяет включать контур ПЧ в цепь коллектора непосредственно. Для обеспечения хорошей фильтрации напряжения гетеродина, нагрузка выполнена в виде П. фильтра, если далее следует каскад УПЧ. Смеситель лучше работает с низкими ПЧ 0.455-1.6Мгц, хотя и для 10.7Мгц тоже давал хорошие результаты. Пример включения L2 и фильтра 10.7Мгц показан на рис 2. В качестве VT1 использовался транзистор КТ-368А, КТ399. При выборе номиналов следует учесть, что при уменьшении емкости С5 крутизна растет, но схема может самовозбудится. Перед смесителем следует включать УВЧ с небольшим коэфициентом усиления. Один из вариантов показан на рис.3.

Puc.3

Здесь для упрощения транзистор работает в баръерном режиме. Это часть схемы одноканальной портативной радиостанции, не требующей попарного подбора кварцевых резонаторов, благодаря отсутствию керамического фильтра. Частота ПЧ определяется настройкой контуров в пределах 600-900Кгц. Кроме того, выбор основной частоты резонатора так же не критичен, так как для работы смесителя достаточно амплитуды четных и нечетных гармоник. Требуемая гармоника выделяется контуром базовой цепи одновременно с входным сигналом. Сигнал гетеродина подается через обратно смещенный переход диода VD1. В качестве детектора использовалась микросхема К174ХА6.


Добавил:  Павел (Admin)  
Автор:  Шатун Александр Николаевич (ashatun@mail.ru) 

Вас может заинтересовать:

  1. ЗАЩИТА ВХОДНЫХ ЦЕПЕЙ РАДИОПРИЕМНИКОВ
  2. FM конвертер на микросхеме К174ПС1
  3. Сверхрегенеративный приемник с барьерным режимом работы транзисторов
  4. Усилитель промежуточной частоты
  5. Тракт АМ автомагнитолы


    © PavKo, 2007-2018   Обратная связь   Ссылки views: 23147 -- users: 22266 -- web3   Яндекс.Метрика