Портал для радиолюбителей
   Цифровой FM стерео приемник 60-110 МГц с микропроцессорным управлением
    Главная -> Статьи -> Радиоприемники -> Цифровой FM стерео приемник 60-110 МГц с микропроцессорным управлением


<< Назад в раздел   Распечатать Дата добавления: 2008-02-23 | Просмотров: 11222

Краткие технические характеристики:

Габариты: 106х36х20 мм;
Напряжение питания 11-15 В;
Ток потребления 45 мА;
Чувствительность 1 мкВ;
Амплитуда выходного НЧ сигнала 1 В (линейный выход);
- 60 каналов долговременной памяти;
- переключение по каналам памяти;
- запись в канал требуемой частоты;
- режим моно/стерео;
- режим сканирования;
- индикация номера канала и частоты на экране ЖКИ дисплея;
- светодиодная индикация настройки на станцию и наличия стереосигнала;
- установка промежуточной частоты приемника и границ диапазона приема.

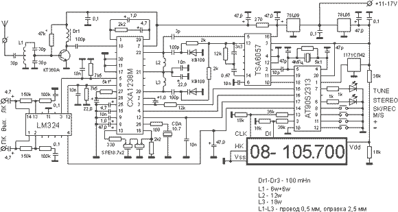
   Приемник представляет собой функционально законченный блок с линейным выходом, предназначенный для подключения к УМНЧ. Собственно сам приемник собран на микросхеме фирмы "Sony" CXA1538. Для управления работой приемника используется микропроцессор фирмы "Atmel" AT90S2313 и синтезатор частот фирмы "Philips" TSA6057. В качестве индикатора используется широко распространенный ЖКИ фирмы Holtek HT-1611. На индикаторе отображается номер канала, частота, а также режим "моно/стерео".

Приемник осуществляет следующий функциональный алгоритм:

   При подаче питания на приемник устанавливается частота, записанная в первый канал памяти. Переход на другой канал осуществляется кратковременным нажатием на кнопку "-" или "+". При длительном удержании кнопки "-" или "+" осуществляется ускоренный перебор каналов.

   Режим "моно/стерео" выбирается нажатием на кнопку "M/S". В режиме "стерео" рядом с номером канала на ЖКИ дисплее высвечивается тире.

   Сканирование осуществляется кратковременным нажатием на кнопку "SK/ZAP". При этом осуществляется циклическое сканирование частоты в пределах выбранного диапазона приема. При обнаружении станции сканирование автоматически останавливается. Принудительный останов сканирования осуществляется нажатием на любую из кнопок. При включенном режиме "стерео" автоматический останов сканирования происходит только на станциях передающих стереосигнал.

   Чтобы произвести запись в определенный канал памяти определенной частоты надо:
- нажать на кнопку "SK/ZAP" и удерживая ее кнопками "-" и "+" выбрать нужный канал памяти;
- нажать на кнопку "M/S" и удерживая ее кнопками "-" и "+" набрать нужную частоту;
- нажатием кнопки "M/S" выбрать режим "моно" или "стерео";
- затем нажать кнопку "SK/ZAP" на 3 сек до появления тире рядом с индицируемой частотой.

   Запись сделана. При выключении питания записанные данные сохраняются. При длительном удержании кнопки "SK/ZAP" (более 6 сек) осуществляется стирание частоты из выбранного канала памяти. При этом на месте индицируемой частоты появляются тире. Теперь при переборе каналов этот канал индицироваться не будет.

Цифровой FM стерео приемник 60-110 МГц с микропроцессорным управлением; Увеличить в отдельном окне.

   Для установки нижней границы приема при подаче питания на приемник нажать кнопку "-". На ЖКИ дисплее высветится установленная нижняя граница приема. Затем кнопками "-" или "+" набрать нужную частоту. Затем нажать кнопку "SK/ZAP" на 3 сек до появления тире рядом с индицируемой частотой. Нижняя граница приема записана.

   Для установки верхней границы приема при подаче питания на приемник нажать кнопку "+". На ЖКИ дисплее высветится установленная верхняя граница приема. Затем кнопками "-" или "+" набрать нужную частоту. Затем нажать кнопку "SK/ZAP" на 3 сек до появления тире рядом с индицируемой частотой. Верхняя граница приема записана.

   Для установки промежуточной частоты при подаче питания на приемник нажать кнопку "M/S". На ЖКИ дисплее высветится установленная промежуточная частота. Затем кнопками "-" или "+" набрать нужную частоту. Затем нажать кнопку "SK/ZAP" на 3 сек до появления тире рядом с индицируемой частотой. Промежуточная частота записана.


Добавил:  Павел (Admin)  
Автор:  Неизвестно 

Вас может заинтересовать:

  1. РЕГЕНЕРАТИВНЫЙ УКВ-ЧМ РАДИОПРИЁМНИК
  2. Цифровой FM стерео приемник 60-110 МГц с микропроцессорным управлением (конструкция 2)
  3. Синтезатор частоты и микрокомпьютер автомагнитолы Yamaha YX-9500
  4. Высокая чувствительность приемника, простыми методами
  5. Комбинированный усилитель промежуточной частоты


    © PavKo, 2007-2018   Обратная связь   Ссылки views: 224 -- users: 99 -- web3   Яндекс.Метрика