Портал для радиолюбителей
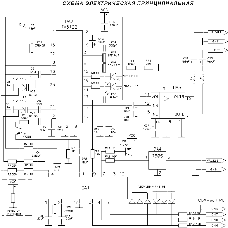
   FM Тюнер для компьютера
    Главная -> Статьи -> Радиоприемники -> FM Тюнер для компьютера


<< Назад в раздел   Распечатать Дата добавления: 2008-02-23 | Просмотров: 11805


Добавил:  Павел (Admin)  
Автор:  Неизвестно 

Вас может заинтересовать:

  1. Цифровая шкала для FM-приёмников супергетеродинного типа на микросхемах: СХА1191,СХА1238,ТЕА5711, ТА8127,ТА8164,ТА8167 и др.
  2. Синтезатор частоты и микрокомпьютер автомагнитолы Yamaha YX-9500
  3. КАК ПОВЫСИТЬ СЕЛЕКТИВНОСТЬ ПРИЕМНИКА
  4. Сверхрегенеративный приемник на барьерном генераторе ВЧ с ОБ
  5. УКВ - FM стерео тюнер 60-108 MHz на ИМС TDA7021T


    © PavKo, 2007-2018   Обратная связь   Ссылки views: 146 -- users: 139 -- web3   Яндекс.Метрика