Портал для радиолюбителей
   Урок №2: Первая конструкция
    Главная -> Статьи -> Начинающим -> Урок №2: Первая конструкция


<< Назад в раздел   Распечатать Дата добавления: 2008-02-28 | Просмотров: 9505

  Я не буду тянуть резину, :-) а сразу приступлю к делу. Твоя первая конструкция будет называться - "Усилитель низкой частоты"!
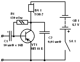
Что для него понадобиться:
  • Транзистор МП 41 Б - VT1.
  • Конденсатор электролитический 10 мкФ * 16 В - C1.
  • Конденсатор керамический 0,01 мкФ - C2.
  • Резистор 150 кОм - R1.
  • Наушники ТОН-2 или другие высокоомные - BA1.
  • Батарейка 4,5 В - GB1.
  • Выключатель любой миниатюрный - SA1.
Не пугайся этих диких названий! :-) Сейчас все объясню.
Резисторы. Это радиодетали которые оказывают сопротивление эл. току. Единица измерения - Ом, кОм, мОм. На схеме обозночаются буквой "R", условное обозначение - .
Конденсаторы. Это радиодетали которые способны накапливать в себе электрический заряд. Единица измерения - Ф, мкФ, нФ, пФ. На схеме обозначаются буквой "C", условное обозначение -
Транзистор. Полупроводниковый элемент, бывает двух структур - n-p-n и p-n-p они отличаются тем, что имеют разную полярность, подробнее будут описаны на уроке 3. На схеме обозначается буквами "VT", условное обозначение - для p-n-p и для n-p-n.
Примечание.
Электролитический конденсатор отличается от обычного (керамического), тем что имеет полярность.
Остальное, думаю понятно.
Схема:

Внимательно рассмотри схему! Надеюсь, ты понял как все там обозначается. Чтобы правильно спаять этот усилитель надо:
  1. Вырезать подходящий кусок картона.
  2. Нарисовать на нем эту схему.
  3. Проделать дырки в картоне под лапки радиодеталей.
  4. Залудить лапки радиодеталей (см. урок 1).
  5. Вставить радиодетали в дырки на картоне.
  6. Загнуть лапки радиодеталей с другой стороны картона и совместить их друг с другом по схеме.
  7. Спаять лапки вместе.
Забыл самое главное!!!
Транзистор не пофигу как ставить! :-) У него есть три вывода - 1-База, 2-Эмиттер, 3-Коллектор. На схеме база выходит из середины, эмиттер помечен стрелочкой, а коллектор это тот который остался. Ты спросишь - "А как же их отличить друг от друга, ведь на транзисторе они никак не отмечены!". Отвечаю, так: Это только для МП 35 - МП 42! У разных транзисторов разные корпуса и следовательно маркировка, маркировку ты можешь найти в справочниках или посмотреть здесь!

Тепрерь включи усилитель и надень наушники, ты должен услышать равномерный шум. Если глухо как в гробу, то проверь правильно ли поставлен транзистор, батарейка, электролитический конденсатор (на нем написано, где плюс), хорошо ли спаяны выводы и нет ли где замыкания. Если тебе кажется что все правильно, а он все равно не работает, то позамыкай вход усилителя, ты должен услышать щелчки. Все проверь! Если уж совсем никак, то внимательно перечитай эту страницу сайта.
  Все работает! Значит жми "Третий урок".


Добавил:  Павел (Admin)  
Автор:   

Вас может заинтересовать:

  1. Основные параметры передатчиков и приемников
  2. Как работает телевизор
  3. Краткий словарик технических терминов
  4. Проверка транзисторов
  5. Условные графические и буквенные обозначения электрорадиоэлементов


    © PavKo, 2007-2018   Обратная связь   Ссылки views: 4260 -- users: 4173 -- web3   Яндекс.Метрика