Портал для радиолюбителей
   Выпрямители. Как и почему
    Главная -> Статьи -> Начинающим -> Выпрямители. Как и почему


<< Назад в раздел   Распечатать Дата добавления: 2008-03-04 | Просмотров: 8834

Итак, дорогие мои, мы собрали нашу схемку и пришло время ее проверить, испытать и нарадоваться сему щастью. На очереди у нас - подключение схемы к источнику питания. Приступим. На батарейках, аккумуляторах и прочих прибамбасах питания мы останавливаться не будем, перейдем сразу к сетевым источникам питания. Здесь рассмотрим существующие схемы выпрямления, как они работают и что умеют. Для опытов нам потребуется однофазное (дома из розетки) напряжение и соответствующие детальки. Трехфазные выпрямители используются в промышленности, мы их рассматривать также не будем. Вот электриками вырастете - тогда пжалста.

Источник питания состоит из нескольких самых важных деталей: Сетевой трансформатор - на схеме обозначается похожим как на рисунке,

Трансформатор

Выпрямитель - его обозначение может быть различным. Выпрямитель состоит из одного, двух или четырех диодов, смотря какой выпрямитель. Сейчас будем разбираться.

Диодный мост

а) - простой диод.
б) - диодный мост. Состоит из четырех диодов, включенных как на рисунке.
в) - тот же диодный мост, только для краткости нарисован попроще. Назначения контактов такие же, как у моста под буквой б).

Конденсатор фильтра. Эта штука неизменна и во времени, и в пространстве, обозначается так:

Конденсатор

Обозначений у конденсатора много, столько же, сколько в мире систем обозначений. Но в общем они все похожи. Не запутаемся. И для понятности нарисуем нагрузку, обозначим ее как Rl - сопротивление нагрузки. Это и есть наша схема. Также будем обрисовывать контакты источника питания, к которым эту нагрузку мы будем подключать.

Далее - пара-тройка постулатов.
- Выходное напряжение определяется как Uпост = U*1.41. То есть если на обмотке мы имеем 10вольт переменного напряжения, то на конденсаторе и на нагрузке мы получим 14,1В. Примерно так.
- Под нагрузкой напряжение немного проседает, а насколько - зависит от конструкции трансформатора, его мощности и емкости конденсатора.
- Выпрямительные диоды должны быть на ток в 1,5-2 раза больше необходимого. Для запаса. Если диод предназначен для установки на радиатор (с гайкой или отверстие под болт), то на токе более 2-3А его нужно ставить на радиатор.

Так же напомню, что же такое двуполярное напряжение. Если кто-то подзабыл. Берем две батарейки и соединяем их последовательно. Среднюю точку, то есть точку соединения батареек, назовем общей точкой. В народе она известна так же как масса, земля, корпус, общий провод. Буржуи ее называют GND (ground - земля), часто ее обозначают как 0V (ноль вольт). К этому проводу подключаются вольтметры и осциллографы, относительно нее на схемы подаются входные сигналы и снимаются выходные. Потому и название ее - общий провод. Так вот, если подключим тестер черным проводом в эту точку и будем мерить напряжение на батарейках, то на одной батарейке тестер покажет плюс1,5вольта, а на другой - минус1,5вольта. Вот это напряжение +/-1,5В и называется двуполярным. Обе полярности, то есть и плюс, и минус, обязательно должны быть равными. То есть +/-12, +/-36В, +/-50 и т.д. Признак двуполярного напряжения - если от схемы к блоку питания идут три провода (плюс, общий, минус). Но не всегда так - если мы видим, что схема питается напряжением +12 и -5, то такое питание называется двухуровневым, но проводов к блоку питания будет все равно три. Ну и если на схему идут целых четыре напряжения, например +/-15 и +/-36, то это питание назовем просто - двуполярным двухуровневым.

Ну а теперь к делу.

Мостовой выпрямитель

1. Мостовая схема выпрямления.
Самая распространенная схема. Позволяет получить однополярное напряжение с одной обмотки трансформатора. Схема обладает минимальными пульсациями напряжения и несложная в конструкции.

Мостовой выпрямитель

2. Однополупериодная схема.
Так же, как и мостовая, готовит нам однополярное напряжение с одной обмотки трансформатора. Разница лишь в том, что у этой схемы удвоенные пульсации по сравнению с мостовой, но один диод вместо четырех сильно упрощает схему. Используется при небольших токах нагрузки, и только с трансформатором, много большим мощности нагрузки, т.к. такой выпрямитель вызывает одностороннее перемагничивание трансформатора.

Схема циклической токовой защиты

3. Двухполупериодная со средней точкой.
Два диода и две обмотки (или одна обмотка со средней точкой) будут питать нас малопульсирующим напряжением, плюс ко всему мы получим меньшие потери в сравнении с мостовой схемой, потому что у нас 2 диода вместо четырех.

Схема триггерной токовой защиты

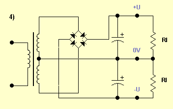
4. Мостовая схема двуполярного выпрямителя.
Для многих - наболевшая тема. У нас есть две обмотки (или одна со средней точкой), мы с них снимаем два одинаковых напряжения. Они будут равны, пульсации будут малыми, так как схема мостовая, напряжения на каждом конденсаторе считается как напряжение на каждой обмотке помножить на корень из двух - всё, как обычно. Провод от средней точки обмоток выравнивает напряжения на конденсаторах, если нагрузки по плюсу и по минусу будут разными.

Внешний вид

5. Схема с удвоением напряжения.
Это две однополупериодные схемы, но с диодами, включенными по разному. Применяется, если нам надо получить удвоенное напряжение. Напряжение на каждом конденсаторе будет определяться по нашей формуле, а суммарное напряжение на них будет удвоенным. Как и у однополупериодной схемы, у этой так же большие пульсации. В ней можно усмотреть двуполярный выход - если среднюю точку конденсаторов назвать землей, то получается как в случае с батарейками, присмотритесь. Но много мощности с такой схемы не снять.

Внешний вид

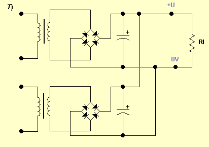
6. Получение разнополярного напряжения из двух выпрямителей.
Совсем не обязательно, чтобы это были одинаковые блоки питания - они могут быть как разными по напряжению, так и разными по мощности. Например, если наша схема по +12вольтам потребляет 1А, а по -5вольтам - 0,5А, то нам и нужны два блока питания - +12В 1А и -5В 0,5А. Так же можно соединить два одинаковых выпрямителя, чтобы получить двуполярное напряжение, например, для питания усилителя.

Внешний вид

7. Параллельное соединение одинаковых выпрямителей.
Оно нам дает то же самое напряжение, только с удвоенным током. Если мы соединим два выпрямителя, то у нас будет двойное увеличение тока, три - тройное и т.д.

Ну а если вам, дорогие мои, всё понятно, то задам, пожалуй, домашнее задание. Формула для расчета емкости конденсатора фильтра для двухполупериодного выпрямителя:
Внешний вид

Для однополупериодного выпрямителя формула несколько отличается:
Внешний вид

Двойка в знаменателе - число "тактов" выпрямления. Для трехфазного выпрямителя в знаменателе будет стоять тройка.

Во всех формулах переменные обзываются так:
Cф - емкость конденсатора фильтра, мкФ
Ро - выходная мощность, Вт
U - выходное выпрямленное напряжение, В
f - частота переменного напряжения, Гц
dU - размах пульсаций, В


Для справки - допустимые пульсации:
Микрофонные усилители - 0,001...0,01%
Цифровая техника - пульсации 0,1...1%
Усилители мощности - пульсации нагруженного блока питания 1...10% в зависимости от качества усилителя.

Эти две формулы справедливы для выпрямителей напряжения частотой до 30кГц. На бОльших частотах электролитические конденсаторы теряют свою эффективность, и выпрямитель рассчитывается немного не так. Но это уже другая тема.

Источник: www.radiokot.ru


Добавил:  Павел (Admin)  
Автор:   

Вас может заинтересовать:

  1. Что такое конденсатор?
  2. Условные графические и буквенные обозначения электрорадиоэлементов
  3. Внутреннее сопротивление источника тока
  4. Электрический ток и электродвижущая сила
  5. Закон Ома для полной цепи


    © PavKo, 2007-2018   Обратная связь   Ссылки views: 951 -- users: 808 -- web3   Яндекс.Метрика