Портал для радиолюбителей
   Практическое применение операционных усилителей. Часть вторая.
    Главная -> Статьи -> Основы аудиотехники и акустики -> Практическое применение операционных усилителей. Часть вторая.


<< Назад в раздел   Распечатать Дата добавления: 2008-03-14 | Просмотров: 9186

Итак, в первой части мы рассмотрели схемы включения ОУ в качестве усилителей, в этой части рассмотрим включения ОУ в качестве фильтров.

Фильтр Высоких Частот (ФВЧ, High-Pass - как угодно)
Требуется он для отсекания сигнала, частота которого ниже определенного порога, который называется, кстати, частотой среза.
Простейший ФВЧ выглядит так:

ФВЧ

Первая схема с неинвертирующим включением ОУ, вторая - с инвертирующим.
Это фильтр первого порядка с ослаблением ненужного сигнала - крутизной - 6дБ на октаву. Определить частоту среза можно, рассчитывая реактивное сопротивление конденсатора. Когда оно станет равным сопротивлению резистора, включенного последовательно с конденсатором - это будет самое то.
Формула следующая:

Формула

Где F - частота в Герцах, C - емкость в Фарадах, Ec - сопротивление в Омах.
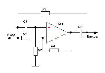
Если крутизна фильтра первого порядка кажется недостаточной, можно справить фильтр второго порядка - с крутизной 12 дБ на октаву как показано на рисунке.

ФВЧ

Это - так называемый, фильтр Баттерворта. Назван так, видимо, в честь того чувака, который его придумал.
Чтобы посчитать его граничную частоту можно воспользоваться следующими соотношениями:
R1=R2; С1=2С2;

Формула

При выборе резисторов надо учесть, что их номиналы должны лежать в пределах 10-100 кОм, поскольку выходное сопротивление фильтра растет вместе с частотой и если номиналы резисторов выходят за вышеуказанные рамки это может сказаться на работе фильтра. Отрицательно, разумеется - иначе зачем предупреждать?

Фильтр Низких Частот (ФНЧ, Low-Pass - как угодно)
Работа этого фильтра прямо противоположна предыдущему - он отрезает сигнал, частота которого выше частоты среза. В принципе, все то же самое, что и в предыдущем случае, только конденсатор включается не последовательно с резистором, а параллельно ему.

ФНЧ

Первая схема - неинвертирующее включение, вторая - инвертирующее. Частота среза считается ровно таким же способом, как и в случае ФВЧ.

Ну и схема фильтра второго порядка - того же самого гражданина Баттерворта.

ФНЧ

Опять же - считается все точно так же, как было описано выше.

Полосовой Фильтр (Band-Pass)
Полосовой фильтр применяется в тех случаях, когда необходимо выделить некую полосу частот из всего спектра. Например, в спектроанализаторах или вроде того.

Полосовой фильтр

Формулы расчета приводить тут не буду - дюже они забористые. Для расчета полосовых фильтром советую воспользоваться замечательной программой - Filter Wiz Pro от Schematica Software. Впрочем, ей так же можно воспользоваться и для расчетов любых других фильтров.

Фильтр-пробка (Notch Filter)
Если вам нужно ослабить (практически до нуля) некую выбранную частоту, то это фильтр как раз для вас.

Фильтр-пробка

Формула расчета вот такая:

Формула

где R=R3=R4, C=C1=C2;
При построении этого фильтра очень важна точность номиналов компонентов - от этого зависит степень "убивания" выбранной частоты. Так, при применении резисторов и конденсаторов с допуском 1%, можно получить ослабление частоты до 45дБ, хотя, теоретически, можно добиться и 60дБ. Например, если вы хотите грохнуть ненавистную всем частоту 50Гц, то берем следующие номиналы: R1=R2=10кОм, R3=R4=68кОм, С1=С2=47нФ.

Фильтр-пробка с двойным Т-мостом.

Двойной Т-мост

С помощью этого фильтра можно не только ослаблять выбранную частот, но и регулировать степень её ослабления переменным резистором R4. Формула расчета номиналов такая же, как и в предыдущем случае.

С фильтрами все, в следующей части еще кое-что интересное.

Источник: www.radiokot.ru


Добавил:  Павел (Admin)  
Автор:   

Вас может заинтересовать:

  1. Сабвуфер для дома, для семьи. Часть 1 - общие сведения
  2. Сабвуфер для дома, для семьи. Часть 3 - Некоторые хитрости
  3. Измерение выходной мощности усилителей звуковой частоты.
  4. Конструкция и характеристики динамических громкоговорителей (динамиков)
  5. Практическое применение операционных усилителей. Часть третья.


    © PavKo, 2007-2018   Обратная связь   Ссылки views: 20443 -- users: 19878 -- web3   Яндекс.Метрика