Портал для радиолюбителей
   Теория и практика применения таймера 555. Часть вторая.
    Главная -> Статьи -> Основы цифровой техники -> Теория и практика применения таймера 555. Часть вторая.


<< Назад в раздел   Распечатать Дата добавления: 2008-03-17 | Просмотров: 16944

Часть вторая. Практическая.

В этой части мы продолжим ездить по вашим мозгам на таймере 555, однако уже с практической точки зрения - рассмотрим конкретные схемы включения микросхемы.
Итак,

Схема 1:

Детектор темноты

Эта штуковина начинает работать (пищать) если по каким-то причинам станет вдруг темно. То есть, на фоторезистор LDR1 перестанет попадать свет или световой поток уменьшится до некоего критического уровня.

Схема 2:

Детектор напряжения

Эта схема предназначена для раздражения слухового нерва в том случае, если напряжение на входе "Контроль" упадет ниже 9 вольт.

Схема 3:

Датчик сигнализации

Простейший вид узла сигнализации. Если датчик S2 замкнется, на выходе таймера появится высокий уровень и останется таковым, даже если датчик вернется в исходное состояние. Вернуть низкий уровень на выход микросхемы можно кнопкой "Сброс".

Схема 4:

Детектор темноты 1

Аналогична Схеме 1, правда можно подстраивать частоту тона пищания резистором R2.

Схема 5:

Метроном

Метроном. Издает мерное тикание, чтобы начинающие музыканты не сбивались с ритма, ну или хорошо спали. Частота тиков подстраивается резистором R1.

Схема 6:

10 мин. таймер

10-минутный таймер. Запускается нажатием на кнопку "Сброс-запуск", при этом загорается светодиод HL2, например - зеленый. По истечении временного интервала, загорится светодиод HL1, например - красный. Интервал можно подстроить резистором R4.

Схема 7:

Триггер Шмидта

Триггер Шмидта. Полезная вещь, если вам необходимо получить прямоугольные импульсы из синусоидального сигнала, даже искаженного и зашумленного.

Схема 8:

Генератор

Генератор повышенной точности и стабильности. Частота подстраивается резистором R1. Диоды - любые германиевые. Можно также применить диоды Шоттки.

Схема 9:

Детектор пропущенных имепульсов

Детектор пропущенных импульсов. Может пригодиться. Транзистор можно заменить на отечественный КТ3107.

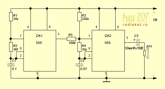
Схема 10:

Двухтональная сирена

Твухтональная сирена. Занятная схема для экспериментов с включением двух таймеров сразу.

Источник: www.radiokot.ru


Добавил:  Павел (Admin)  
Автор:   

Вас может заинтересовать:

  1. Что такое DIGITAL?
  2. Формирователи длинных импульсов (одновибраторы)
  3. Поговорим о системах счисления
  4. Логические элементы и таблицы истинности
  5. Преобразовател кодов (шифраторы, мультиплексоры и т.д.)


    © PavKo, 2007-2018   Обратная связь   Ссылки views: 1389 -- users: 1325 -- web3   Яндекс.Метрика