Портал для радиолюбителей
   Карманный усилитель с некарманной мощностью
    Главная -> Статьи -> Ламповые усилители низкой частоты -> Карманный усилитель с некарманной мощностью


<< Назад в раздел   Распечатать Дата добавления: 2008-03-17 | Просмотров: 25309

Этот усилитель я долгое время использовал в качестве выездного аппарата для сравнительных сессий прослушивания. Этакий боец-легковес. Однако его измеренная мощность составляла 16 ватт, что при демпфакторе = 6,5 на восьмиомной нагрузке позволяло «бойцу» легко справляться с любой акустикой без разбора.

Основная задача его была – доказывать превосходство ламп над транзисторами, и он с ней успешно справлялся.

В оригинале усилитель (тот, который вы видите на фотографии) имел размеры шасси 24 на 36 см и весил около десяти килограмм. Роль силовика выполнял ТАН107, выходники были намотаны на железе ШЛ25 х 40 от ОСМ-0,1. Но конечно лучше взять питание с запасом, а выходные трансы намотать на чём-то более серьёзном. Однако и такой минималистский вариант работал вполне достойно.

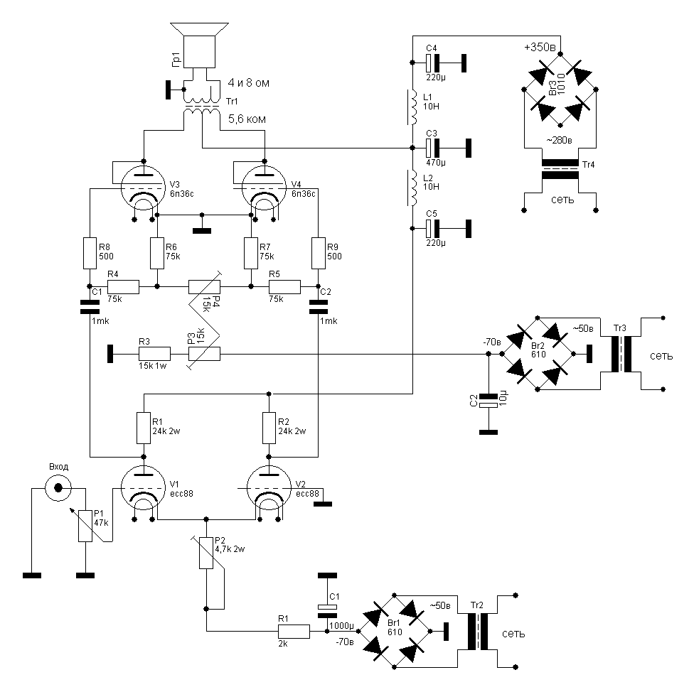
Посмотрим на схему.

На входе - банальный дифкаскад на ЕСС88. В катоды ламп включен «long tail» - источник отрицательного напряжения. Резистором Р2 выставляется необходимое смещение, больше никакой подстройки не требуется, правда при условии, что триоды внутри баллона ЕСС88 полностью идентичны (мы предположим, что так оно и есть).

В анодную нагрузку – 24 ком – ставятся самые приличные резисторы из тех, что имеются у вас (ВС-2, к примеру), потому что именно их голос вкупе с проходным конденсатором и определяет качество звучания усилителя в целом.

Конденсаторы, разделяющие каскады, всем известные КБГ-МН, КБГ-МП, шунтированные серебром (КСО, СГМ). В последней реинкарнации усилителя стояли раздетые К40-У9 на 1 мкф на 200 вольт.

Выходной каскад имеет фиксированное смещение, которое выставляется резистором Р3, и балансировку ламп 6П36С по постоянному току ( резистор Р4 ). Резисторы R3-R9 – постоянно рекомендуемые мной ПТМН, однако попробуйте и другие типы – С2-29В, С2-10, С2-14 и пр. Возможно, вам приглянётся в этой схеме что-нибудь металлофольговое.

Выходной трансформатор можно намотать на железе от ТСШ170 (вариант №4 из моей статьи про выходники), от ТС180 (№16) или от того же «Прибоя» (№20).

Но, если хотите сделать усилитель и впрямь «карманным», мотайте, как и я, на железе от ОСМ-0,1 (ШЛ25 х 40). Каркас делится средней щекой на две половины, и обмотки мотаются в разные стороны, т.е. вам придётся переворачивать каркас на станке, каждый раз, когда переходите к новой секции.

Обмотки такие:

Первичка – 2360 витков проводом ПЭВ-2 0,29 мм диаметром (590+590+590+590),

Вторичка – 100 витков (по 25 витков в слое) проводом ПЭВ-2 диаметром 0,71 мм; отвод от 75-го витка на 4 ома.

На каждой половине размещается :

590 витков первички, по 59 витков в слое;

100 витков вторички в четырёх слоях, отвод после третьего слоя;

Ещё 590 витков первички.
Активное сопротивление обмоток 108 ом и 0,33 ома соответственно.

Выходное сопротивление этого двухтактного «малыша» получится 1,24 ома без всяких обратных связей, что при его габаритах и мощности является почти рекордным показателем.

Ещё несколько моментов.

Дроссели намотаны на силовом железе ТС-60 (ШЛ20 х 32) от видеомагнитофонов ВМ-12 и содержат по 1980 витков провода ПЭВ-0,315. Хотя мотать такие большие совсем не обязательно. Хватит двух дросселей по 2,5 гн на ток 0,25 А. Например Др2,3-0,21 от телевизоров или что-то похожее.

Силовые конденсаторы – Хитачи HU4 на 400 вольт в анодном питании и на 160 вольт в отрицательных источниках. Диодные мосты – BR1010 на анодное питание, BR310 – на питание цепей смещения и «длинного хвоста».

Режимы выходных ламп (340 вольт, 60 миллиампер) кажутся запредельными, однако это не так. Первый квартет ламп этого усилителя отпахал 12000 часов и без видимых причин был заменён мной на бело-пушисто-анодные 6П36С вместо серо-плоско-анодных. А так наверняка и до сих пор бы работали.

Для накалов вам потребуется обмотка на 6,3 вольта и 8 ампер для питания 6П36С и 6,3 вольта 0,7 ампера для ЕСС88. В моём «карманном» варианте всё это хозяйство питалось от двух включенных параллельно накальных обмоток ТАНа-107, что не есть хорошо. Поэтому вы уж будьте поумней меня и поставьте нормальный накальник. К примеру, ТН51.

Найдите также ТА11 для отдельных источников смещения и «хвоста». У меня это были 25-вольтовые обмотки ТАНа 107, включенные через удвоители напряжения для получения требуемых семидесяти вольт. Это тоже не очень разумное решение. Поэтому я и предлагаю вам использовать четыре 28-вольтовых секции ТА11. К тому же он очень дешёв и достаточно распространён.

В роли анодника может выступать какой-нибудь ТА183. Хотя намотать самому потребный транс на железе от ТС180 – не проблема. 1100 витков в первичке и 1400 во вторичке – вот и вся работа!

Ну и как сами вы уже прекрасно понимаете, возможностей для апгрейда - хоть отбавляй!

Здесь и замена ЕСС88 на одиночные триоды 6С3П, 6С4П и пр. И кенотронное питание, и двухполупериодные выпрямители. И полное двойное моно, а желательно и вообще выполнение устройства в виде двух моноблоков. Добавьте балансировку драйверного каскада по переменной составляющей, и окажется, что я вообще ничего толком и не рассказал о возможностях данного аппарата…

Всё так. Но речь шла о «карманном» усилителе. А с этим рассказом я справился.

Такой усилитель всегда приятно взять с собой на прослушивание к другу, который ещё не убедился в преимуществе лампового звука перед транзисторным. А при желании можно брать его с собой на рыбалку, в походы, в горы, на лыжную прогулку – просто хотя бы в качестве тренировки силы и выносливости!
А если у вашей походной одежды несколько карманов, то изготовление таких усилителей ровно по количеству карманов отнюдь не будет являться излишеством.

Удачного вам конструирования! Обрастайте карманами, друзья! И пусть они всегда будут полны усилителей или хотя бы идей!


Добавил:  Павел (Admin)  
Автор:  Алексей Шалин 

Вас может заинтересовать:

  1. Однотактный ламповый усилитель из доступных деталей
  2. Кабели (акустические, межблочные) и их влияние на звучание
  3. Однотактный усилитель на 6С4С
  4. "Лофтин" из ТВ деталей
  5. RCA 6082 с бестрансформаторным выходом


    © PavKo, 2007-2018   Обратная связь   Ссылки views: 3742 -- users: 3647 -- web3   Яндекс.Метрика