Портал для радиолюбителей
   Простой измеритель емкости
    Главная -> Статьи -> Измерительная техника -> Простой измеритель емкости


<< Назад в раздел   Распечатать Дата добавления: 2008-04-19 | Просмотров: 10122

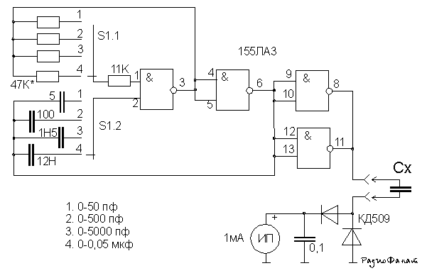
Схема измерителя ёмкости

Регулировка заключается в установке максимальных границ на каждом диапазоне с помощью переключаемых резисторов (47 К) в качестве которых лучше поставить подстроечники.


Добавил:  Павел (Admin)  
Автор:  Неизвестно 

Вас может заинтересовать:

  1. Таблица быстрого перевода dBm в вольты и ватты на нагрузке 50 ОМ
  2. Доработка программаторов для гарантированного программирования микросхем PCF8582
  3. Схема цифрового индикатора
  4. Щуп-осциллограф
  5. Измеритель емкости электролитических конденсаторов с тестом на утечку


    © PavKo, 2007-2018   Обратная связь   Ссылки views: 976 -- users: 848 -- web3   Яндекс.Метрика