Портал для радиолюбителей
   Измеритель емкости-2
    Главная -> Статьи -> Измерительная техника -> Измеритель емкости-2


<< Назад в раздел   Распечатать Дата добавления: 2008-04-19 | Просмотров: 9162

Оксидные конденсаторы обладают неприятным свойством терять емкость - "высыхать", что является одной из основных причин отказов радиоаппаратуры, находящейся в длительной эксплуатации. Предлагаю схему прибора для измерения емкости конденсаторов. Прибор позволяет измерять емкость на пяти поддиапазонах:

	1.  0,1...3,1 		±0,1 мкф; 
	2.  1,0...31 		±1 мкф: 
	3.  3.10...310 		±10мкФ; 
	4.  4. 100...3100 	±100мкФ; 
	5.  5.1000...31000 	±1000мкФ. 

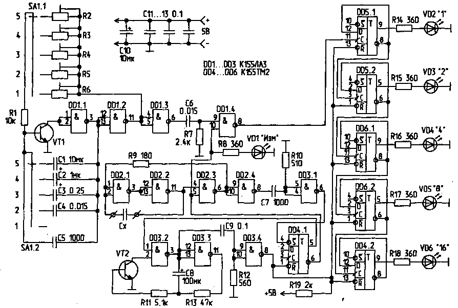
Принципиальная схема приведена на рис.1. На транзисторе VT1 и микросхеме DD1 собран генератор эталонных частот. Генератор работает постоянно, и при высоком уровне на выводе 10 DD1.4 импульсы эталонной частоты поступают на пятиразрядный двоичный счетчик DD5, DD6, DD4.2. Информация о количестве поступивших на вход счетчика (вывод 11) DD5.1 импульсов отображается светодиодами VD2...VD6 в двоичном коде.

Принципиальная схема измерителя емкости

На элементах DD2 и DD3.1 собран второй генератор, импульсная последовательность которого формируется с участием конденсатора Сх, емкость которого необходимо измерить. Высокий уровень на выводе 5 DD2.3 разрешает его работу.

На VT2, DD3.2, DD3.3, DD3.4 собран генератор импульсов индикации. В течение одного периода собственных колебаний этого генератора информация на счетчик не поступает, счетчик индицирует свое состояние, светодиод VD1 "Измерение" погашен.

В качестве переключателя режима измерение/индикация используется RS-триггер DD4.1. Переключается триггер по входу R импульсами с генератора индикации, по входу S - импульсами с генератора Сх. Временные диаграммы работы схемы приведены на рис.2.

Диаграмма

В зависимости от предполагаемой емкости Сх, переключателем SA1 выбирается определенная частота генерации, подстраиваемая резисторами R2...R6. Если емкость Сц точно равна верхнему пределу измерений на любом из поддиа-пазонов, то количество импульсов, поступивших на счетчик, должно быть равно 31 (полная емкость счетчика). При меньшем значении Сх количество импульсов, поступивших на счетчик, будет соответственно меньше.

Пусть измерение ведется на 5-м под-диапазоне. Светодиоды высветили код 1, 4,16. В этом случае емкость определяется так:

Сх=(1+4+16)x1000=21000 (мкФ).

Погрешность измерения на этом под-диапазоне составляет ±1000 мкф. Если данная точность недостаточна, необходимо провести еще одно измерение на 4-м поддиапазоне. В этом случае счетчик будет работать с переполнением:

21000:3100=6

и 24 в остатке (31 100 - шаг измерения на 4-м поддиапазоне). Остаток будет высвечен числами 8, 16.

Сх=(31x6+8+16)x100=21000±100(мкФ).

Если нет ошибок в монтаже, настройка прибора сводится к его калибровке. Начинать нужно с 5-го поддиапазона.

Сначала надо подключить к гнездам Сх конденсатор емкостью в несколько десятков тысяч микрофарад. Его лучше составить из нескольких конденсаторов, включенных параллельно. Вместо подстро-ечного резистора R2, временно впаять переменный с номиналом 100...200 кОм и добиться показаний счетчика, соответствующих емкости подключенного конденсатора. Измерить сопротивление резистора и заменить его последовательно соединенными постоянным и подстро-ечным (величина подстроечного должна быть примерно 1/3 необходимого номинала). Уточнить величину подстроенного резистора подключением С„ других номиналов.

Данные операции следует проделать на остальных поддипазонах. Время индикации устанавливается подбором R13.

Для четкой работы прибора необходим хороший источник питания, в котором емкость фильтрующего конденсатора в выпрямителе после диодного моста должна быть не менее 2000 мкф. Хорошие результаты получаются если в стабилизаторе использовать микросхемы серии 142.

Рисунок печатной платы приведен со стороны печатных проводников (рис.3). Перемычки помечены штриховой линией. Детали расположены с противоположной стороны платы, значком "х" помечены выводы деталей, припаянные к общему проводу, разводка которого не приведена. В приборе использованы микросхемы серии 155, применение менее энергоемких серий нежелательно. Это потребует переработки схемы. Транзисторы - КТ315, светодиоды - АЛ102, АЛ307. При разработке прибора основным критерием была простота. Двоичные счетчики можно заменить десятичными на ИМС К155ИЕ2, дополнив их соответствующими дешифраторами и индикаторами, но конструкция заметно усложнится. С1, С2 - К52, К53; СЗ, С4, С5 - МБМ, К73, KM [3]. Остальные детали - любого типа с допуском ±20%. SA1 - галетный или П2К. На свободных местах платы установлены С1...С4, R2...R6. Из разводка не приведена, так как они могут иметь иные размеры, чем у автора. Оветодиоды впаиваются так, чтобы при установке платы они выступали на лицевой панели. В качестве гнезд для С использованы одиночные розетки от разъемов ШР.

Литература

1. Конструкции советских и чехословацких радиолюбителей. - М.: Радио и связь, 1987.

2. Овечкин М.А. Любительские телевизионные игры.-М.: Радио и связь, 1985.

3. В помощь радиолюбителю: Сборник. Вып.109.-М.: Патриот, 1991.

4. Мальцев Л.А. и др. Основы цифровой техники. - М.: Радио и связь, 1987.

В.КАЛЕНДО, г.Минск.

(РЛ 2-99)


Добавил:  Павел (Admin)  
Автор:  В.КАЛЕНДО, г.Минск. (РЛ 2-99) 

Вас может заинтересовать:

  1. Цифровой измеритель ёмкости
  2. Измеритель емкости электролитических конденсаторов с тестом на утечку
  3. Транзисторный пробник, которым можно проверять транзисторы не выпаивая их из схемы
  4. Генератор для ремонта радиоаппаратуры
  5. Звуковой испытатель кварцевых резонаторов


    © PavKo, 2007-2018   Обратная связь   Ссылки views: 13648 -- users: 13071 -- web3   Яндекс.Метрика