Портал для радиолюбителей
   Пробник электроцепей и радиоэлементов монтера-II
    Главная -> Статьи -> Измерительная техника -> Пробник электроцепей и радиоэлементов монтера-II


<< Назад в раздел   Распечатать Дата добавления: 2008-05-02 | Просмотров: 7948

Еще Пробник электроцепей и элементов

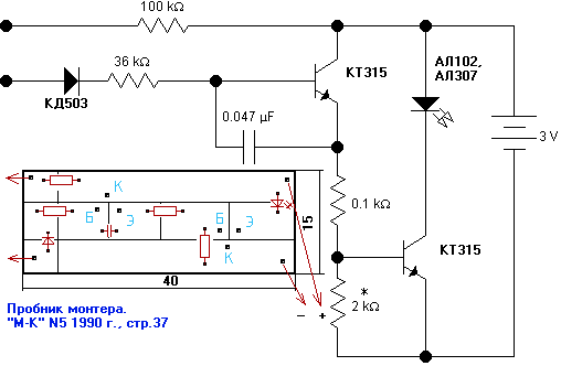
У этого пробника порог срабатывания наоборот устанавливается ( резистором в базовой цепи второго транзистора) на верхнем уровне, т.е. например на этой схеме , судя по данным программы моделирования EWB 5.0а с какими-то реальными транзисторами и диодом на входе: при резисторе 2 кОм порог срабатывания схемы в зависимости от типа диода и транзисторов - 600-650 кОм. Таким образом, если сопротивление исследуемой цепи меньше порогового (~600 кОм) - светодиод горит и показывает "КЗ", иначе - погашенный светодиод обозначает ОБРЫВ ЦЕПИ (или хорошее качество изоляции). Порог, естественно, можно подобрать любой.

Значит для проверки полупроводниковых переходов достаточно подключить пробник поочередно в различных полярностях: если оба значения - "КЗ", то "КЗ" и есть, если оба показания - "ОБРЫВ", то естесссссно - обрыв, и только при различных показаниях - переход вроде бы нормален :).

Кроме того , за счет подавления наводок конденсатором в базовой цепи первого транзистора и ограничительного резистора 100 кОм - пробником можно искать фазный провод в сети ~220 В: в руку берете верхний по схеме щуп и ,помолясь, тыкаете в розетку оставшимся щупом , светодиод покажет вам , если Вы угадали с фазой.

Светодиод горит постоянно, если испытуемый конденсатор пробит или имеет большую утечку.

Светодиод горит постоянно, если исследуемый источник имеет переменное напряжение, а при постоянном светодиод горит при плюсе источника на аноде входного диода.


Добавил:  Павел (Admin)  
Автор:  Неизвестно 

Вас может заинтересовать:

  1. Пробник оксидных конденсаторов
  2. Принципиальная схема мультиметра M838
  3. Измеритель емкости электролитических конденсаторов с тестом на утечку
  4. Транзисторный пробник, которым можно проверять транзисторы не выпаивая их из схемы
  5. Таблица быстрого перевода dBm в вольты и ватты на нагрузке 50 ОМ


    © PavKo, 2007-2018   Обратная связь   Ссылки views: 1144 -- users: 512 -- web3   Яндекс.Метрика