Портал для радиолюбителей
   Простой измеритель емкости и тока утечки электролитических конденсаторов
    Главная -> Статьи -> Измерительная техника -> Простой измеритель емкости и тока утечки электролитических конденсаторов


<< Назад в раздел   Распечатать Дата добавления: 2008-05-15 | Просмотров: 9421

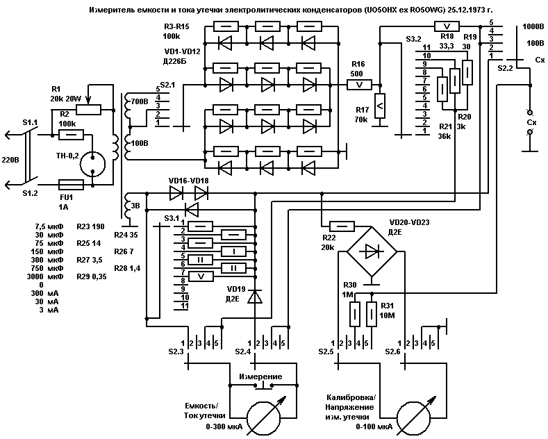
Этот прибор измеряет ток через конденсатор при подаче на него переменного напряжения 1,5В 50 Гц. Столь малая величина напряжения не пробивает оксидный слой, поэтому обратный ток не влияет на точность измерения. Шкала измерителя тока проградуированна в величинах емкости, с помощью эталонных конденсаторов. Так же прибор позволяет измерять ток утечки конденсаторов при его рабочем напряжении. Для измерения величины емкости необходимо, при подключенном конденсаторе, резистором R1 установить показания прибора 2 на середину шкалы (1,5В), и, нажав кнопку, выбрать предел шкалы измерителя переключателем S3. Этим же переключателем выбираем шкалу тока при измерении утечки. Режим измерения емкости и шкала напряжения при измерении тока выбирются переключателем S2. Напряжение, при измерении тока утечки, выставляется так же с помощью R1. Более новый измеритель емкости здесь.

.

Простой измеритель емкости и тока утечки электролитических конденсаторов

Источник: www.shustikov.by.ru


Добавил:  Павел (Admin)  
Автор:   

Вас может заинтересовать:

  1. TDS-METP - Приставка к мультиметру
  2. Звуковой пробник-омметр (4 варианта)
  3. Транзисторный пробник, которым можно проверять транзисторы не выпаивая их из схемы
  4. Коаксиальный эквивалент нагрузки
  5. Таблица быстрого перевода dBm в вольты и ватты на нагрузке 50 ОМ


    © PavKo, 2007-2018   Обратная связь   Ссылки views: 2201 -- users: 2156 -- web3   Яндекс.Метрика