Портал для радиолюбителей
   "Лавинная реанимация" батареек
    Главная -> Статьи -> Блоки питания, зарядные устройства -> "Лавинная реанимация" батареек


<< Назад в раздел   Распечатать Дата добавления: 2008-07-16 | Просмотров: 10288

    Конечно, химические процессы, протекающие в гальванических элементах при их работе, как правило, необратимы, но, тем не менее, восстановить хоть часть их емкости весьма заманчиво. Суть моего "ноу-хау" заключается в том, что при напряжении зарядки в 3...4 раза больше требуемого возникает "лавинный" процесс зарядки, причем даже элементов, полностью разряженных.

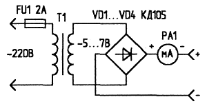
Принципиальная схема №1 зарядного устройства

Рис.1. Принципиальная схема №1 зарядного устройства

Трансформатор можно использовать от старой радиоаппаратуры. Ток зарядки в таком режиме - достаточно большой (до 550 мА для пальчиковых батареек). У более "солидных" батареек он, естественно, еще больше. Данным способом заряжаются даже солевые батарейки. Плохо заряжаются, а бывает, и выходят из строя батареи, на которых написано "ALKALINE". При экспериментах удалось восстановить несколько "пальчиковых" аккумуляторов. Для них, как и для достаточно дорогостоящих аккумуляторов телефонов, сначала лучше сделать предварительный заряд в штатном режиме и последующий разряд через лампочку 2.5..3.5 В х 0,35 А. Если после этого батарея не восстановилась, можно попробовать "лавинный" процесс. Когда и это не помогает, остается вскрыть батарею (состоящую из нескольких элементов), найти неисправный элемент и заменить его. После этого попробовать заряжать сначала обычным способом, потом - "лавинным".

    Можно попробовать зарядку и асимметричным током, но с повышенным напряжением. Таким образом заряжаются даже так называемые "квадратные" батарейки, "бабушкой" которых была "КБС-1". Для них напряжение зарядки необходимо увеличить до 28 В.

    Время зарядки батареек - примерно 30...40 мин, т.е. значительно меньше обычного. Заряженными батарейками лучше всего питать малопотребляющую аппаратуру (радиоприемники и т.п.). Плейер быстро поглощает "запас электричества", и батареек хватает всего на 2...3 кассеты. Реанимированные аккумуляторы уже, как правило, "нормальной" зарядке не подлежат и заряжаются только "лавинной". Батарей обычно хватает на 10... 15 зарядок, аккумуляторов - на 30...50, после чего они становятся совсем незаряженными, и их можно с чистой совестью выкинуть. Обычно это проявляется в том, что при присоединении батарейки к зарядному устройству ток не превышает 50...70 мА.

    При зарядке (особенно "квадратных" батареек) необходимо следить за их температурой (можно просто "на ощупь"). Если температура превышает 50°С, необходимо тут же отключить батарейку. Зарядку можно продолжить после охлаждения элемента, тогда время его работы увеличится. Зарядка считается законченной, когда ток уменьшается примерно до 100 мА. Хорошие результаты после зарядки показывают батареи "VARTA"; "DAEWOO". Свой приемник я давно питаю только такими батарейками, и их емкости хватает на 3...6 часов непрерывной работы. Плохо переносят "лавинную" зарядку аккумуляторы для фонаря (Д-0,26), различные "таблеточные" элементы для часов и игр. Они раздуваются и выходят из строя.

Автор: В.МАМОНОВ, г.Ставрополь


Добавил:  Павел (Admin)  
Автор:  В.МАМОНОВ, г.Ставрополь 

Вас может заинтересовать:

  1. Cтабилизированный источник питания 0...30v
  2. Радиолюбительский блок питания
  3. Блок питания 0 … 30 в / 5А с цифровой индикацией напряжения и тока
  4. Индикатор тока заряда
  5. Основные типы и критерии выбора источников питания для радиоэлектронной аппаратуры


    © PavKo, 2007-2018   Обратная связь   Ссылки views: 1528 -- users: 1464 -- web3   Яндекс.Метрика