Портал для радиолюбителей
   Простой импульсный источник питания 5 В, 4А
    Главная -> Статьи -> Блоки питания, зарядные устройства -> Простой импульсный источник питания 5 В, 4А


<< Назад в раздел   Распечатать Дата добавления: 2008-07-16 | Просмотров: 13422

    В статье описан несложный и недорогой сетевой блок питания с выходным напряжением 5 В и током нагрузки до 4 А.


    Источник питания представляет собой однотактный обратноходовый преобразователь напряжения с самовозбуждением. Отличительная особенность предлагаемого устройства — отсутствие специализированных микросхем, простота и дешевизна в изготовлении.

Основные технические характеристики
Максимальная выходная мощность, Вт20
Выходное напряжение, В5
Максимальный ток нагрузки, А4
Интервал входного напряжения сети, В187...242
Частота входного напряжения, Гц50
Нестабильность выходного напряжения, %, не более2
Амплитуда пульсаций, %1
Интервал рабочей температуры, °С-40...+70
Габариты, мм80x65x20
Масса с теплоотводом, г120

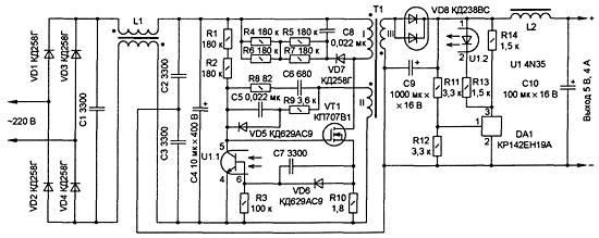
    Схема устройства показана на рисунке 1. Источник питания содержит сетевой выпрямитель VD1—VD4, по-мехоподавляющий фильтр L1C1—СЗ, преобразователь на коммутирующем транзисторе VT1 и импульсном трансформаторе Т1, выходной выпрямитель VD8 с фильтром C9C10L2 и узел стабилизации, выполненный на стабилизаторе DA1 и оптроне U1.

Принципиальная схема устройства; Увеличить в новом окне

Рис.1. Принципиальная схема устройства

    Устройство работает следующим образом. После включения источника питания приоткрывается коммутирующий транзистор VT1 и по первичной обмотке импульсного трансформатора Т1 начинает протекать ток. В обмотке обратной связи II трансформатора наводится ЭДС, которая по цепи положительной обратной связи — резистор R9, диод VD5, конденсатор С5 поступает на затвор полевого транзистора VT1. В результате чего развивается лавинообразный процесс, приводящий к полному открыванию коммутирующего транзистора. Начинается накопление энергии в трансформаторе Т1. Ток через коммутирующий транзистор VT1 линейно нарастает, а напряжение с датчика тока— резистора R10 через диод VD6 и конденсатор С7 воздействует на базу фототранзистора оптрона U1.1, приоткрывая его, из-за чего уменьшается напряжение на затворе полевого транзистора. Начинается обратный процесс, приводящий к закрыванию коммутирующего транзистора VT1. В этот момент открывается диод VD8 и энергия, накопленная в трансформаторе Т1, передается в конденсатор выходного фильтра С9.

    Когда выходное напряжение по какой-либо причине превысит номинальное значение, стабилизатор DA1 откроется и через него и последовательно включенный излучающий диод оптрона U1.2 начинает протекать ток. Излучение диода приводит к более раннему открыванию транзистора оптрона, в результате чего время открытого состояния коммутирующего транзистора уменьшается, энергии в трансформаторе запасается меньше, а следовательно, выходное напряжение уменьшается.

    Если же выходное напряжение понижается, ток через излучающий диод оптрона уменьшается, а транзистор оптрона закрывается. В результате время открытого состояния коммутирующего транзистора увеличивается, энергии в трансформаторе запасается больше и выходное напряжение восстанавливается.

    Резистор R3 необходим для уменьшения влияния темнового тока транзистора оптрона и улучшения термостабильности всего устройства. Конденсатор С7 повышает устойчивость работы источника питания. Цепь C6R8 форсирует процессы переключения транзистора VT1 и увеличивает КПД устройства.

    По приведенной схеме были изготовлены несколько десятков источников питания с выходной мощностью 15...25 Вт.

    На месте коммутирующего транзистора VT1 можно использовать как полевые, так и биполярные транзисторы, например, серий 2Т828, 2Т839, КТ872, КП707, BUZ90 и т. д. Транзисторный оптрон 4N35 заменим любым из серий АОТ110, АОТ126, АОТ128, а стабилизатор КР142ЕН19А — TL431. Однако лучшие результаты получились с импортными элементами (BUZ90, 4N35, TL431).

    Все резисторы в источнике питания — для поверхностного монтажа типоразмера 1206 мощностью 0,25 Вт, конденсаторы С1 —СЗ, С8 — К10-47в на напряжение 500 В, С5—С7 — для поверхностного монтажа типоразмера 0805, остальные — любые оксидные.

    Трансформатор Т1 наматывают на двух, сложенных вместе, кольцевых магнитопроводах К19x11x6,7 из пермаллоя МП 140. Первичная обмотка содержит 180 витков провода ПЭВ-2 0,35, обмотка II — 8 витков провода ПЭВ-2 0,2, обмотка III на выходное напряжение 5В — 7 витков из пяти проводников ПЭВ-2 0,56. Порядок намотки соответствует их нумерации, причем витки каждой обмотки необходимо равномерно распределить по всему периметру магнитопровода.

    Дроссели L1 и L2 выполнены на кольцевых магнитопроводах К15x7x6,7 из пермаллоя МП140. Первый содержит две обмотки по 30 витков в каждой, намотанных проводом ПЭВ-2 0,2 на разных половинах магнитопровода, второй наматывают проводом ПЭВ-2 0,8 в один слой по всей длине магнитопровода сколько уместится.

    Чтобы уменьшить пульсации выходного напряжения, общую точку конденсаторов С2 и СЗ сначала следует соединить с минусовым выводом конденсатора С10, а затем с остальными деталями — обмоткой III трансформатора Т1, минусовым выводом конденсатора С9, резистором R12 и выводом 2 стабилизатора DA1.

    Устройство собрано на печатной плате размерами 80x60 мм. На одной стороне платы расположены печатные проводники и элементы для поверхностного монтажа, а также коммутирующий транзистор VT1 и диод VD8, которые прижаты к алюминиевой пластине—теплоотводу таких же размеров, а на другой — все остальные.

    Первое включение прибора лучше производить от источника питания с ограничением тока, например, Б5-50, причем подавать следует сразу рабочее напряжение, а не повышать его постепенно. Налаживание устройства заключается в подстройке выходного напряжения делителем R11R12 и, если необходимо, установке датчиком тока R10 порога ограничения выходной мощности (начала резкого падения выходного напряжения при увеличении тока нагрузки).

    Для получения другого выходного напряжения нужно пропорционально изменить число витков обмотки III трансформатора Т1 и коэффициент деления делителя R11R12.

    При эксплуатации устройства следует помнить, что его минусовый вывод гальванически связан с сетью.

Автор: М.ДЫЦКОВ, г. Жуков


Добавил:  Павел (Admin)  
Автор:  М.ДЫЦКОВ, г. Жуков 

Вас может заинтересовать:

  1. Автоматическое "интеллектуальное" зарядное устройство
  2. Двуполюсный ГСТ
  3. Двуполярный источник питания с выходным напряжением 12,6 В
  4. Источники питания на основе высокочастотного импульсного преобразователя
  5. Герметичные свинцово-кислотные аккумуляторы в радиолюбительской практике


    © PavKo, 2007-2018   Обратная связь   Ссылки views: 11121 -- users: 10955 -- web3   Яндекс.Метрика