Портал для радиолюбителей
   Простейшие схемы источников питания для различной аппаратуры
    Главная -> Статьи -> Блоки питания, зарядные устройства -> Простейшие схемы источников питания для различной аппаратуры


<< Назад в раздел   Распечатать Дата добавления: 2008-08-04 | Просмотров: 15240

Здесь много схем на недорогой элементной базе. Блоки питания, преобразователи и все такое.

1.Схема зарядного устройства от аккумуляторного фонаря (опасно для аккумуляторов).

2.Стабилизатор напряжения на ПТ.

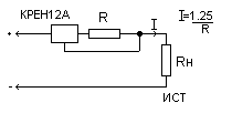
3.Источники стабильного тока.

4.Источник тока.

5.Стабилизатор напряжения.

6.Источник тока.

7.Двухполюсный источник тока.

8.Источники стабильного тока.

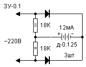
9.Зарядное устройство.

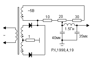
10.Преобразователь напряжения.

11.Очень хорошее зарядное устройство.

12.Вариант замены высоковольтного стабилитрона.

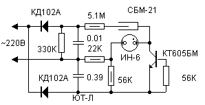
13.Простой индикатор радиационной опасности.

14.Зарядное устройство.

15.Преобразователь напряжения.

16.Источник стабильного тока.

17.Аналог стабилитрона.

18.Стабилизатор напряжения с ограничением тока - источник тока.

19.Стабилизатор напряжения для зарядного устройства на солнечной батарее.

20.Компенсация пульсаций в блоке питания.

21.Зарядное устройство с питанием от свободной энергии.

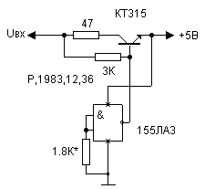
22.Стабилизатор напряжения на логическом элементе.

23.Простой источник стабильного тока.

24.Импульсный стабилизатор конденсаторного БП.

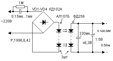
25.Бестрансформаторный источник питания часов на оптронах.

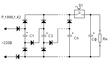
26.Структурная схема конденсаторного преобразователя напряжения с умножением тока.

27.Ёмкостный преобразователь напряжения.

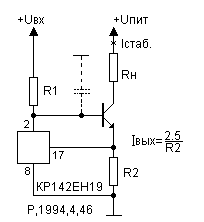
28.Источник тока на интегральном стабилитроне.


Добавил:  Павел (Admin)  
Автор:  Неизвестно 

Вас может заинтересовать:

  1. Регуляторы мощности для активной нагрузки
  2. Комбинированный регулятор мощности
  3. Плавный пуск импульсных и трансформаторных блоков питания
  4. Простейший аналог стабилитрона
  5. Герметичные свинцово-кислотные аккумуляторы в радиолюбительской практике


    © PavKo, 2007-2018   Обратная связь   Ссылки views: 15356 -- users: 15063 -- web3   Яндекс.Метрика