Портал для радиолюбителей
   Блок индикации источника питания
    Главная -> Статьи -> Блоки питания, зарядные устройства -> Блок индикации источника питания


<< Назад в раздел   Распечатать Дата добавления: 2008-08-04 | Просмотров: 9695




Рис.1 Принципиальная схема блока индикации

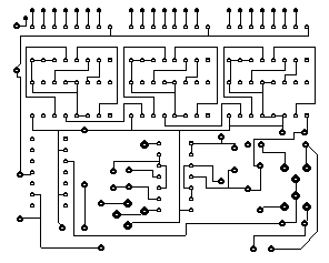
Топология печатной платы блока индикации источника питания.





Размеры печатной платы даны в натуральную величину. В масштабе 1:1.
Резистор Rh нужен для постоянного свечения сегмента H HG2, а точнее запятой. На вход IN подается через резистор 3,5М (в авторском варианте это два резистора номиналами 2,4М и 1,1М) напряжение с выхода блока питания. Питается блок индикации стабилизированным напряжением 9В. Резистор R5 многооборотный, типа СП5. Его корпус приклеивается к плате клеем "МОМЕНТ" и соединяется гибким проводом с точками R5 на плате. Светодиодные индикаторы типа АЛС321А (с общим катодом).

С уважением,
Анатолий Николаевич Патрин.
г.Кирсанов, Тамбовская обл.
Mailto: patrin@tamb.ru

Источник: www.evm.wallst.ru


Добавил:  Павел (Admin)  
Автор:  Анатолий Николаеви Патрин, г.Кирсанов, Тамбовская обл. (E-mail: patrin@tamb.ru) 

Вас может заинтересовать:

  1. Зарядное устройство для Ni-Cd и Ni-MH аккумуляторов. Очень простое
  2. Коллекция схем умножителей напряжения
  3. Универсальное зарядное устройство СЦ-21, СЦ-32, Д-0,06, Д-0,1, Д-0,25, Д-0,55, 7Д-0,115, 316, 332, 3336
  4. Блок питания 13,8В 25-30А для современного КВ трансивера
  5. Универсальный выпрямитель для зарядки аккумуляторов с электронным регулированием


    © PavKo, 2007-2018   Обратная связь   Ссылки views: 1524 -- users: 1510 -- web3   Яндекс.Метрика