Портал для радиолюбителей
   Простой метод повышения стабильности ГПД
    Главная -> Статьи -> Радиоспорт, любительская радиосвязь -> Простой метод повышения стабильности ГПД


<< Назад в раздел   Распечатать Дата добавления: 2008-11-12 | Просмотров: 22111

Радиохобби 4/2008

Владислав Артеменко (UT5UDJ), г.Киев

Созданию высокостабильных ГПД посвящено большое число работ. В настоящее время можно выделить две тенденции в решении проблемы нестабильности частоты колебаний ГПД: с помощью цифровых синтезаторов частоты (ЦСЧ), а также дальнейшим совершенствованием различных простых LC ГПД ранее хорошо зарекомендовавших себя на практике.

Поскольку в радиолюбительском конструировании приемопередающей аппаратуры достаточно часто предпочтение отдается именно простым и надежным схемам ГПД (имеется ввиду схема задающего генератора ГПД), остановимся на методах повышения их стабильности. Стабильность частоты таких ГПД зависит прежде всего от качества исполнения колебательной системы задающего генератора (ЗГ) ГПД, т.е. от качества LC контура. Но поскольку колебательная система ГПД и так изначально выполняется с предельной тщательностью, то, по-видимому, следует искать и другие пути повышения стабильности.

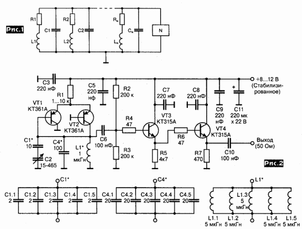
Один из таких путей - использование в генераторе нескольких колебательных контуров. Однако, как известно, в многоконтурном генераторе в самом общем случае при соблюдении ряда условий возможно возникновение многочастотного режима работы, который для ЗГ ГПД неприемлем. Вместе с тем, как показали исследования автора, многоконтурный генератор (рис.1) при соблюдении условия R1=R2=...=RN=0 и использовании в качестве нелинейного элемента негатрона генерирует на одной частоте, что крайне важно с точки зрения создания требуемого ЗГ ГПД.

image

Поскольку речь идет об обычных LC автогенераторах в состава ГПД, такое "запараллеливание" ряда LC контуров преследует определенную цель. Как показывает практика, нестабильность частоты генерируемых колебаний a LC генераторах обусловлена нестабильностью (изменением) емкости и индуктивности, т.е. элементов колебательного контура под действием изменяющихся внешних условий (в первую очередь - температуры окружающей среды). Опыт свидетельствует, что даже небольшое изменение температуры среды приводит к некоторому изменению значений L и С колебательного контура, в результате чего и частота ГПД также изменяется.

Но если конденсатор колебательного контура (постоянный конденсатор) собрать путем -запараллеливания- из конденсаторов с различными ТКЕ. то в результате можно получить такой конденсатор, емкость которого от температуры зависеть практически не будет. То же можно сказать и о катушке индуктивности. Таким образом, используя для построения LC контура различные типы конденсаторов (кроме блокировочных и им подобных) и различно выполненные катушки индуктивности (варьировался тип провода, каркас и пр.), автор увеличивал таким образом стабильность частоты генерируемых колебаний ГПД (иногда на порядок или даже более!).

В результате такой ГПД уже в полной мере может удовлетворять современным требованиям к приемопередающей аппаратуре.

Практически более 5...10 "запараллеленных" катушек индуктивности и такого же количества конденсаторов в ГПД по конструктивным и габаритным соображениям устанавливать нецелесообразно (хотя с точки зрения теории их увеличение должно приводить к повышению стабильности частоты генерируемых колебаний). Однако и такого количества L и C вполне хватает для заметного увеличения стабильности ЗГ ГПД!

Такой подход к решению проблемы повышения стабильности ГПД был успешно реализован автором на практике. На рис.2 представлена исходная, выполненная практически, схема ГПД в которой для ЗГ использован нелинейный элементна VТ1VТ2 (негатрон с ВАХ соответствующего типа [1]). Используя идею, изложенную выше, выполнена трансформация исходной схемы в части C1*, C4* и L1*.

Для расчета необходимых составных конденсаторов и индуктивностей использовались известные формулы для определения результирующих значений их параллельного соединения. Вначале было отобрано определенное количество специально предназначенных для частотозадающих цепей ГПД конденсаторов и индуктивностей с требуемыми согласно расчетам значениями и далее их соединяли параллельно согласно рис.2. Затем, придерживаясь общепринятой методики, «упаковали» такой ГПД и после 30-минутного прогрева проводили замер частоты через определенные промежутки времени. Если получалась недостаточная стабильность по сравнению с требуемой или с предыдущим вариантом, полностью меняли все детали колебательного контура на другие из числа предварительно отобранных (с теми же номиналами) и вновь повторяли указанные операции. Для более тщательной термокомпенсации на финальных стадиях возможно придется заменить только определенные конденсаторы, при этом надо иметь их достаточное количество, и с разными ТКЕ. Обычно 3...4 попытки (по опыту автора) уже приводят к хорошей стабильности ГПД.

В результате проведенной трансформации частотозадающей цепи для данной схемы стабильность частоты возросла в 7-10 раз! Понятно, что при такой трансформации значение постоянной времени (произведение LC) колебательной системы не должно изменяться.

Литература

1. Молотков В.И., Зайцев М.Л. Вольт-амперные характеристики негаваристора - «Радиотехника», 1987, №7, с.21-24.


Добавил:   ()  
Автор:  Владислав Артеменко (UT5UDJ) 

Вас может заинтересовать:

  1. ВЫСОКОЧАСТОТНЫЕ НАВОДКИ В РАДИОЛЮБИТЕЛЬСКОЙ ПРАКТИКЕ
  2. Пробуем работать APRS через сервер в INTERNET
  3. СОЛНЕЧНАЯ АКТИВНОСТЬ И СВЕРХДАЛЬНИЙ ПРИЕМ ТЕЛЕВИДЕНИЯ
  4. Простой метод повышения стабильности ГПД
  5. ВЫБОР ПРОМЕЖУТОЧНОЙ ЧАСТОТЫ


    © PavKo, 2007-2018   Обратная связь   Ссылки views: 1959 -- users: 1812 -- web3   Яндекс.Метрика