Портал для радиолюбителей
   QRP-усилитель мощности
    Главная -> Статьи -> Радиоспорт, любительская радиосвязь -> QRP-усилитель мощности


<< Назад в раздел   Распечатать Дата добавления: 2011-03-06 | Просмотров: 19309

Двухтактный усилитель мощности предназначен для использования в QRP-аппаратуре, работающей на низкочастотных KB диапазонах (1,8— 10,1 МГц). В нём применены недорогие полевые транзисторы с изолированным затвором IRF510. Усилитель разработал австралийский коротковолновик Drew Diamond (VK3XU). Описание усилителя было опубликовано в The Radio Communication Handbook (RSGB).

На диапазонах 1,8—7 МГц усилитель обеспечивает выходную мощность 5 Вт (CW) и 6 Вт (SSB, PEP) при входной мощности 100 мВт. На диапазоне 10,1 МГц эти параметры обеспечены при входной мощности 300 мВт. Измеренные на двухтональном сигнале интермодуляционные искажения — не хуже -30 дБ по отношению к несущей. Подавление гармонических составляющих в выходном сигнале — не хуже -50 дБ по отношению к несущей.

Усилитель отличается высокой надёжностью, не возбуждается при любом значении КСВ нагрузки и при полной выходной мощности выдерживает замыкание выхода.

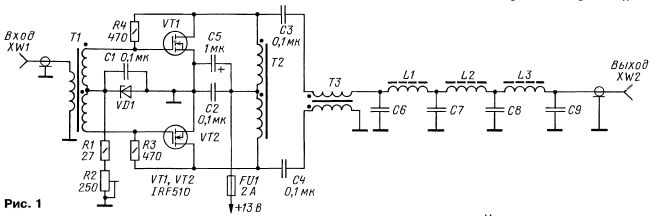
Схема усилителя показана на рис. 1. Противофазные сигналы на затворах полевых транзисторов VT1 и VT2 обеспечивает трансформатор Т1. Отрицательная обратная связь через резисторы R3 и R4 стабилизирует работу усилителя и расширяет его рабочую частотную полосу. Напряжение питания на стоки транзисторов усилителя подается через симметрирующий трансформатор Т2. Выходной сигнал поступает на BALUN (трансформатор ТЗ) и далее на выход через ФНЧ L1-L3C6-C9.

В цепь, задающую напряжение смещения на затворах транзисторов усилителя, включен стабилитрон VD1 на напряжение стабилизации 3,3 В. Однако основное его назначение — не стабилизация напряжения, а регулирование напряжения смещения в зависимости от температуры теплоотводов транзисторов усилителя. При повышении температуры напряжение смещения уменьшается, снижая ток покоя через транзисторы. Стабилитрон VD1 установлен так, чтобы был обеспечен тепловой (но не электрический!) контакт с теплоотводами. Для этого использована теплопроводящая паста.

Напряжение питания усилителя — 13 В. Начальный ток покоя транзисторов устанавливают в пределах 200...300 мА подстроечным резистором R2. Ток, потребляемый усилителем от источника питания, при входной мощности 100 мВт и подключенном к его выходу эквиваленте антенны сопротивлением 50 Ом должен быть близок к 1 А. Корректновыбранные по размерам теплоотводы после нескольких минут работы должны нагреваться до приемлемой (по касанию рукой) температуры.

Усилитель мощности собран на печатной плате из фольгированного с обеих сторон стеклотекстолита толщиной 2 мм. Чертеж платы изображен на рис. 2. С одной стороны платы вырезаны монтажные площадки, к которым припаивают выводы всех элементов усилителя. Вторая сторона платы, используемая как общий провод и экран, соединена с рабочей стороной в нескольких точках, обозначенных буквами X.

Трансформаторы Т1—ТЗ намотаны на кольцевых магнитопроводах фирмы Amidon FT50-43 типоразмера 12,7x7,15x4,9 из феррита с начальной магнитной проницаемостью 850. Все обмотки содержат по 11 витков провода диаметром 0,5 мм у Т1 и диаметром 0,64ммуТ2иТЗ.

Индуктивность, число витков катушек и емкость конденсаторов выходного ФНЧ для различных диапазонов указаны в таблице. Катушки намотаны проводом диаметром 0,64 мм на кольцевых магнитопроводах из карбонильного железа фирмы Amidon T68-2 типоразмера 17,5x9,4x4,8. Феррито-вые магнитопроводы здесь неприменимы, поэтому в отсутствие колец из карбонильного железа катушки можно выполнить бескаркасными. В этом случае придётся, по-видимому, несколько увеличить размеры платы, чтобы разместить на ней такой ФНЧ.

Оксидный конденсатор С5 — тантаповый на номинальное напряжение не менее 25 В Остальные — керамические. При отсутствии кон-

Диапазон, МГц

Емкость конденсаторов, пФ

Индуктивность катушек L1— L3, мкГн/число витков

С6,С9

С7,С8

1,8

1800

3300

4,7/25

3,5

820

1800

2,2/17

7

440

820

1,1/12

10,1

220

440

0,55/8

денсаторов фильтра нужной емкости их можно набирать из нескольких. Тип стабилитрона в первоисточнике не указан. Плата, чертеж которой изображен на рис. 2, соответствует однодиапазонно-му варианту усилителя мощности. В многодиапазонной конструкции на плате устанавливают ФНЧ только для самого высокочастотного диапазона, а детали ФНЧ остальных диапазонов монтируют отдельно с соответствующими элементами коммутации


Добавил:  Павел (Admin)  
Автор:  Материал подготовил Б. СТЕПАНОВ (Радио №3, 2011 год) 

Вас может заинтересовать:

  1. ПЕЛЕНГАЦИЯ МАГНИТНОЙ АНТЕННОЙ
  2. СЛОВЕСНЫЕ ВЫРАЖЕНИЯ КОДА МОРЗЕ
  3. Отправка электронной почты по радиоэфиру из APRS-сети
  4. ВЫСОКОЧАСТОТНЫЕ НАВОДКИ В РАДИОЛЮБИТЕЛЬСКОЙ ПРАКТИКЕ
  5. "Лунный эффект" на 80 м


    © PavKo, 2007-2018   Обратная связь   Ссылки views: 1533 -- users: 1440 -- web3   Яндекс.Метрика