Портал для радиолюбителей
   Играющие огни
    Главная -> Статьи -> Цветомузыкальные установки -> Играющие огни

govoritel.ru отзывы

<< Назад в раздел   Распечатать Дата добавления: 2007-10-08 | Просмотров: 11993

Большинство переключателей гирлянд, имитирующих эффект “бегущий огонь”, работает с постоянной частотой. Это быстро утомляет зрение. Предлагается построить автоматическое устройство с нарастающей частотой переключения. Для расширения его возможностей дополнительно введен ручной режим, обеспечивающий переключение гирлянд с постоянной частотой.

На микросхеме DD1 (рис. 1) и транзисторах VT1, VT2 выполнены два генератора: управляемый и управляющий. Первый, собранный на элементах DD1.1 и DD1.2, вырабатывает прямоугольные импульсы низкой частоты, которые интегрируются цепочкой R5C5 и усиливаются транзистором VT3. Полученные таким образом импульсы пилообразной формы и большой длительности через транзисторный оптрон Y1 изменяют частоту управляемого генератора на элементах DD1.3, DD1.4. Чем выше напряжение на выходе интегрирующей цепи, тем больше частота на выходе управляемого генератора зависит от линейно-нарастающего напряжения, полученного на выходе транзистора VT3. Резистор R4 служит для изменения скорости нарастания пилообразного напряжения, а резистор R9 — для регулирования частоты управляемого генератора. Переключателем SA1 осуществляется перевод блока управления с автоматического режима на ручной. С выхода элемента DD1.4 сигнал поступает на распределитель импульсов и делитель частоты.

Принципиальная схема устройства управления.

Распределитель импульсов выполнен на микросхемах DD4 и DD5. С выводов 11 и 12 счетчика-делителя DD4 импульсы поступают на входы элемента сравнения микросхемы DD5. Если импульсы низкого уровня, на выходе DD5 присутствует высокий логический уровень. В остальных случаях на выходе DD5 будет низкий уровень. Полученные импульсы поступают на блок управления тиристором (БУТ). Переключателем SA7 осуществляется реверс “бегущих огней”.

На микросхемах DD2, DD3 выполнен делитель частоты на 2, 4, 8, 16. С его выхода импульсы поступают на вход 4 БУТ, предназначенный для дополнительного освещения елки в определенные промежутки времени. Переключатели SA2—SA5 служат для выбора коэффициента деления частоты, SA6 переключает четвертую гирлянду на постоянное напряжение.

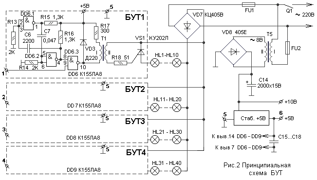
Принципиальная схема блока управления тиристорами (БУТ) представлена на рисунке 2. На микросхеме DD6 выполнен несимметричный мультивибратор прямоугольных импульсов, выход которого связан со входом (вывод 8) элемента DD6.3, выполняющего роль электронного ключа. Если на выводе 9 DD6.3 присутствует логическая 1, то через обмотку 1 импульсного трансформатора Т1 протекают импульсы тока, наводящие во вторичной обмотке ЭДС, которая открывает тринистор VS1. Т1 предназначен для гальванической развязки устройства управления с силовой частью тринистора.

Схема блока управления тиристорами (БУТ)

  • В качестве источника питания можно использовать любой стабилизированный выпрямитель с выходным напряжением +5 В и током нагрузки около 300 мА.
  • В автоматическом переключающем устройстве применены постоянные резисторы МЛТ-0,125 или МЛТ-0,25, переменные СПО-0,5. Конденсаторы блоков управления и питания — К50-6, БУТ — КМ-6а. Возможная замена: VT1—VT3 — КТ315с любым буквенным индексом.
  • Микросхемы серии 155 можно заменить на аналогичные серий: 133, 134, 531, 555. Силовые тиристоры КУ201К должны быть выбраны на напряжение не менее 300 В (КУ201К, КУ201Л, КУ202К, КУ202Л, КУ202М, КУ202Н).
  • Импульсный трансформатор Т1 намотан на ферритовом кольце К20-12-6 проводом ПЭЛШО 0,25. Первичная обмотка имеет 40 витков, вторичная — 50. Обмотки должны быть хорошо изолированы друг от друга лакотканью или другим изолирующим материалом.
  • Для гирлянд можно использовать лампочки на 13,5 В или на 24 В.
  • Блок управления и БУТ собраны на печатной плате размером 130 х 125 мм, изготовленной из двухстороннего фольгированного стеклотекстолита толщиной 2 мм. Схема расположения деталей - здесь, рисунок печатной платы - здесь.
  • Силовая часть смонтирована на текстолитовой плате размером 90 х 100 мм. Плата силовой части крепится с помощью стоек высотой 20 мм поверх печатной платы.

Переключатели, переменные резисторы R4, R9 установлены на лицевой панели из алюминия толщиной 2— 3 мм. Корпус размером 150 х 160 х 90 мм выполнен из фанеры толщиной 10 мм и обклеен декоративной пленкой “под дерево”.

В. БОЛОТОВ,
Моделист-Конструктор, 11/1986г.


Добавил:  Павел (Admin)  
Автор:  В. БОЛОТОВ, Моделист-Конструктор, 11/1986г. 

Вас может заинтересовать:

  1. Цветомузыкальная установка с применением активных фильтров на транзисторах
  2. Простая цветомузыкальная приставка на тиристорах
  3. Суперминиатюрный бегущий огонек на пяти светодиодах
  4. Расширение возможностей СДУ
  5. Компрессор сигнала на ОУ


    © PavKo, 2007-2018   Обратная связь   Ссылки views: 1800 -- users: 1660 -- web3   Яндекс.Метрика