Портал для радиолюбителей
   Схемы 2-х китайских приемников
    Главная -> Статьи -> Радиоприемники -> Схемы 2-х китайских приемников

Купить масло мге 10а лукойл мге 10а цена на гидравлическое масло.

<< Назад в раздел   Распечатать Дата добавления: 2010-12-24 | Просмотров: 61999

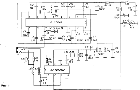
Очень часто в продаже можно встретить миниатюрные FM-приемники китайского производства размерами немногим больше спичечного коробка. Такие приемники помимо малых габаритов отличает электронная автоматическая настройка на радиостанции с помощью двух кнопок: RESET и SCAN. Несмотря на обилие внешнего оформления и торговых названий, все эти приемники собраны на аналогах известной микросхемы TDA7088 [1, 2] фирмы Philips, которая обеспечивает автоматическую настройку, обнаружение станции и остановку сканирования. В статье рассмотрены две типовые схемы таких радиоприемников и варианты их модернизации: введение диапазона УКВ 64...74 МГц и стереодекодера. Обозначение радиоэлементов приведены в соответствии с маркировкой на печатных платах. Необходимо обратить внимание, что номиналы некоторых конденсаторов отличаются от стандартного отечественного ряда. Электрическая принципиальная схема радиоприемника "PALITO РА-993" приведена на (рис.1).

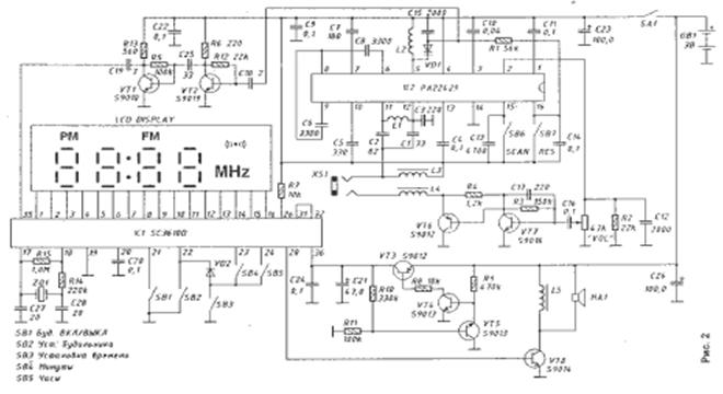
Главный тракт приема собран на микросхеме IC1 SC1088 (аналог TDA7088), выполненной в шестнадцативыводном миниатюрном корпусе для поверхностного монтажа. Усилитель звуковой частоты собран на микросхеме IC2 TDA2822 по мостовой схеме. На корпусе приемника расположены две кнопки настройки, светодиод индикатора включения питания, малогабаритная динамическая головка, регулятор громкости, совмещенный с выключением питания и разъем для наушников. При прослушивании программ на встроенную динамическую головку ВА1 в качестве антенны применяется отрезок провода со специальным штекером, включенный в разъем для наушников ХС1. Сигнал, принятый антенной, поступает на входной широкополосной контур L1, С1 ...СЗ и далее на вход УРЧ - вывод 11 микросхемы IC1. Усиленный сигнал радиочастоты и сигнал гетеродина, контуром которого является L2, С13, VD1, подключенные к выводу 5, поступают на смеситель внутри микросхемы. Сигнал ПЧ 70 кГц выделяется полосовым фильтром, пассивными элементами коррекции которого являются конденсаторы С11, С12, и поступает на вход усилителя-ограничителя - вывод 9. Конденсаторы С4, С6 являются элементами коррекции усилителя-ограничителя, с вы- хода которого сигнал поступает на ЧМ-демодулятор. Демодулированный сигнал, пройдя через фильтр НЧ-коррек-ции, внешним элементом которого является конденсатор С14, поступает на схему блокировки звука при настройке, режимом работы которой можно управлять изменением емкости конденсатора С8. В состав микросхемы входит триггер автоматической настройки на станцию. При нажатии на кнопку SB2 RESET на выводе 16 устанавливается напряжение питания, которое начинает плавно уменьшаться, соответственно изменяется напряжение на варикапе VD1 и происходит перестройка частоты вверх по диапазону. При попадании в полосу захвата частоты сигнала радиостанции перестройка прекращается. Для дальнейшей перестройки по диапазону необходимо нажать кнопку SB1 SCAN. Сигнал звуковой частоты с вывода 2 проходит через регулятор громкости "VOL" и поступает на вход усилителя звуковой частоты IC2. Конденсаторы С9, С15 ограничивают спектр де-модулированного сигнала для снижения уровня шума. Дроссели L3, L4 служат для развязывания высокочастотного и низкочастотного сигналов при прослушивании приемника на наушники. Определенный интерес представляет радиоприемник "PALITO РА-218" (рис.2), который при таких же размерах как у предыдущей модели, содержит цифровой индикатор настройки на ЖКИ и электронные часы с будильником.

Радиоприемная часть собрана на микросхеме IC2 РА22429 (также аналог TDA7088), схема которой практически полностью идентична описанной выше. Усилитель звуковой частоты собран на транзисторах VT6, VT7. Прослушивание радиостанций возможно только на наушники, провод которых используется в качестве антенны. Дроссели L3, L4 выполняют такую же роль, как и в предыдущей схеме. Микросхема IC1 SC3610D содержит в себе все необходимые узлы для построения цифровой шкалы и электронных часов. Сигнал гетеродина с варикапа VD1 поступает на вход высокочастотного усилителя на транзисторах VT1, VT2 и далее на вывод 35 - вход цифрового индикатора частоты настройки. При низком уровне на выводе 26 микросхема работает в режиме часов, при высоком уровне - в режиме цифровой шкалы. Для управления часами используют пять кнопок:
SB1 - включение звонка;
SB2 - настройка времени звонка;
SB3 - настройка текущего времени;
SB4 - подстройка минут;
SB5 - подстройка часов.
Для настройки необходимо нажать на кнопку SB2 или SB3 и удерживая ее, кнопками SB4 или SB5 установить необходимое время. С вывода 28 сигнал будильника поступает на транзистор VT8, нагрузкой которого является дроссель L5 и пьезокерамический звукоизлучатель НА1. На транзисторах VT1...VT5 собрана схема защиты микросхемы IC1 от неправильной полярности источника питания.
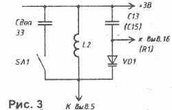
Схема введения диапазона УКВ 64...74 МГц изображена на рис.3.


Добавил:  Павел (Admin)  
Автор:  Неизвестно 

Вас может заинтересовать:

  1. Тракт ПЧ ЧМ автомагнитолы на микросхемах
  2. УКВ ЧМ приемник на КХА060
  3. Улучшение приема FM радиовещания
  4. Диодный радиоприемник на 65...130 МГц
  5. Цифровой FM стерео приемник 60-110 МГц с микропроцессорным управлением (конструкция 2)


    © PavKo, 2007-2018   Обратная связь   Ссылки views: 5138 -- users: 4082 -- web3   Яндекс.Метрика