Портал для радиолюбителей
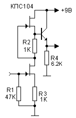
   Усилитель с эмиттерным повторителем в качестве буферного каскада
    Главная -> Статьи -> Схемные решения -> Усилитель с эмиттерным повторителем в качестве буферного каскада


<< Назад в раздел   Распечатать Дата добавления: 2010-12-25 | Просмотров: 6872


Добавил:  Павел (Admin)  
Автор:  Азбука транзисторной схемотехники А.Петров, г.Могилёв (РЛ,1994,4..12) 

Вас может заинтересовать:

  1. Эмиттерный повторитель с повышенным быстродействием
  2. Составной транзистор со следящей связью в цепи базы
  3. Каскод с коэффициентом усиления 50 и с полосой пропускания 0...1 мГц
  4. Микрофонный усилитель с использованием в качестве микрофона низкоомной динамической головки
  5. Применение каскада с ОБ для детектирования АМ сигналов


    © PavKo, 2007-2018   Обратная связь   Ссылки views: 5062 -- users: 4905 -- web3   Яндекс.Метрика