Портал для радиолюбителей
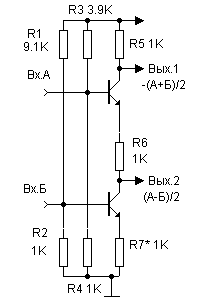
   Простое устройство сложения и вычитания двух сигналов
    Главная -> Статьи -> Схемные решения -> Простое устройство сложения и вычитания двух сигналов


<< Назад в раздел   Распечатать Дата добавления: 2010-12-25 | Просмотров: 6318

При подаче одинаковых сигналов на вых.2 напряжение должно птсутствовать, в противном случае нужно подобрать резистор R7.


Добавил:  Павел (Admin)  
Автор:  Азбука транзисторной схемотехники А.Петров, г.Могилёв (РЛ,1994,4..12) 

Вас может заинтересовать:

  1. Высоколинейный эмиттерный повторитель с высокой нагрузочной способностью
  2. Повторитель на составном транзисторе Шиклаи
  3. Микрофонный усилитель с использованием в качестве микрофона низкоомной динамической головки
  4. Частотнозависмый усилитель на каскаде ОБ в сочетании с ОЭ
  5. Каскад с эмиттерной стабилизацией с помощью ООС по току


    © PavKo, 2007-2018   Обратная связь   Ссылки views: 1629 -- users: 1536 -- web3   Яндекс.Метрика