Портал для радиолюбителей
   Беглый светодиодный огонь (вариант1)
    Главная -> Статьи -> Цветомузыкальные установки -> Беглый светодиодный огонь (вариант1)


<< Назад в раздел   Распечатать Дата добавления: 2007-10-08 | Просмотров: 10686

В смысле не сбежавший, а бегающий.

Речь пойдёт о нескольких несложных схемах, которые позволяют реализовать всемирно известный эффект бегущего огонька. Итак, схема первая. Внимание на схему.

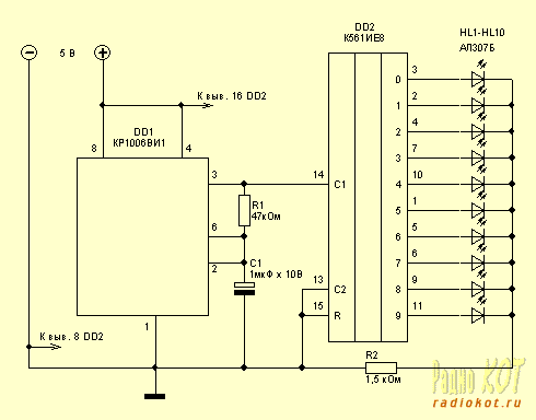
Схема бегущего огня на 8 светодиодов, вариант 1

В этой схеме огонек будет бежать по 10 светодиодам. Используется две микросхемы.

Первая - КР1006ВИ1 играет роль задающего генератора и генерит импульсы с частотой, которая зависит от величины резистора R1 и конденсатора C1. Частоту можно посчитать по формуле
F=1.44/RC
и при указанных на схеме номиналах равна 15 Герцам.

С выхода 3 DD1 импульсы поступают на вход десятичного счетчика DD2, в роли которого выступает К561ИЕ8. С каждым импульсом, счетчик увеличивает свое состояние на 1 и переключает соответствующие выходы. Ну а светодиодам ничего не остается делать, как только включаться и выключаться в зависимости от состояния того или иного выхода.

Если вам кажется, что 10 светодиодов - это очень много, схему можно укоротить, оторвав вывод 15 DD2 от общего провода и прикрутив его к одному из выходов счетчика. Например, если нужно оставить только 5 светодиодов, то 15 вывод DD2 соединяется с 1-ой ногой DD2. Таким образом, дойдя до 5 единиц в своем счете, на шестом шаге, микросхема подаст сигнал высокого уровня - "1" на вход сброса счетчика и его значение обнулится.


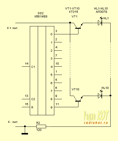
Небольшая неприятность этой простой схемы заключается в том, что нагрузочная способность ИЕ8 весьма невелика и составляет 5-6 мА, поэтому, резистор R2 такой большой величины и яркость светодиодов может оказаться недостаточной. Чтобы обойти эту засаду можно использовать буферные транзисторы между выходами счетчика и светодиодами.
И выглядит это вот таким образом:

Схема бегущего огна на 8 светодиодах с усиленными выходами

Тем самым, применяя транзисторы, которые указаны на схеме, мы можем получить ток 20-30 мА без всяких напрягов и включить даже сверхъяркие светодиоды (5-7 Кд).

Ну а если уж хочется чего то совсем яркого, можно включть вместо светодиодов оптопары, а к ним подключить тиристоры. И тогда беглый огонь можно запустить хоть по 500 ваттным прожекторам.

Ну, пока хватит. В следующей части мы поговорим о каскадном включении микросхемы 561ИЕ8 и запустим огонь по 16 и даже по 18 светодиодам.

И кстати, у микросхем применяемых в этой схеме есть буржуйские аналоги - у КР1006ВИ1 - это известная всей цивилизации микросхема 555, а у К561ИЕ8 - это CD4017, тоже довольно популярная. И что уж совсем хорошо - обе стоят сущие копейки. Правда.

Источник: www.radiokot.ru


Добавил:  Павел (Admin)  
Автор:   

Вас может заинтересовать:

  1. Цветомузыкальная установка с числоимпульсным управлением тринисторами
  2. Снежинка
  3. Праздничные гирлянды
  4. Цветомузыкальная установка с фазоимпульсным управлением
  5. Простой стробоскоп с двумя излучателями


    © PavKo, 2007-2018   Обратная связь   Ссылки views: 1004 -- users: 1000 -- web3   Яндекс.Метрика