Портал для радиолюбителей
   Прибор для проверки и восстановления кинескопов
    Главная -> Статьи -> Телевизионная техника -> Прибор для проверки и восстановления кинескопов


<< Назад в раздел   Распечатать Дата добавления: 2011-10-28 | Просмотров: 9040

Прибор предназначен для проверки и восстановления кинескопов, а также других электронно-лучевых трубок и радиоламп. Он позволяет оценить ток эмиссии электронной пушки, проверить наличие межэлектродных замыканий и утечек в цепях катод - подогреватель, катод - модулятор, ускоряющий электрод - модулятор, ускоряющий электрод - фокусирующий электрод, а также между электродами радиоламп: катод - подогреватель, катод-управляющая сетка, экранная сетка - управляющая сетка, экранная сетка - пентодная сетка. При необходимости указанные комбинации легко заменить на другие.

С помощью прибора можно также частично восстановить эмиссию электронных пушек кинескопов прокаливанием катода (тренировкой) или с помощью разряда конденсатора. Причем восстанавливать эмиссию можно при разных напряжениях накала и при различной мощности разряда. Также можно попытаться устранить утечки и межэлектродные замыкания в цепях ЭЛТ и радиоламп.

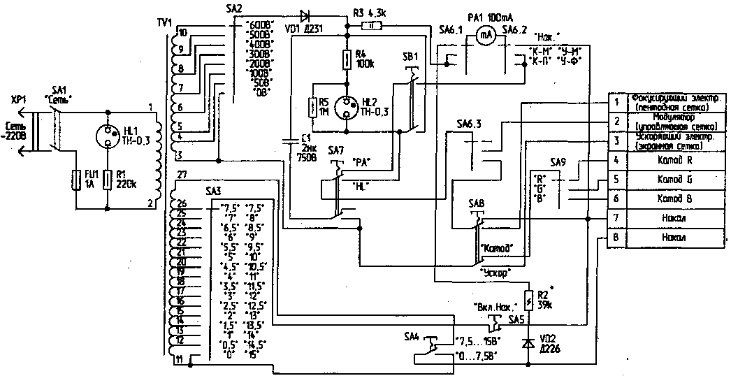
Широкий предел регулировки накала и мощности разряда позволяет работать практически с любыми электровакуумными приборами. Схема прибора приведена на рис.1.

Схема прибора для проверки и восстановления кинескопов

Основным его элементом является сетевой разделительный трансформатор TV1, который позволяет изменять напряжение накала от 0 до 15 В с шагом 0,5 В, а также напряжение на электродах от О до 600 В.

В качестве индикаторов используются неоновая лампочка HL2 и измерительная головка РА1. Лампочка индицирует наличие утечек, коротких замыканий и обрывов в цепях электродов. Ее свечение становится заметным, если сопротивление последовательной цели, в которую она включена, не превышает 15 МОм. При этом к цепи должно быть приложено напряжение 300...350 В.

Измерительный прибор используется как калиброванный индикатор параметров проверяемой ЭЛТ, а также в качестве индикатора напряжения накала. В новой трубке приложение напряжения 400 В к модулятору вызывает ток катода около 60 мА. На этапе старения этот ток снижается до 10 мА и даже до 1 мА.

Работу с прибором следует начинать с присоединения ЭЛТ (радиолампы) при помощи переходного шнура с панелью для данного типа, после чего устанавливается номинальное напряжение накала при помощи переключателей SA3, SA4. Контроль напряжения накала осуществляется измерительным прибором РА1 в первом положении переключателя SA6.

В зависимости от положения переключателя SA4, напряжение накала изменяется переключателем SA3 от 0 до 7,5 В и от 7,5 В до 15 В соответственно. Переключателем SA5 производится включение (выключение) накала.

Для проверки целей катод - модулятор (катод - управляющая сетка), катод - накал переключатель SA8 переводится в положение "Катод" (при этом катод соединяется с минусом источника питания), а переключатель SA6- в положение К-П или К-М соответственно.

Далее переключатель SA2 устанавливается в положение "300 В", а переключатель SA7 - в положение "HL". При этом свечение неоновой лампочки указывает на наличие утечки или короткого замыкания в цепи катод - накал или катод - модулятор в соответствии с положением переключателя SA6. При разогретом накале свечение лампочки в цепи катод - модулятор указывает на ток катвда, причем яркость свечения прямо пропорциональна току утечки (току эмиссии).

Для устранения короткого замыкания или утечки необходимо кратковременно нажать кнопку SB1. Если при отпускании кнопки лампочка продолжает светиться, необходимо увеличить напряжение разряда переключателем SA2 и снова нажать кнопку SB1.

Для контроля цепей ускоряющий электрод - модулятор (экранная сетка - управляющая сетка), и ускоряющий электрод-фокусирующий электрод (экранная сетка - пентодная сетка) переключатель SA8 переводится в положение "Ускор.". При этом с минусом источника питания соединяется ускоряющий электрод (экранная сетка). Переключателем SA6 выбирается электрод, относительно которого будет вестись контроль. Для устранения замеченных коротких замыканий или утечек следует также нажать кнопку SB1 (необходимо начинать с наименьшего напряжений разряда).

Для цветных кинескопов катод выбирается переключателем SA9.

После устранения коротких замыканий и утечек можно приступить к восстановлению тока эмиссии. Первоначально следует произвести контроль тока катода (катодов). Для этого переключатель SA6 ставят в положение "К-М", переключатель SA8 - в положение "Катод", а переключатель SA7 - в положение "РА". Напряжение на электродах выбирается переключателем SA2 в пределах 400 В. Затем нажатием на кнопку SB1 замыкается цепь, и прибор показывает ток эмиссии катода.

На первом этапе восстановления следует произвести прокаливание катода ("тренировку"), после чего нажать на кнопку SB1 и проверить результат. Если показания увеличились незначительно, можно приступить к другим методам восстановления.

Для этого необходимо увеличить напряжение на модуляторе переключателем SA2 до 500.. .600 В. Затем нажать кнопку SB1 и следить за показаниями прибора. Удерживая этот режим, необходимо поднять ток до 60 мА и после этого отпустить кнопку. Разогрев катодно-подогревательного узла не приводит к образованию в нем дефектов. Значение тока новой трубки в указанном режиме может служить критерием качества. Если этот метод не дает желае-мого результата, необходимо перевести переключатель SA7 в положение "HL". При этом во время нажатия на кнопку SB1 по цепи катод-модулятор будет протекать ток разряда конденсатора С1.

Чтобы не повредить катод, необходимо начинать восстановление с наименьшего напряжения разряда (выбирается переключателем SA2), а нажатие на кнопку производить кратковременно (не более 1с). После каждого восстановления необходимо проводить контроль тока эмиссии и утечек.

Если необходимый результат не достигнут, можно увеличить напряжение накала на 1 ...2 В и снова повторить процесс восстановления.

После полного устранения коротких замыканий, утечек и восстановления эмиссии необходимо снова произвести "тренировку" катода.

Трансформатор можно намотать на сердечнике типа Ш32, ширина набора - 50 мм. Обмотка W1-2-440 витков ПЭВ 0,2. Обмотка W3-10 - 1200 витков ПЭВ 0,12 с отводами от 100,200,400,600,800 и 1000 витков. Обмотка W11-27 - 30 витков ПЭВ 0.51 с отводами от первых 15 витков.

В.ЯКОВЛЕВ, г.Петриков.

(РЛ 2-99)


Добавил:  Павел (Admin)  
Автор:  Неизвестно 

Вас может заинтересовать:

  1. Подключение к антенне нескольких ТВ(УКВ)-приемников
  2. Простой способ увеличения числа принимаемых ТВ программ
  3. Магистральный усилитель для спутниковых ТВ-тюнеров
  4. Простейший телевизионный конвертер MMDS в ДМВ
  5. ЧМ-передатчик видео и аудио НЧ-сигналов


    © PavKo, 2007-2018   Обратная связь   Ссылки views: 8938 -- users: 8536 -- web3   Яндекс.Метрика