Портал для радиолюбителей
   Широкополосный усилитель
    Главная -> Статьи -> Телевизионная техника -> Широкополосный усилитель


<< Назад в раздел   Распечатать Дата добавления: 2011-10-28 | Просмотров: 6541

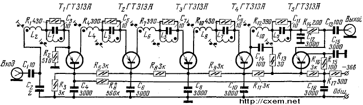
Усилитель, схема которого приведена ниже предназначен для работы в полосе частот 1- 5 и 6 - 12 телевизионных каналов. Последний каскад уилителя является эмиттерным повторителем, согласующим усилитель с малым волновым сопротивлением кабеля (75 ом).

Принципиальная схема усилителя.

Так как при работе в УКВ диапазоне повторители склонны к самовозбуждению, в их входную цепь включено антипаразитное активное сопротивление (R15), которое можно рассчитать по формуле R = 2 п faLвх, где fa предельная частота усиления транзистора (для транзисторов fa приводится обычно в справочниках);
Lвх индуктивность катушки на входе повторителя. Намоточные данные катушек усилителя приведены ниже. Все катушки наматываются на каркасах диаметром 7,5 мм с сердецниками СЦР-1 виток к витку проводом ПЭВ 0,15мм.

Номер катушки L1

L2

L3

L4

L5

L6

L7

L8

L9

L10

Число витков

2,5

3

2

2,5

2

2

2,5

2

2,5

2

При налаживании усилителя следует иметь в виду, что вращение сердечников катушек, имеющих на схеме нечетные номера, будет изменять форму амплитудно-частотной характеристики в области частот 175 230 Мгц, а вращение сердечников катушек с четными номерами форму характеристики в области частот 50100 Мгц.
Усилитель настраивают при помощи любого УКВ-генератора стандартных сигналов, имеющего диапазон частот, в котором должен работать усилитель. В качестве индикатора выхода используют вольтметр с высокоомным входом, позволяющий измерять переменное напряжение частотой до 250 Мгц. Настройку ведут обычным порядком, то есть изменяя положение сердечников катушек, добиваются, чтобы форма амплитудно-частотной характеристики усилителя возможно меньше отличалась от показанной на рис. 2.

Амплитудно-частотная характеристика усилителя

Усилитель рассчитан на подключение к телевизорам с чувствительностью 200500 мкв.

В. Демьянов
Радио 7/68 г.


Добавил:  Павел (Admin)  
Автор:  Неизвестно 

Вас может заинтересовать:

  1. Конвертер 2500-2700 МГц в 470-670 МГц с симметричным входом
  2. Тест антенных усилителей SWA
  3. Антенный усилитель
  4. Ответы на вопросы по конструкциям конвертеров MMDS
  5. Дескремблер кодированного телеканала


    © PavKo, 2007-2018   Обратная связь   Ссылки views: 1159 -- users: 1126 -- web3   Яндекс.Метрика