Портал для радиолюбителей
   ДМВ усилитель из СКД-1
    Главная -> Статьи -> Телевизионная техника -> ДМВ усилитель из СКД-1


<< Назад в раздел   Распечатать Дата добавления: 2011-10-28 | Просмотров: 8425

Применение усилителя с высокой селективностью может существенно улучшить прием сигналов ДМВ - станций, а также избавит от помех соседних близкорасположенных станций. За основу был взят блок СК-Д-1, который использовался в лампово - полупроводниковых телевизорах. Несложная переделка СК-Д-1, которую может выполнить даже начинающий радиолюбитель, позволяет получить усилитель ДМВ - сигналов с хорошими эксплуатационными характеристиками:

Рабочий диапазон частот, Мгц ....................... 470 790 ( 21 - 60 каналы)

Коэффициент усиления, дБ, ...............................20

Неравномерность АЧХ, дБ, не более .................4

Напряжение питания, стабилизированное, В ... + 12

Потребляемый ток, мА ................................... 15

К достоинствам такого усилителя можно отнести высокую селективность, значительное подавление помех на соседних каналах. Есть и недостаток это необходимость перестройки ( вращением ручки ротора ) при переключении на другой канал. Однако, если будет вестись прием на одном ДМВ - канале, то необходимость перестройки отпадает.

Кратко рассмотрим исходную схему СК-Д-1.

Схема СК-Д-1Рис.1

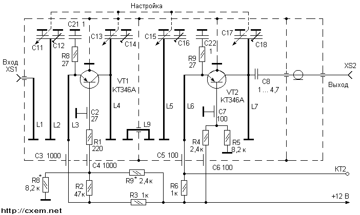
В первой камере расположен первый каскад блока, выполненный на транзисторе Т1, который работает в режиме усиления с ОБ. Резонатор L1 обеспечивает согласование входа с антенной, L2 с емкостями С11 и С12 образует перестраевымый входной контур для настройки на нужный канал. Коллектор транзистора Т1 нагружен на контур L4 С13 С14, который расположен во второй камере. Далее сигнал проходит на контур L5 С15 С18, расположенный в третьей камере. Благодаря индуктивности L6 сигнал попадает на эмиттер транзистора Т2. На транзисторе Т2 собран преобразователь ВЧ сигнала в ПЧ телевизора. Транзистор Т2 включен по схеме емкостной трехточки, нагрузкой каскада является Др1, который вместе с С17,С18,С8,L7,С20 расположен в четвертой камере.

Переделка СК-Д-1 сводится к следующему:

так как в реальных условиях первый каскад на транзисторе Т1 управляется системой АРУ телевизионного приемника, необходимо установить обычный, без АРУ, режим работы путем введения делителя напряжения на двух резисторах ;

переводу второго каскада на транзисторе Т2 из режима преобразования в режим усиления, что достигается удалением нескольких элементов.

Перед тем как приступить к работе, следует помнить, что обращаться с блоком нужно осторожно, т.к. малейшие изменения в расположении деталей при неаккуратной разборке могут являться причиной расстройки цепей с резонансными контурами.

Итак, сняв пружинную планку на верху крышки, осторожно снимите саму крышку. Счет камер ( а их всего 5 ) ведется начиная от гнезда антенного входа. Внимательно осмотрите внутренний монтаж. Внутри не должно быть явных повреждений обгоревших и обломанных резисторов, конденсаторов. При вращении ручки верньерного механизма движение пластин счетверенного конденсатора должно быть свободным, без замыкания пластин между собой или с другими элементами. При работе с блоком нельзя изменять положение подстроечных конденсаторов, выполненных в виде посеребренных пластин и расположенных перед секциями переменного конденсатора, а также резонансных линий, выполненных в виде посеребренных шин и отрезков проводов.

Аккуратно выпаяйте следующие элементы:

С8, С20, Др1 - которые расположены в 4-ой камере;

L8, Др2 и R7 - которые расположены в 5-ой камере. Резистор R7 в некоторых экземплярах СК-Д-1 может отсутствовать.

Далее необходимо определить марку транзисторов, которые имеются в Вашем блоке СК-Д-1. Дело в том, что вместо транзисторов, указанных на схеме рис.1, могут быть и другие, например AF-239 и AF-139, которые являются аналогами транзисторов ГТ346А и ГТ346Б соответственно. Если в качестве Т2 установлен транзистор ГТ346Б или AF-139, то его придется удалить и заменить на ГТ346А. Транзисторы этого типа применяются практически во всех блоках СК-Д, а также в блоках СК-М с электронной настройкой, так что в принципе найти такой транзистор не сложно. Перед установкой нового транзистора его следует проверить. Если проверка будет производится омметром, следует помнить что напряжение питания омметра может превышать допустимое обратное напряжение эмиттерного перехода. Поэтому, определяя исправность транзистора омметром, не следует использовать низкоомные пределы омметра. Если есть возможность выбора из нескольких транзисторов, то следует выбрать транзистор с возможно большим h21э.

Перед установкой транзистора необходимо его общий вывод ( корпус ) соединить пайкой с корпусом самого транзистора. Над окном камеры, в котором расположен транзистор, может находится отрезок тонкой посеребренной проволоки. Этот отрезок является хвостиком L6. Поэтому ни в коем случае не пытайтесь удалить его путем отпайки. Из-за разогрева может измениться положение L6 в пространстве, что приведет к расстройке контура. Удаление можно проделать, откусив хвостик бокорезами. Корпусной вывод транзистора Т2 следует просунуть в небольшое отверстие, которое имеется под резистором R8 и распаять его со стороны 4-ой камеры. Вывод коллектора следует припаять в ту же точку на L7, в которую был припаян вывод изъятого транзистора. Осторожно припаяйте выводы эмиттера и базы, не перегревая места пайки, так как местами пайки являются конденсаторы малой емкости, которые при перегреве могут разрушиться.

Схема усилителя после переделки СК-Д-1Рис.2

Далее необходимо удалить резисторы R6 и R4, отключив таким образом второй каскад от цепей питания. Затем необходимо выполнить установку резисторов Rд1, Rд2 и Rд3, как показано на рис.3.

Схема введения ручной регулировки усиления.Рис.3

Установите движок резистора Rд2 в среднее положение. Подав напряжение +12 вольт на схему, вращением движка резистора Rд1 устанавливают напряжение +9,5 В на эмиттере и +9 В на базе транзистора Т1. Затем отключив питание, измеряют общее сопротивление резисторов Rд2 и Rд3. Подбирают резистор типа МЛТ-0,125 с номиналом, близким к измеренному и устанавливают его как резистор R8 на рис.2, Rд1 останется в схеме как R9. В схему подают питание, и контролируют напряжения на выводах транзистора Т1.

Работу первого каскада можно проконтролировать визуально, по изображению на экране телевизора. Для этого настраивают телевизор на один из каналов ДМВ, который принимается с плохим качеством. Затем отключив антенный кабель от входа телевизора подключают его к входу усилителя. Отрезок кабеля РК-75 с распаянным на одном конце штеккером подключают на вход ДМВ телевизора. Оплетку другого конца кабеля припаивают к корпусу усилителя, а центральную жилу через конденсатор емкостью 4,7 пФ. припаивают в месте распайки вывода коллектора транзистора Т1. Хотя точка максимума сигнала находится на L4 ближе к корпусу, не стоит припаиваться в тех местах, где нет заводской пайки, во избежании ухудшения параметров контура.

Включив питание усилителя, плавным вращением верньерного механизма настраиваются до получения изображения на экране. Изображение должно быть лучшего качества в сравнении с тем, что было до включения антенны через усилитель. Затем проверяют работу контура L5 С15 С18. Для этого оключив питание и отпаяв контрольный кабель от L4 подпаивают его к месту соединения L5 и С15. Снова включают питание усилителя и контролируют сигнал по качеству изображения, при этом не должно наблюдаться ухудшения качества изображения.

Настройка второго каскада аналогична. Отключив питание усилителя, впаивают на место резистор R6, а вместо снятого резистора R4 устанавливают подстроечный, номиналом 5,1...10 кОм, и устанавливают его движок в среднее положение. Затем контрольный кабель через емкость 4,7 пФ подпаивают к точке пайки коллектора транзистора Т2 и включают питание. Плавно вращая движок резистора добиваются установки режимов транзистора Т2 с такими же значениями как и у Т1. Затем снимают питание, измеряют сопротивление переменного резистора и впаивают вместо него резистор МЛТ с номиналом, близким к измеренному. В заключении удаляют гнездо КТ1 и проходной конденсатор С9. В образовавшиеся отверстия просовывают кабель РК-75, который будет подключаться к телевизору. Оплетку кабеля распаивают на корпус, а центральную жилу через конденсатор С к L7, подобрав точку пайки экспериментальным путем, по наилучшему качеству изображения.

Усилитель можно заключить в любой подходящий декоративный корпус. Если усилитель будет использоваться на нескольких каналах, то удобно сделать на корпусе метки нужных каналов, а на ручке настройки риску.

И в заключении о дальнейшем усовершенствовании.

Автор не считает целесообразным для повышения чувствительности включать до входа устройства широкополосные усилители, так из-за неравномерности АЧХ и большого уровня шумов таких устройств может резко снизиться качество приема на высокочастотных или даже на всех каналах. Неплохие результаты может дать включение одно- или двухкаскадного широкополосного усилителя после выхода данного усилителя. В этом случае придется тщательно согласовать вход/выход обоих усилителей.

Синицкий В. (Радиолюбитель, N8, 2000г., с25-26)


Добавил:  Павел (Admin)  
Автор:  Неизвестно 

Вас может заинтересовать:

  1. Простой конвертер для приема телевидения MMDS 2,5-2,7 ГГц
  2. Согласующий экспоненциальный трансформатор для спутниковых приемников
  3. Антенные усилители для широкополосных антенн
  4. Антенные усилители SWA от польской антенны
  5. Описания устройств скрытого видеонаблюдения


    © PavKo, 2007-2018   Обратная связь   Ссылки views: 10941 -- users: 10111 -- web3   Яндекс.Метрика