Портал для радиолюбителей
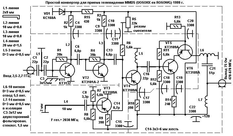
   Простой конвертер для приема телевидения MMDS 2,5-2,7 ГГц
    Главная -> Статьи -> Телевизионная техника -> Простой конвертер для приема телевидения MMDS 2,5-2,7 ГГц


<< Назад в раздел   Распечатать Дата добавления: 2011-11-04 | Просмотров: 6796

Этот конвертер мало отличается от своего симметричного брата. Конденсатор C3-обрезки от платы 3х12мм толщиной 1,5мм поперек базового вывода VT1, припаян к базе и земле. C14-флажок из жести вблизи эммитера VT3. Все линии приподняты над платой на 2 мм. Питание +12 в подается по кабелю снижения через фильтр аналогичный C21L7С22. R5 для настройки смесителя VT4 на квадратичный участок характеристики. Разделительные конденсаторы вместе с их выводами должны резонировать на средних частотах проходящих через них сигналов. В связи с проявленным интересом к этому конвертеру, я положил его на сканнер. Глубина резкости конечно невелика, но кое-что разглядеть можно.

Е.Шустиков (UO5OHX ex RO5OWG)

монтаж

схема в натуре в натуре

Источник(автор):www.shustikov.by.ru


Добавил:  Павел (Admin)  
Автор:  Неизвестно 

Вас может заинтересовать:

  1. Штопорная (спиральная) - антенна
  2. Подавитель шумов и автоматическое выключение в телевизоре УЛПЦТ(И)-61-11
  3. О трудностях модернизации телевизоров
  4. Простейший телевизионный конвертер MMDS в ДМВ
  5. Коллективный фильтр для ТВ антенн


    © PavKo, 2007-2018   Обратная связь   Ссылки views: 3307 -- users: 1035 -- web3   Яндекс.Метрика