Портал для радиолюбителей
   Простой модем для КВ и УКВ пакетой связи
    Главная -> Статьи -> Радиомодемы -> Простой модем для КВ и УКВ пакетой связи


<< Назад в раздел   Распечатать Дата добавления: 2011-11-18 | Просмотров: 7199

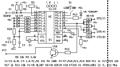
Модем предназначен для работы пакетом на КВ и УКВ. Основу схемы составляет однокристальная микроэвм АТ89с1051. Демодуляция входного сигнала осуществляется программным способом при помощи алгоритма цифровой фильтрации с элементами статистической обработки для улучшения помехоустойчивости приема. Встроенный в микросхему прецизионный компаратор позволил обойтись без внешнего операционного усилителя.

Светодиоды V1-V4 представляют собой простейший анализатор спектра. При работе на КВ это позволяет точно настроиться на работающую станцию. Светодиод V5 светится, когда принимаемый сигнал не попадает в канал приема. При правильной настройке должны ярко светиться светодиодыV2 и V3. Небольшой уровень свечения остальных светодиодов свидетельствует о наличии помех в канале приема. Регулировкой уровня сигнала или входным аттенюатором приемника нужно добиться минимально возможной яркости их свечения. Статистическая обработка позволяет работать при существенном уровне шума в полезном сигнале. Настройка компаратора производится резистором R3 в режиме приема КВ (переключатель S1 разомкнут). На вход подается синусоидальный сигнал. Регулировкой R3 нужно добиться скважности импульсов на выводе 3 процессора равной двум. Постепенно уменьшая уровень сигнала, процедуру нужно повторять до получения максимальной чувствительности. После этого можно подать реальный сигнал и убедиться в наличии демодулированного сигнала на выводе 11.

Синусоидальный сигнал на передачу формируется при помощи простейшего ЦАП на резисторах R8-R11. Особенность такого решения заключается в формировании сигнала без разрыва фазы, что благоприятно сказывается на качестве приема такого сигнала. Резистором R11 устанавливается уровень модуляции для радиостанции.

На диодах V6-V9, резисторах R14-R17 собрана схема сопряжения уровней TTL с уровнем сигналов COM порта компьютера.http://yandex--disk.ru/ На схеме указаны названия сигналов порта и нумерация 9-ти выводного разъема компьютера для работы с известной пакетной программой BAYCOM. Она позволяет работать как на КВ так и на УКВ. Если предполагается подключить модем к TNC контроллеру, схему сопряжения можно исключить. В этом случае сигналы подключают соответственно: вывод 8 процессора к выходу прием/передача TNC, вывод 11 к входу демодулированных данных в TNC, вывод 9 к выходу данных из TNC. Сигналы SOUND, MIC, PTT подключают к радиостанции соответственно на НЧ выход, на микрофонный вход, и на вход управления прием/передача.

Если предполагается работа только на УКВ, все светодиоды можно исключить, в этом случае потребляемый ток уменьшится и будет составлять около 10 мА.

Частота кварцевого резонатора может быть любой в диапазоне от 9 до максимальной частоты микросхемы. При изменении частоты резонатора, рассчитываются константы для работы цифрового фильтра и генератора двух тонального сигнала, которые затем записываются в микросхему.

Модем собирается на односторонней печатной плате размером 3х5 см.



Добавил:  Павел (Admin)  
Автор:  Неизвестно 

Вас может заинтересовать:

  1. Схема универсального частотного радиомодема на 300/600/1200/2400/4800 бод
  2. Радиомодем на 2400 - 76800 бод
  3. Самый простой радиомодем для ПК
  4. 4800bps PSK modem
  5. Простой модем для КВ и УКВ пакетой связи


    © PavKo, 2007-2018   Обратная связь   Ссылки views: 5263 -- users: 3610 -- web3   Яндекс.Метрика