Портал для радиолюбителей
   Блок питания 13,8В 25-30А для современного КВ трансивера
    Главная -> Статьи -> Блоки питания, зарядные устройства -> Блок питания 13,8В 25-30А для современного КВ трансивера


<< Назад в раздел   Распечатать Дата добавления: 2015-08-27 | Просмотров: 13941

Блок питания 13,8В 25-30А для современного КВ трансивера
В последние годы все больше радиолюбителей СНГ используют для работы в эфире аппаратуру зарубежного производства. Для питания большинства наиболее распространенных моделей трансиверов ICOM, KENWOOD, YAESU необходим внешний источник питания, отвечающий целому ряду важных технических требований. Согласно инструкциям по эксплуатации на трансиверы он должен иметь выходное напряжение 13,8 В при токе нагрузки до 25-30 А. Размах пульсаций выходного напряжения не более 100 мВ. Блок питания ни в коем случае не должен быть источником высокочастотных помех. Стабилизатор должен иметь надежную систему защиты от короткого замыкания и от появления на выходе повышенного напряжения, работающую даже в аварийной ситуации, например при пробое основного регулирующего элемента. Описываемая конструкция полностью отвечает указанным требованиям, кроме того, отличается простотой и построена на доступной элементной базе. Основные технические характеристики таковы:
Выходное напряжение, В 13,8
Максимальный ток нагрузки, А 25 (30)
Размах пульсаций выходного напряжения, не более мВ 20
КПД при токе 25 (30) А не менее, % 60


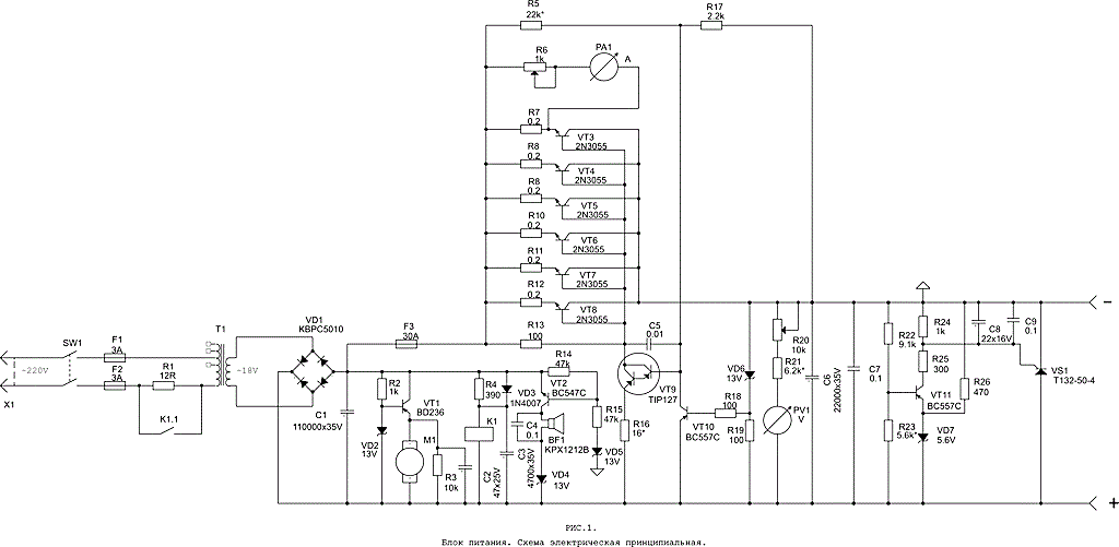
Блок питания построен по традиционной схеме с силовым трансформатором, работающим на частоте сети 50 Гц. В цепь первичной обмотки трансформатора включен узел ограничения величины пускового тока. Это сделано потому, что на выходе выпрямительного моста установлена фильтрующая емкость очень большой величины, 110000 ?F, представляющая собой в момент подачи сетевого напряжения практически короткозамкнутую цепь. Ток заряда ограничивается R1 .Через примерно 0,7 сек срабатывает реле К1 и своими контактами замыкает ограничительный резистор, который в дальнейшем на работу схемы не влияет. Задержка определяется постоянной времени R4C3. На транзисторах VT10, VT9, VT3-VT8 собран стабилизатор выходного напряжения. При его разработке за основу была взята схема [1],[3], обладающая целым рядом полезных свойств. Во-первых, выводы коллекторов силовых транзисторов соединены с земляным проводом. Поэтому транзисторы могут монтироваться на радиатор без изоляционных прокладок. Во-вторых, в нем реализована система защиты от КЗ с обратноспадающей характеристикой, рис 2.
Следовательно, ток короткого замыкания будет в несколько раз меньше максимального. Коэффициент стабилизации более 1000. Минимальный перепад напряжения между входом и выходом при токе 25 (30) А- 1,5В. Выходное напряжение определяется стабилитроном VD6 , и будет примерно на 0,6 В больше напряжения его стабилизации. Порог срабатывания защиты по току определяется резистором R16 . При увеличении его номинала ток срабатывания уменьшается. Величина тока короткого замыкания зависит от соотношения резисторов R5 и R17. Чем больше R5 тем ток КЗ меньше. Однако, стремится значительно увеличить номинал R5 не стоит, так как через этот же резистор осуществляется начальный запуск стабилизатора, который может стать неустойчивым при пониженном напряжении сети. Конденсатор C5 предотвращает самовозбуждение стабилизатора на высоких частотах. В цепь эмиттеров силовых транзисторов включены выравнивающие резисторы 0,2 Ом для 25-амперного варианта блока питания, или 0,15 Ом для 30-амперного. Падение напряжения на одном из них используется для измерения выходного тока. На транзисторе VT11 и тиристоре VS1 собран узел аварийной защиты. Он предназначен для предотвращения попадания на выход повышенного напряжения в случае пробоя регулирующих транзисторов. Его схема позаимствована из [2]. Принцип работы очень простой. Напряжение на эмиттере VT11 стабилизировано стабилитроном VD7 , а на базе- пропорционально выходному. Если на выходе появится напряжение больше 16,5 В, транзистор VT11 откроется, и ток его коллектора откроет тиристор VS1, который зашунтирует выход и вызовет перегорание предохранителя F3. Порог срабатывания определяется соотношением резисторов R22 и R23. Для питания вентилятора M1 применен отдельный стабилизатор, выполненный на транзисторе VT1 . Это сделано для того, чтобы при коротком замыкании на выходе или после срабатывания системы аварийной защиты вентилятор не останавливался. На транзисторе VT2 собрана схема аварийной сигнализации. При КЗ на выходе или после перегорания предохранителя F3 падение напряжения между входом и выходом стабилизатора становится больше 13 В, ток через стабилитрон VD5 открывает транзистор VT2 и зуммер BF1 издает звуковой сигнал.
 

Несколько слов об элементной базе. Трансформатор T1 должен иметь габаритную мощность не менее 450 (540) Вт и выдавать на вторичной обмотке переменное напряжение 18В при токе 25 (30) А. Выводы от первичной обмотки сделаны в точках 210, 220, 230, 240 В и служат для оптимизации КПД блока в зависимости от напряжения сети на конкретном месте эксплуатации. Ограничительный резистор R1- проволочный, мощностью 10 Вт. Выпрямительный мост VD1 должен быть рассчитан на протекание тока не менее 50 А, в противном случае пери срабатывании системы аварийной защиты он перегорит раньше предохранителя F3. Емкость C1 состоит из пяти конденсаторов 22000 ?F 35 В, соединенных параллельно. На сопротивлении R16 при максимальном токе нагрузки рассеивается мощность около 20 Вт, оно состоит из 8-12 резисторов С2-23-2Вт 150 Ом соединенных параллельно. Точное число подбирается при настройке защиты от КЗ. Для индикации величины выходного напряжения PV1 и тока нагрузки PA1 применены измерительные головки с током отклонения стрелки на последнее деление шкалы 1 мА. Вентилятор M1 должен иметь рабочее напряжение 12В. Такие широко применяются для охлаждения процессоров в персональных компьютерах. Реле К1 Relpol RM85-2011-35-1012 имеет рабочее напряжение обмотки 12В и ток контактов 16А при напряжении 250В. Оно может быть заменено другим с аналогичными параметрами. К подбору мощных транзисторов следует подходить очень внимательно, так как схема с параллельным включением имеет одну неприятную особенность. Если в процессе работы вследствие каких-либо причин пробьется один из параллельно включенных транзисторов, то это приведет к немедленному выходу из строя всех остальных. Перед монтажом каждый из транзисторов необходимо проверить тестером. Оба перехода должны звониться в прямом направлении, а в обратном- отклонение стрелки омметра, установленного на предел х10? не должно быть заметно на глаз. Если это условие не выполняется, транзистор некачественный и может подвести в любой момент. Исключение- транзистор VT9. Он составной и внутри корпуса эмиттерные переходы зашунтированы резисторами, первый- 5К, второй- 150 Ом. См. рис. 2.
 

При прозвонке в обратном направлении омметр покажет их наличие. Большинство транзисторов можно заменить отечественными аналогами, правда с некоторым ухудшением характеристик. Аналог BD236- KT816, 2N3055- KT819БМ (обязательно в металлическом корпусе) или лучше КТ8101, ВС547- КТ503, ВС557- КТ502, TIP127- KT825. На первый взгляд может показаться, что применение шести транзисторов в качестве основного регулирующего элемента излишне, и можно обойтись двумя-тремя. Ведь максимально допустимый ток коллектора 2N3055- 15 ампер. А 6х15=90 А! Зачем такой запас? Это сделано потому, что статический коэффициент передачи тока транзистора сильно зависит от величины тока коллектора. Если при токе 0,3-0,5 А его величина составляет 30-70, то при 5-6 А уже 15-35. А при 12-15 А- не более 3-5. Что может привести к значительному увеличению пульсаций на выходе блока питания при токе нагрузки, близком к максимальному, а также резкому повышению тепловой мощности, рассеиваемой на транзисторе VT9 и сопротивлении R16. Поэтому в данной схеме снимать с одного транзистора 2N3055 ток более 5А не рекомендуется. Это же относится и к КТ819ГМ, КТ8101. Количество транзисторов можно уменьшить до 4-х, применив более мощные приборы, например 2N5885, 2N5886. Но они намного дороже и более дефицитны. ТиристорVS1, как и выпрямительный мост, должен быть рассчитан на протекание тока не менее 50А.
В конструкции блока питания необходимо обязательно учесть несколько важных моментов. Диодный мост VD1, транзисторы VT3-VT8, VT9 должны быть установлены на радиатор с общей площадью, достаточной для рассеивания тепловой мощности 250Вт. В авторской конструкции он состоит из двух частей, служащих боковыми стенками корпуса, и имеющих эффективную площадь по 1800см каждая. Транзистор VT9 устанавливается через изоляционную теплопроводящую прокладку. Монтаж сильноточных цепей необходимо выполнить проводом сечением не менее 5мм. Точки земли и плюса стабилизатора должны быть именно точками, а не линиями. Несоблюдение этого правила может привести к увеличению пульсаций выходного напряжения и даже к самовозбуждению стабилизатора. Один из вариантов, удовлетворяющих данному требованию, показан на рис.4.
 

Пять конденсаторов, образующих емкость С1, и конденсатор С6 располагаются на печатной плате по кругу. Площадка, образовавшаяся в центральной части служит положительной шиной, а сектор, соединенный с минусом конденсатора С6- отрицательной. Нижний вывод резистора R16, эмиттер VT10, нижний вывод резистора R19 соединяются с центральной площадкой отдельными проводами. (R16- проводом сечением не менее 0,75 мм) Правый по схеме вывод R17, анод VD6 коллекторы VT3-VT8 соединяются с минусом С6 также каждый отдельным проводом. Конденсатор С5 припаивается непосредственно к выводам транзистора VT9 или располагается в непосредственной близости от него. Соблюдение правила точечного заземления для элементов стабилизатора напряжения питания вентилятора, ограничителя пускового тока, устройства аварийной сигнализации не обязательно и их конструкция может быть произвольной. Устройство аварийной защиты собирается на отдельной плате и крепится непосредственно к выходным клеммам блока питания с внутренней стороны корпуса.
Прежде чем приступать к настройке следует обратить внимание на то, что описываемый блок питания является достаточно мощным электроприбором, при работе с которым необходима осторожность и строгое соблюдение правил техники безопасности. В первую очередь не стоит торопиться сразу включить собранный блок в сеть 220В, прежде необходимо проверить работоспособность основных узлов схемы. Для этого следует установить движок переменного резистора R6 в правое крайнее по схеме положение, а резистора R20 в верхнее. Из резисторов, образующих R16 следует установить только один на 150 Ом. Устройство аварийной защиты необходимо временно отключить, отпаяв его от остальной схемы. Далее на емкость C1 подать напряжение 25В от лабораторного блока питания с током защиты от КЗ 0,5-1 А. Через примерно 0,7 сек должны сработать реле К1, включиться вентилятор, а на выходе появиться напряжение 13,8 В. Величину выходного напряжения можно изменить подбором стабилитрона VD6. Проконтролировать напряжение на двигателе вентилятора, оно должно составлять примерно 12,2 В. После этого необходимо откалибровать измеритель напряжения. К выходу блока питания подключить эталонный вольтметр, желательно цифровой, и подстройкой R20 установить стрелку прибора PV1 на деление, соответствующее показаниям эталонного вольтметра. Для настройки устройства аварийной защиты необходимо подать на него напряжение 10-12 В от лабораторного регулируемого источника питания через резистор 10-20 Ом 2 Вт.(При этом оно должно быть отключено от остальной схемы!) Параллельно тиристору VS1 включить вольтметр. Далее плавно повышать напряжение и засечь последнее показание вольтметра, после которого его показания резко упадут до значения 0,7 В (Открылся тиристор). Подбором номинала R23 установить порог срабатывания на уровне 16,5 В (Максимально допустимое напряжение питания трансивера согласно инструкции по эксплуатации). После этого подключить устройство аварийной защиты к остальной схеме. Теперь можно включить блок питания в сеть 220 В. Далее следует настроить схему защиты от КЗ. Для этого к выходу блока питания через амперметр на ток 25-30 А подключить мощный реостат с сопротивлением 10-15 Ом. Плавно уменьшая сопротивление реостата от максимального значения до нуля, снять нагрузочную характеристику. Она должна иметь вид, показанный на рисунке 2, но с изгибом при токе нагрузки 3-5 А. При сопротивлении реостата близком к нулю, должна включиться аварийная звуковая сигнализация. Далее следует по одному впаивать остальные резисторы (по 150 Ом), составляющие сопротивление R16, каждый раз проверяя значение максимального тока, пока его значение составит 26-27 А для 25-амперного варианта или 31-32А для 30-амперного. После настройки защиты от КЗ необходимо откалибровать устройство измерения выходного тока. Для этого установить при помощи реостата ток нагрузки 15-20 А и подстройкой резистора R6 добиться одинаковых показаний стрелочного прибора PA1 и эталонного амперметра. На этом настройку блока питания можно считать законченной и можно приступать к тепловым испытаниям. Для этого необходимо полностью собрать прибор, при помощи реостата установить выходной ток 15-20А и оставить включенным на несколько часов. После чего убедиться, что в блоке ничего не вышло из строя, а температура элементов не превышает 60-70 С. Теперь можно подключить блок к трансиверу и провести окончательную проверку в реальных условиях работы. Следует также не забывать, что в состав блока питания входит система автоматического регулирования. Она может быть подвержена влиянию высокочастотных наводок, возникающих при работе передатчика трансивера с антенно-фидерным трактом, имеющим большое значение КСВ или тока асимметрии. Поэтому было бы полезно сделать хотя бы простейший защитный дроссель, намотав 6-10 витков кабеля, соединяющего блок питания с трансивером, на ферритовое кольцо с проницаемостью 600-3000 соответствующего диаметра.
 

 

 

До встречи на диапазонах!


Добавил:  Павел (Admin)  
Автор:  Шуман Олег Владимирович (UT5UML) ut5uml@qsl.net  

Вас может заинтересовать:

  1. Универсальный выпрямитель для зарядки аккумуляторов с электронным регулированием
  2. Источники питания с разделительными конденсаторами
  3. Сигнализаторы разряда элементов питания
  4. Зарядное устройство для аккумуляторов
  5. Использование маломощных высокочастотных транзисторов в качестве стабилитронов (4..9В)


    © PavKo, 2007-2018   Обратная связь   Ссылки views: 5037 -- users: 4396 -- web3   Яндекс.Метрика