Портал для радиолюбителей
   Дискретно-пропорциональное управление
    Главная -> Статьи -> Аппаратура радиоуправления моделями -> Дискретно-пропорциональное управление

Русский букет Доставка цветов в Чкаловске среди цветов.

<< Назад в раздел   Распечатать Дата добавления: 2007-10-20 | Просмотров: 16958

ЧТО ТАКОЕ ДИСКРЕТНО-ПРОПОРЦИОНАЛЬНОЕ УПРАВЛЕНИЕ?

Сначала очень коротко о пропорциональной команде. Если положение какого-либо исполнительного механизма на модели, например руля катера, меняется по закону изменения положения рычага управления передатчика, то говорят, что модель выполняет пропорциональную команду оператора. Чаще всего, и это естественно, зависимость положения исполнительного механизма от положения органа управления делают линейной (прямо пропорциональной).

В пропорциональной аппаратуре, как правило, используют широтно-импульсную модуляцию (ШИМ). Ширина модулирующих командных импульсов в передатчике изменяется при изменении положения рычага управления. Демодулятор модели вырабатывает сигнал, перемещающий рабочий орган исполнительного механизма в соответствии с шириной модулирующих импульсов принятого ШИМ сигнала.

В ряде случаев выгодно (с точки зрения простоты и стоимости аппаратуры радиоуправления) использовать для управления конкретной моделью дискретно-пропорциональное управление. Так, например, для включения, выключения и реверсирования (изменения направления вращения ротора) электродвигателей модели вполне достаточно только дискретных команд, а для управления рулевым механизмом необходима пропорциональная команда. Движение такой модели гораздо более естественно, она более маневрена, управлять ею намного легче и приятнее. Шифратор дискретно-пропорциональной системы управления построен таким образом, что он способен формировать одновременно как дискретные, так и пропорциональную команды. О таком шифраторе и пойдет дальнейший рассказ.

МОДУЛЬ ДИСКРЕТНО-ПРОПОРЦИОНАЛЬНОГО УПРАВЛЕНИЯ

Его схема представлена на рис. 1. Предположим, что при включении напряжения питания движок переменного резистора R3 и подвижный контакт переключателя SA1 находятся в среднем положении. На инвертирующем выходе (вывод 2) триггера DD3 появляется высокий уровень (рис. 2,в), который разрешит прохождение на базу транзистора VT1 только импульса, поданного на объединенные два верхних по схеме входа элемента DD4.2.

ru-pr21.gif
Рис. 1. Принципиальная схема дискретно-пропорционального шифратора

Через некоторое время импульсы тактового генератора (он собран на элементах DD1.1 и DD1.2) начнут поступать на вход восьмиразрядного сдвигового регистра DD2.1, DD2.2 и на верхний вход элемента DD4.2. На выводах регистра будет поочередно появляться уровень 1. Высокий уровень с выхода 3 регистра DD2.1 (рис. 2,б) запустит одновибратор, собранный на элементах DD1.3,DD1.4, на выходе инвертора DD4.3 появится положительный импульс, который достигнет базы транзистора VT1 (рис. 2.д). Длительность этого импульса зависит от положения движка переменного резистора R3. Эта часть выходного сигнала и будет пропорциональной командой.

ru-pr22.gif
Рис. 2. Временные диаграммы работы модуля М4.

Как только на выходе 4 регистра DD2.2 возникнет высокий уровень, оба регистра возвратятся в исходное состояние и на прямом выходе триггера DD3 уровень изменится с 0 на 1 (рис. 2,г). Это означает, что элемент DD4.1 готов пропустить тактовые импульсы на выход. На выход пройдут пять импульсов - с 11-го по 15-й команды "Стоп" (рис. 2, д). С 16-го тактового импульса весь рассмотренный процесс по формированию пропорционального импульса и сигналов команды "Стоп" вновь повторится.

Если в процессе работы шифратора оператор станет изменять положение движка переменного резистора R3, то длительность пропорционального импульса будет изменяться. При перемещении движка резистора R3 вправо по схеме длительность будет увеличиваться. При крайнем правом положении движка длительность сигнала одновибратора равна 10 мс, при среднем - 6 мс, а при крайнем левом - 2 мс. Резистор R2 ограничивает минимальную длительность импульса. При изменении длительности импульса одновибратора перемещается спад импульса, а не его фронт.

В положении 1 переключателя SA1 в каждой группе будет по четыре тактовых импульса, что соответствует команде "Вперед", в положении 3 в группе будет три импульса - команда "Назад".

В качестве переключателя SA1 в шифраторе использован МПН-1; годится и любой другой малогабаритный на три положения и одно направление. Переменный резистор RЗ-СПО-0,5 группы А.

Для налаживания модуля осциллограф подключают к КТ1, включают напряжение питания модуля и подборкой резистора R2 (движок переменного резистора R3 должен быть в левом по схеме положении) добиваются длительности пропорционального импульса 2 мс. Переводят движок резистора R3 в правое положение и проверяют максимальную длительность импульса. После этого убеждаются в соответствии числа импульсов в группе во всех трех положениях переключателя SA1.

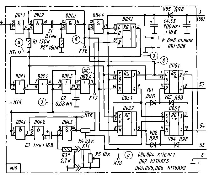
МОДУЛЬ ДИСКРЕТНО-ПРОПОРЦИОНАЛЬНОГО ДЕШИФРАТОРА

Конечно же, постоянное "улавливание" нужного курса яхты, неизбежное при дискретном управлении рулем, как это описано в предыдущем разделе, весьма утомительно для оператора. Поэтому вполне естественно стремление управлять рулем пропорционально, а для управления ходом вперед и назад достаточно дискретных команд. Такой шифратор - М4 - был уже нами рассмотрен, а сейчас расскажем о дешифраторе к нему. На рис. 3 показана его принципиальная схема. Рассмотрим процесс дешифрации команд на примере команды "Стоп" и пропорционального импульса управления рулем.

ru-pr23.gif
Рис. 3. Принципиальная схема дискретно-пропорционального дешифратора.

В исходном состоянии (при отсутствии входных импульсов) на всех выходах регистров DD3.1, DD3.2, DD5.1, DD6.1, DD6.2 будет уровень 0, что соответствует команде "Стоп". Поскольку положение руля модели соответствует положению движка резистора R5 (движок резистора механически связан с рулевой машинкой), допустим, что они находятся в среднем положении - "Руль прямо".

Вот на выходе инвертора DD1.1 появился первый пропорциональный импульс (рис. 4,а). Он запустит одновибратор, собранный на элементах DD1.2, DD1.3, и поступит на счетный вход С регистров DD3.1, DD3.2, а также на верхний по схеме вход элемента DD2.2. Так как в этот момент на втором входе этого элемента будет уровень 1, то импульс через элемент не пройдет. В момент окончания импульса уровень 1 появится на выходе 1 регистра DD3.1.

Через время 5Т (рис. 4,б) на выходе одновибратора (выход элемента DD1.3) появится уровень 1, и регистр DD3.1 установится в исходное состояние.

ru-pr24.gif
Рис. 4. Временные диаграммы работы модуля M16.

Затем на выходе инвертора DD1.1 появятся сигналы команды "Стоп", первый из которых снова запустит одновибратор DD1.2, DD1.3. Импульсы команды вызовут поочередное появление уровня 1 на выходах регистров DD3.1, DD3.2. Уровень 1 с выхода 3 регистра DD3.1 (рис. 4, в) вызовет появление высокого уровня на выходе 1 регистров DD5.1, DD6.1, тем самым даст разрешение на прохождение канального импульса через элемент DD2.2. Через время 5Т по фронту сигнала первого одновибратора (рис. 4,б) регистры DD3.1, DD3.2 установятся в исходное состояние.

Появившийся на выходе элемента DD2.2 положительный пропорциональный импульс запустит на этот раз и второй одновибратор, собранный на элементах DD4.2 и DD4.3. Длительность его импульса зависит от емкости конденсатора С3 и сопротивления резисторов R3, R5. Если предположить, что импульс этого одновибратора точно равен по длительности входному пропорциональному импульсу, то на крайних выводах резистора R4 будут действовать противофазные, но одинаковые по амплитуде и длительности импульсы (рис. 4, д, е). Поэтому на выходе-на выводе 55 модуля - появится постоянное напряжение, равное половине напряжения питания, т. е. сигнал рассогласования отсутствует.

Если же длительности будут разными, на выводе 55 появится сигнал рассогласования той или иной полярности, в зависимости от того, длиннее или короче будет входной пропорциональный импульс. Двигатель рулевой машинки будет вращаться в ту сторону и до тех пор, пока движок резистора R5 не займет положение, при котором сигнал рассогласования станет равным нулю.

В момент окончания пропорционального импульса узел, собранный на элементах DD2.3 и DD2.4, выработает короткий импульс (рис. 4, ж), который переведет регистр DD5.1 в исходное состояние (уровень 0 на выходе 1). Это означает, что элемент DD2.2 закрыт. Через время 5Т регистры DD3.1, DD3.2 возвратятся в исходное состояние.

Затем на вход модуля придет вторая группа команды "Стоп" и весь рассмотренный процесс повторится.

Предлагается самостоятельно рассмотреть процесс дешифрации команд "Вперед" и "Назад" как без помех, так и с ними. При этом следует учесть, что управляющее напряжение первой команды появляется после четвертой группы на выводе 53 модуля, а второй - 54.

В заключение отметим, что сигналы команд "Стоп", "Вперед" и "Назад" одновременно служат синхроимпульсами пропорциональных импульсов.

Резисторы R3, R4 в модуле-СПЗ-1. В качестве резистора R4 в рулевой машинке используется резистор от аппаратуры "Супронар".

А.А.Проскурин. "Модульная аппаратура радиоуправления". Изд.ФОСААФ. 1988г.


Добавил:  Павел (Admin)  
Автор:  А.А.Проскурин. "Модульная аппаратура радиоуправления". Изд.ФОСААФ. 1988г. 

Вас может заинтересовать:

  1. Система радиоуправления игрушками
  2. Шифратор и дешифратор команд телеуправления
  3. Устройство радиоуправления на 12 команд
  4. Аппаратура радиоуправления моделями и игрушками
  5. Управление радиомоделью с помощю компьютера


    © PavKo, 2007-2018   Обратная связь   Ссылки views: 1150 -- users: 1007 -- web3   Яндекс.Метрика