Портал для радиолюбителей
   Устройство радиоуправления на 12 команд
    Главная -> Статьи -> Аппаратура радиоуправления моделями -> Устройство радиоуправления на 12 команд


<< Назад в раздел   Распечатать Дата добавления: 2007-10-20 | Просмотров: 13046

Устройство предназначено для управления 12 различными нагрузками . Причем одновременно и в любой комбинации допускается нажатия до 8 кнопок ( PORTB ) или 4 кнопок ( PORTA ). Оно может входить в состав, например, радиоуправляемого комплекса для авто и авиамоделей , управления гаражными воротами и т.п.
Работа приемной части предусмотрена в двух режимах . Режим реального времени и с фиксацией команд ( зависит от положения перемычки S на плате приемника ).Если перемычка убрана , команды зафиксируются . Если перемычка установлена, команды будут выполняться только в момент удержания соответствующей кнопки ( кнопок ).
Индикаторы исполнения команд – светодиоды. Разумеется, к соответствующим выводам процессора можно подключить например затворы мощных полевых или базы биполярных транзисторов через токоограничивающие резисторы.

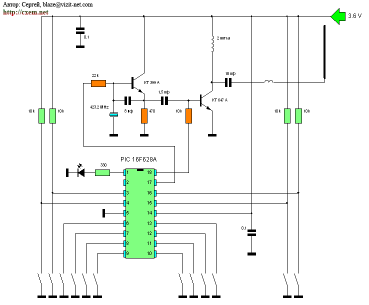
Передатчик

Схема передатчика

Передающая часть состоит из задающего генератора и усилителя мощности .
ЗГ – классическая схема на ПАВ- резонаторе со 100 % амплитудной модуляцией .
УМ- стандартный с общим эммитером , нагруженный на четвертьволновый отрезок провода длиной 16 см через согласующую емкость .
Шифратор – PIC 16 F 628 A , он осуществляет обработку информации о нажатых кнопках кодирование и посылку пачек управляющих импульсов а также включение светодиодного индикатора и усилителя мощности во время передачи кода.

Приемник

Схема приемника

Сверхрегенератор . При номиналах указанных на схеме и исправных деталях обладает 100% повторяемостью.
Его настройка заключается лишь в раздвигании витков контурной катушки и подборе емкости связи с антенной.3 й вывод контроллера дешифратора служит для контроля прохождения сигнала при настройке ( программно подключенный выход внутреннего компаратора ).Контролировать можно с помощью обычного УНЧ.
Дешифратор приемника – PIC 16 F 628 A , он осуществляет декодирование и исполнение принятых команд.
Система кодер - декодер может работать как по проводам так и с другими приемником и передатчиком . Каждая посылка 0 и 1 со стороны кодера «закрашена» колебаниями 5,5 кГц для лучшей помехозащищенности + передача контрольной суммы.
Питание приемника обязательно от стабилизированного источника 5 вольт ( на схеме не показан , в плате предусмотрен КРЕН 5 А +диод ). Питание передатчика от 3,6 вольта но не больше 5,5 вольта ( на плате предусмотрен КРЕН 5А+диод ).
Картина нажатых кнопок в PORTB ( выводы 6 - 13 ) на передающей части полностью отражается на приемной части в PORTB ( выводы 6 - 13 ) соответственно. Картина нажатых кнопок в PORTA ( 3>2, 4> 15,15> 16, 16> 17 ).

За прошивками обращаться к автору .

Со мной можно связаться по тел. 8-050-942-35-95 или по почте: blaze @ vizit - net . com

С уважением , Сергей ( г. Кременчуг).



Добавил:  Павел (Admin)  
Автор:  Сергей 

Вас может заинтересовать:

  1. Шифратор и дешифратор команд телеуправления
  2. Управление радиомоделью с помощю компьютера
  3. Аппаратура радиоуправления моделями и игрушками
  4. Дискретно-пропорциональное управление
  5. Аппаратура пропорционального управления


    © PavKo, 2007-2018   Обратная связь   Ссылки views: 1163 -- users: 1020 -- web3   Яндекс.Метрика