Портал для радиолюбителей
   Подключение мощной УФ лампы
    Главная -> Статьи -> Бытовая электроника -> Подключение мощной УФ лампы


<< Назад в раздел   Распечатать Дата добавления: 2007-12-18 | Просмотров: 12560

Часто радиолюбители ищут паспорт и схему включения на мощную УФ лампу для стирания ПЗУ или изготовления плат фотоспособом. Я скопировал с оригинала  все материалы по данному типу лампы,  т.е. по включению в сеть ~220B и рекомендации по ее применению.

1. НАЗНАЧЕНИЕ ЛАМП

Ртутно-кварцевые лампы являются мощным источниками ультрафиолетового излучения и применяются в медицине (для целей физиотерапии), биологии и технике фотохимические процессы, люминесцентный анализ и т. д.

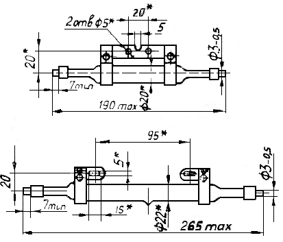
Размеры лампы

2. ТЕХНИЧЕСКИЕ ХАРАКТЕРИСТИКИ ЛАМП

Ртутно-кварцевые лампы предназначены для эксплуатации в сетях переменного тока с напряжением 220В, частотой 50Гц, пускорегулирующей аппаратурой по ГОСТ 16809-71.

Размеры лампы

В течение первых 10—15 мин. после включения лампы, электрические параметры ее изменяются (неустановившейся режим), а затем остаются постоянными (установившийся режим) при неизменном напряжении сети (см. табл. 1). Размеры ламп приведены на черт. 1 (ДРТ230), черт 2 (ДРТ400) и черт 3 (ДРТ1000).

Электрические параметры ламп при эксплуатации в сети переменного тока.

Таблица 1.

Обозначение типа ламп

Шифр

Напряжение сети, В

Пусковой ток лампы, А**

Продол. неустан. режима, мин**

Установившийся режим

Сила тока, А**

Напряжен, на лампе, В

Мощность, Вт

ДРТ 230

(1,2,3)

220

60

15

3,80

70±8

230+11.5

ДРТ 400

(1,2,3)

220

60

15

3,25

135±15

400+20

ДРТ 1000

(1,2,3)

220

140

15

7,50

145±15

1000+50

3. ВКЛЮЧЕНИЕ ЛАМП В СЕТЬ ПЕРЕМЕННОГО ТОКА.

Световые потоки ламп типа ДРТ в диапазоне волн 240-320 НМ приведены в таблице 2.

Таблица 2.

Тип ламп

Шифр

Номинальные величины

Предельные величины

Чистый поток, Вт

Лучистый поток, Вт

Государст. знак. кач.

1 -я категория

Государст. знак. кач.

1-я категория

ДРТ230-

(1,2,3)

24

22

20

19

ДРТ 400

(1,2,3)

39

37

33,5

31,8

ДРТ 1000

(1,2, 3)

128

125

110

108,0

Верхнее значение лучистого потока не ограничивается.Схема подключение мощной УФ лампы

  • Л — лампа ДРТ
  • ДБ — дроссель
  • К — кнопка
  • С1 —конденсатор ёмк. 2—3 мкф. на напр. 300—600В
  • С2 — конденсатор емк. 0,0003 —0,0005 мкф.

3. УКАЗАНИЕ ПО ЭКСПЛУАТАЦИИ ЛАМП.

Перед установкой лампы в аппаратуру рекомендуется протереть ее ватой, смоченной спиртом. При эксплуатации ламп в закрытых аппаратах необходимо предусмотреть соответствующую вентиляцию.

Эксплуатировать лампы можно только с приборами, обеспечивающими пусковой и установившийся режим, указанные в таб.3. Положение лампы при эксплуатации - горизонтальное, с отклонением от горизонтали в обе стороны на угол не более 10.

4. МЕРЫ ПРЕДОСТОРОЖНОСТИ ПРИ РАБОТЕ С ЛАМПАМИ

Для предохранения глаз от действия ультрафиолетового излучения надо надевать защитные очки. Пользоваться лампами для целей физиотерапии следует под наблюдением медицинского персонала. При использовании ламп для других целей следует принимать меры предосторожности во избежании ожогов от действия ультрафиолетовых лучей лампы.

Лампы, вышедшие из строя или прогоревшие срок службы, разбить в закрытом объеме, обработать 1% раствором марганцево-кислого калия, вывезти за пределы населенного пункта и закопать в землю на глубину не менее 0,3 м.

Электрические параметры балластных дросселей.

Таблица 3.

Тип лампы

Рабочий режим

Пусковой режим

Напряжение, В

Сила тока, А

Напряжение, В

Сила тока, А

ДРТ 230 - (1, 2, 3)

190

3,80 + 0,1

6,0

ДРТ 400 - (1, 2, 3)

144

3,25 + 0,1

220

6,0

ДРТ 1000 - (1, 2, 3)

139

7,5 + 0,1

14,0

Д. Марченко, (RK3AOR) mdv@ecoprog.ru


Добавил:  Павел (Admin)  
Автор:  Д. Марченко, (RK3AOR) mdv@ecoprog.ru 

Вас может заинтересовать:

  1. Лампа накаливания служит дольше (4 вар)
  2. Устройство для управления шторами. Часть 2. Механика
  3. Doorphone Intercom
  4. Управление люстрой с четырьма лампами
  5. Блок защиты ламп накаливания


    © PavKo, 2007-2018   Обратная связь   Ссылки views: 764 -- users: 750 -- web3   Яндекс.Метрика