Портал для радиолюбителей
   Микросхемы TC9148-9150 для дистанционного управления бытовой аппаратурой
    Главная -> Статьи -> Бытовая электроника -> Микросхемы TC9148-9150 для дистанционного управления бытовой аппаратурой


<< Назад в раздел   Распечатать Дата добавления: 2008-01-16 | Просмотров: 8968

Всем привет.
Какой длинный заголовок вышел - ну да ладно.
С помощью нижеследующей писанины (писанины много, предупреждаю) мы с Котом (Мяу!) постараемся доходчиво объяснить - как за один вечер сделать себе дистанционное управление аудио- видео- комплексом, буде такой у вас имеется.
Есть такая корпорация - называется TOSHIBA - где-то слышали, да? А у этой корпорации есть отделение полупроводников и электронных компонентов. И вот это самое отделение подсуетилось и выпустило три микросхемы - TC9148P, TC9149P, TC9150P. Справедливости ради надо сказать, что суета эта была довольно давно - лет 15 назад, однако, микросхемки получились настолько удачными, что до сих пор на ура применяются где не попадя.
Итак, по-порядку:
TC9148P - шифратор-передатчик СДУ.

TC9148P

Эта микросхема, два транзистора и десяток кнопок - все что нужно для построения полноценного передатчика для СДУ. Микросхема позволяет передать 10 различных команд с возможностью расширения до 18 команд. Напряжение питания может меняться в диапазоне 2,2-5,5 вольта. Потребляемый ток в режиме покоя (ни одна кнопка не нажата) - 10 мкА. Частота передачи - 38кГц.

Пробежимся по выводам:
1 Земля
2,3 Выводы встроенного генератора.
4-9 Выводы для подключения кнопок.
10-12 Выводы для подключения кнопок.
13 Задание идентификационного кода передатчик-приемник.
14 Не используется.
15 Выход передатчика.

При нажатии на кнопку микросхема формирует соответствующую кодовую посылку длинной 12 бит, встроенный генератор выдает несущую на частоте 38 кГц, и весь этот винегрет подается на выход.

Далее - две микросхемы сразу - TC9149P и TC9150P - приемники-дешифраторы СДУ.

TC9149P TC9150P

Ну понятно, что если есть передатчик, который к тому же что то шифрует, то где то должен стоять приемник, который может это что то расшифровать. Эти микросхемы как раз и занимаются тем, что расшифровывают кодовые посылки передатчика и в соответствии с посланием включают/выключают свои выходы. Отличаются эти двое только одним - количеством выходом. У TC9149P их 10, соответственно для 10 команд, а у TC9150P их 18 - для 18 команд.

Теперь давайте немножко про сами команды.
На рисунке видно, что выводы, помеченные как Выходы, имеют почему-то разную маркировку. А дело тут вот в чем. Все команды передаваемые передатчиком разделяются на три группы: короткие, продолжительные и циклические. К каждой группе жестко привязаны кнопки передатчика и его входы, а так же выходы приемника. При выполнении коротких команд задействуются выводы дешифратора, помеченные как SP (Short Pulse) и выполняются они следующим образом:

Short Pulse

При нажатии на кнопку передатчика, формируются две одинаковые кодовые посылки длинной 12 бит. Дешифратор принимает эти посылки, вычисляет контрольную сумму и если все хорошо, выдает стробирующий импульс, по приходу которого на соответствующем выходе появляется логическая единица. Высокий уровень на выходе остается в течении примерно 107 мсек. после чего выход снова устанавливается в исходное состояние - логического нуля. Причем, это не зависит от того - отпущена ли кнопка на передатчике или нет. Для повторного выполнения команды нужно снова нажать кнопку на передатчике.
Такие команды могут использоваться например для включения-выключения питания аппаратуры, режима MUTE или ST-BY.

При выполнении продолжительных команд задействуются выходы дешифратора, обозначенные HP (Hold Pulse) и работают так:

Hold Pulse

После нажатия на кнопку передатчика, он начинает выдавать последовательности из парных 12-битных импульсов. После обработки дешифратором первой пары и выдачи стробирующего импульса выход переводится в состояние высокого уровня и такое состояние продолжается до тех пор, пока нажата кнопка передатчика. После того, как на кнопку перестают оказывать давление, состояние высокого уровня продолжает оставаться на выходе еще приблизительно 160 мс, после чего выход переходит в исходное состояние - логического нуля.
Команды подобного типа могут использоваться при регулировке громкости, тембра или еще чего-то подобного.

Есть еще третий вариант - циклические команды - CP (Cyclic Pulse). Они доступны только в случае применения в качестве дешифратора микросхемы TC9150P. Суть их заключается в том, что состояние выхода меняется на противоположное при каждом нажатии кнопки передатчика. Один раз нажал - выход включился, второй раз - выключился.

Теперь посмотрим, чем занимается вывод CODE на микросхеме передатчика и наконец то перейдем к слайдам. В смысле, к конкретным схемам включения. Потерпите - чуток осталось.
В жизни может случится всякое, в том числе и то, что вам понадобится два или три передатчика для управления двумя или тремя устройствами.

А как такое провернуть, если у нас передатчик и приемник совершенно одинаковы? Для такого случая умные головы из вышеназванной конторы придумали добавлять в кодовую посылку передатчика так называемый идентификационный код, чтобы приемник мог понять - обрабатывать ему пришедший сигнал или ну его нафик - сигнал пришел с чужого передатчика. Для этого в передатчике предусмотрен вывод CODE, а в дешифраторах выводы C(х).
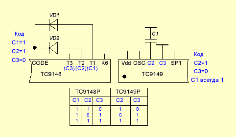
Посмотрим как это работает. Сначала возьмем пару TC9148-TC9149.

Итак, в передатчике код формируется с помощью диодов, включенных между выводом CODE и выводами T1-T3. В дешифраторе аналогичный код задается подключением конденсатора между общим проводом и выводами C2 и С3. В таблице указаны варианты кода. При этом надо учесть, что в TC9149 код C1 всегда равен 1, а C2 и C3 задаются вышеописанным способом.

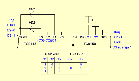
Теперь возьмемся за TC9150.
Тут совершенно аналогичная ситуация, за исключением того, что уже С3 задан постоянно и равен 1, а устанавливаются С1 и С2.

Таким образом, мы можем использовать три передатчика и три приемника в одном и том же помещении, просто установив на них разные коды идентификации. Кстати, стоит отметить, что код 00 запрещен производителем и использоваться не может.

Фу! Выдохнули. Перекурили. Если вы до сих пор ни черта не поняли - не переживайте - сейчас на примерах все станет ясно (наверное). Начнем с передатчика.

Передатчик

Как уже говорилось выше - внешних компонентов - минимум. Выбран 10-ти кнопочный вариант - рисовать меньше.
Раз вариант 10-ти кнопочный, значит команд - 10 и значит наш дешифратор на сегодня - TC9149P.

По данной схеме приемник у нас выполняет всего две команды - включение-выключение питания и включение-выключение режима MUTE. И то и другое реализовано при помощи коротких команд.
Кстати, вот еще что - забыли про соответствие кнопок передатчика и выходов приемника.
Сейчас поправим - смотрим табличку:

Таблица

Как видим, циклических команд тут нет - для этого нужно использовать другой дешифратор - TC9150P. Ну а под него можно еще и восемью кнопочками на передатчике разжиться. Вот только что вы со всем этим будете делать - понятия не имею.

Так что делитесь своими мыслями по этому поводу и не забывайте задавать вопросы.

Источник: www.radiokot.ru


Добавил:  Павел (Admin)  
Автор:   

Вас может заинтересовать:

  1. Автоматическая защита сетевой радиоаппаратуры
  2. Термометр для газового водонагревателя
  3. Мегашокер. Электрошокер повышенной эффективности
  4. Универсальный прибор-индикатор (конструкция 2)
  5. Автоматический выключатель освещения


    © PavKo, 2007-2018   Обратная связь   Ссылки views: 1523 -- users: 1499 -- web3   Яндекс.Метрика