Портал для радиолюбителей
   Наш ответ "ОНГАКУ"!
    Главная -> Статьи -> Ламповые усилители низкой частоты -> Наш ответ "ОНГАКУ"!


<< Назад в раздел   Распечатать Дата добавления: 2008-03-22 | Просмотров: 19314

Усилитель ГМ70, ГМ-70
 
Понятное дело, что все, кто видел ГМ70, "королеву триодов", ну просто не могут спокойно жить, не сделав на ней усилитель.

Ну и я, ваш покорный слуга, не стал исключением.
С лёгкой руки своего товарища Эдуарда Ибрагимова (помните его обширное письмо в "Вестник АРА"?) я подсел на эти симпатичные большие лампы.

Сначала я просто собрал выходной каскад на этой лампе. Анодное напряжение - 800 вольт, в катоде резистор 715 ом, 20 вт, зашунтированный конденсатором 100 мкф на 160 вольт. Транс в аноде - килоом на пять хотя бы. Сигнал подаём с преда на вход ГМ70 и слушаем: насколько сильно нас мучает фон. С моими АС фон невыпрямленного накала был жуткий, но, вы не поверите, у моего товарища с B&W604 он был практически не слышен. Чудеса!

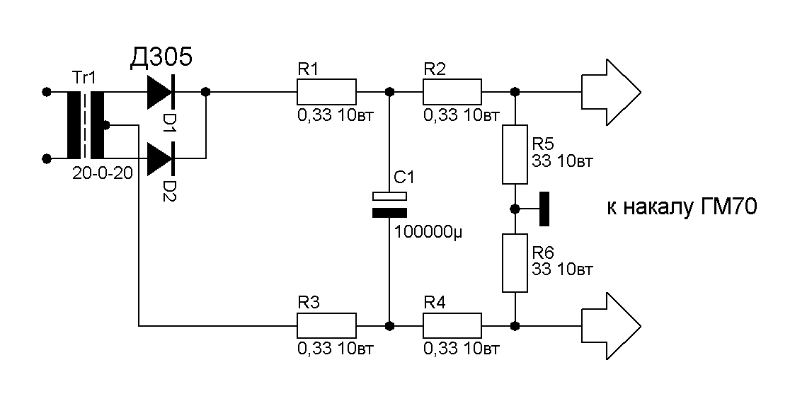
Если фон большой, выпрямляем его. Мощный диодный мост на Д305, конденсатор на 100000 мкф х 35 вольт не окажутся излишними в борьбе с фоном. Я применил такой большой конденсатор, чтобы не ставить дроссель в цепь накала. Чем меньше деталей, тем лучше!
Да! Не забудьте включить последовательно с накалом гасящие пятиваттные (а лучше десятиваттные) резисторы по 0,33 ома , они будут принимать на себя бросок тока при включении, спасая накал ГМ70.
Необходимо будет менять полярность подключения выводов накала к полюсам выпрямителя хотя бы раз в два месяца, чтобы постоянка не "намагничивала" нити накала.

Когда фон побеждён, надо думать о схеме.
Самое простое, что я придумал - SRPP на 6Н30П, питающийся от четырёхсотвольтового источника анодного напряжения. И отрицательное смещение на сетку ГМ70. Уже получилось неплохо. Но входное напряжение в этом случае должно быть не менее шести вольт. Такой вариант подходит не всем.

Если не использовать межкаскадный транс, мы неизбежно приходим к схеме "Онгаку": SRPP на входе , каскад с непосредственной связью , далее - единственный проходной конденсатор , затем - катодный повторитель и выходная лампа.

Перепробовав много вариантов по звуку, я закруглился на том, что вы видите на схеме.
Первый каскад усиления на 6С3П, потом - половинка 6Н6П, конденсатор приличного качества и катодный повторитель на второй половинке.

Подводных камней в таком построении нет, сложность (кажущаяся) состоит в обилии питающих напряжений.
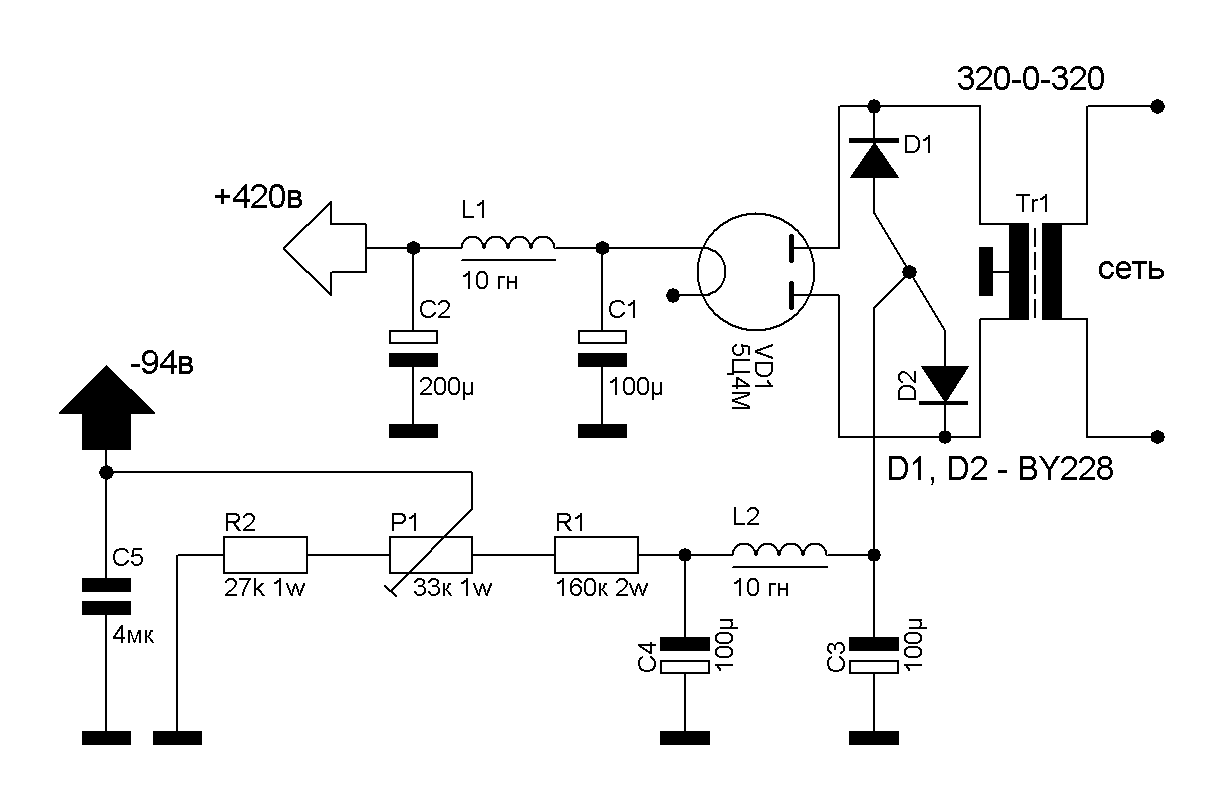
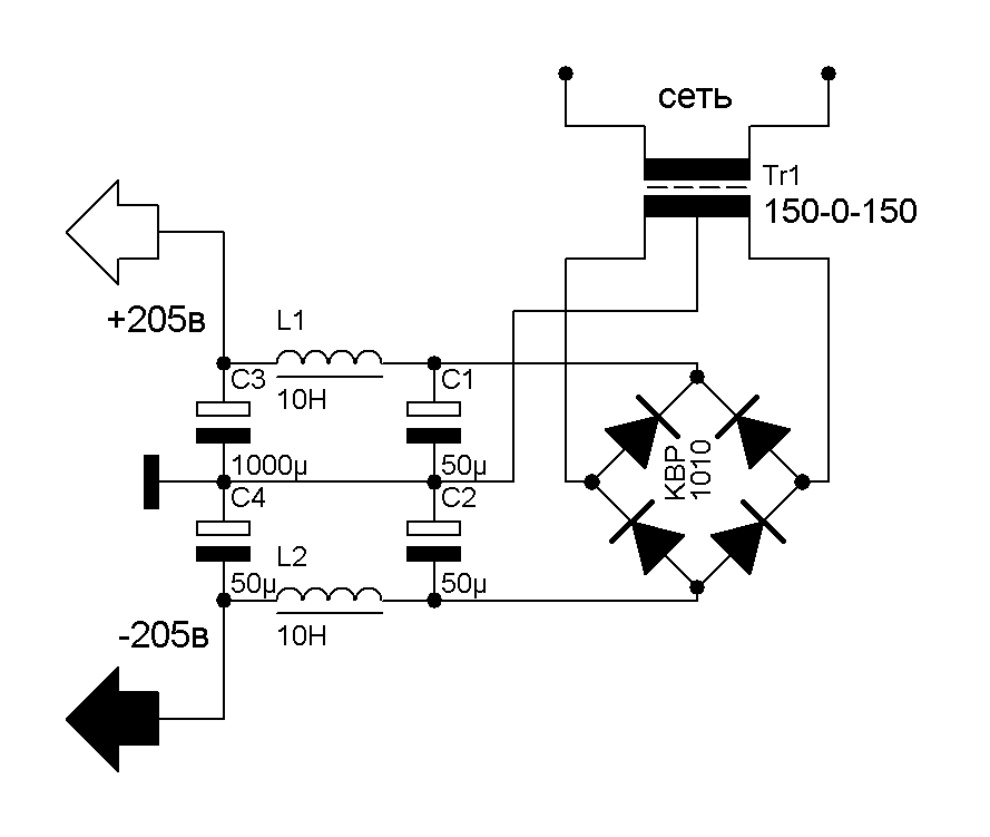
На самом деле и это не проблема. Первые два каскада вместе с источником отрицательного смещения питаются от стандартного ТАН-8, катодный повторитель - от ТАН-44, для выходной лампы придётся, правда, намотать силовик с 720-вольтовой обмоткой на железе от, скажем, ТС-250-2М. На каждый канал - свой силовой транс. Или один общий на оба канала на ОСМ-0,4.
Накальники на ГМ70 также отдельные на двухкатушечных ТС-80 (железо ПЛ22 х 32), с полностью симметричной обмоткой 2 х 22 вольта со средней точкой.

Вот, собственно, и все силовики.

Анодные дроссели я мотал на ОСМ-0,1. Что-то около 2000 витков проводом 0,355 мм диаметром.

Заметьте, что в выпрямителе +420 вольт для первых каскадов обязательно должен стоять косвеннонакальный кенотрон или маломощные демпферные диоды ( 6Ц10П, 6Ц19П ), обеспечивающие задержку подачи анодного для схемы с непосредственной связью.

Отдельно скажу о построении высоковольтного выпрямителя. Схема подсмотрена у А.Пугачевского. 720-вольтовая обмотка идёт на мост на мощных диодах Д112-25-14, затем небольшой ( 10 микрофарад на 1000 вольт ) конденсатор хорошего качества, например, МБГП , а далее могучий демпферный диод 6Д22С, который подаст вам анодное напряжение на выходную лампу лишь спустя 30-40 секунд после включения. За это время все накалы уже прогреются и режимы устаканятся автоматически.

После 6Д22С - стандартный П-фильтр из МБГВ (можно и К75-40) 60 мк х 1000 в, вышеописанного дросселя и МБГВ 100 мк х 1000 в.

Теперь можно сказать и о применённых деталях.

МБГВ в питании лучше не менять ни на что. В крайнем случае первый из конденсаторов П-фильтра можно заменить на серию К75.

Проходной конденсатор - КБГ-МН, шунтированный серебром.

Конденсаторы С1 и С2, шунтирующие катоды входных ламп, желательно Блэк Гейты.
С2 может быть и бумажным, типа МБГП.

На входе Г-образный регулятор громкости с Альпсовским Блэк Бьюти за 50 баксов, сигнал идёт мимо Альпса, практически не окрашиваясь слащавым звуком оного.

Все резисторы - ПТМН, ВС, УЛИ, БЛП. Короче, лучшее, что у вас имеется.

Электролиты - Хитачи, серий HU3 и HU4.

Диоды Д112 можно заменить импортными BY228, но они мне по звуку как-то не понравились.

Выходной трансформатор вы можете намотать по рекомендациям из уже известной вам моей статьи про выходники. Трансы под номерами 13, 15, 19 вполне подойдут.

При монтаже помните о технике безопасности! Киловольт в аноде - это совсем не то же самое, что триста вольт, потребные для обычных ламп. В грозу у окна шьёт по воздуху! Другое дело, что усилителю нечего делать у окна в грозу…

Ну вот очень сжатый рассказ про этот усилитель. Думаю, имея некоторый опыт усилителестроения, вам не трудно будет его изготовить.

…А чем же закончилась моя эпопея с ГМ70?

Спешу успокоить! Она не закончилась, она полным ходом идёт.
На этот момент я не придумал ничего лучшего, как загнать ГМ70 в очень высоковольтный режим (1400 в) и раскачивать её одной (но очень хорошей) лампой через межкаскадный трансформатор.
И ещё: никаких Чёрных Врат, сплошные батарейки в сеточной цепи! И огромные-преогромные трансформаторы!..

Работа в этом направлении ведётся. И, как всегда, чем дальше в лес, тем больше дроф… и попугаев, и корофф!

Тьфу! Не корофф, а королефф! Королефф Триодофф!

Да здравствует Королева Триодов - Великая лампа ГМ70 с её бесконечным и нераскрываемым потенциалом.

Так что: продолжение, видимо, следует!

Дерзайте!
 


Добавил:  Павел (Admin)  
Автор:  Алексей Шалин 

Вас может заинтересовать:

  1. RCA 6082 с бестрансформаторным выходом
  2. Однотактный усилитель на 6С4С
  3. Однотактный ламповый усилитель на триодах
  4. Вариант усилителя для высококачественного воспроизведения
  5. Виниловый корректор начального уровня


    © PavKo, 2007-2018   Обратная связь   Ссылки views: 5412 -- users: 3758 -- web3   Яндекс.Метрика