Портал для радиолюбителей
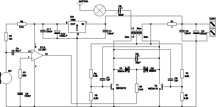
   Передатчик мощностью 2 Ватта
    Главная -> Статьи -> Шпионские штучки -> Передатчик мощностью 2 Ватта


<< Назад в раздел   Распечатать Дата добавления: 2010-08-17 | Просмотров: 8710

Подробное описание на буржуйском языке в pdf формате (тот же самый pdf, только запакован Zip).



Добавил:  Павел (Admin)  
Автор:  Неизвестно 

Вас может заинтересовать:

  1. Кварцованный ЧМ передатчик
  2. Радиомикрофон УКВ FM/ ЧМ-диапазона (на туннельном диоде)
  3. Три схемы простейших жучков на 66-74 МГц
  4. Переговорное устройство по сети 220 В
  5. Цифровой радиомикрофон с приемником


    © PavKo, 2007-2018   Обратная связь   Ссылки views: 3745 -- users: 3729 -- web3   Яндекс.Метрика