Портал для радиолюбителей
   Охранная сигнализация для фермера
    Главная -> Статьи -> Охранные устройства -> Охранная сигнализация для фермера

Кантователь для сварки кузова ing-tech.ru.

<< Назад в раздел   Распечатать Дата добавления: 2007-10-27 | Просмотров: 8674

Когда я столкнулся с необходимостью изготовления такого устройства, то, изучив целую стопку литературы, пришел к выводу, что ни одна из ранее опубликованных схем для этих целей полностью не подходит. Поэтому и пришлось заняться изготовлением собственной системы, которая бы обладала простотой, надежностью и при этом обеспечивала охрану по одному охранному шлейфу нескольких удаленных на расстояние до 100 м друг от друга объектов. Это устройство может применяться для охраны дачи или садового участка.

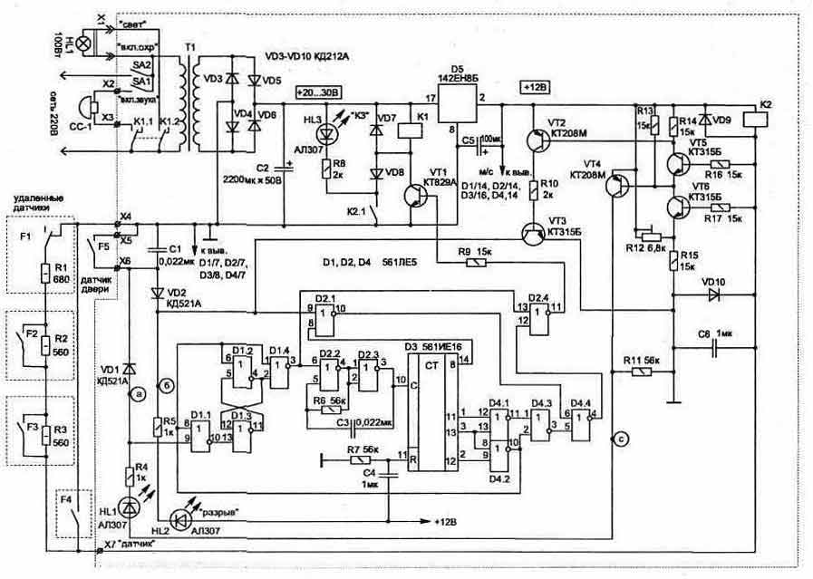
Электрическая схема блока охраны приведена на рис. 3.14. Она обеспечивает индикацию места сработавшего датчика — одного из четырех, что повышает удобство при ее установке и использовании. Определить место можно и по характеру звука подключенной сирены или звонка.

Схема чувствительна к любым нарушениям в цепи охранного шлейфа (разрыв или замыкание) и позволяет значительно упростить подключение объектов охраны (см. рис. 3.15).

3-14.jpg

Рис. 3.14. Электрическая схема блока охраны для подключения удаленных датчиков

3-15.jpg

Рис.3.15

Принцип работы блока охраны основан на контроле уровня напряжения при протекании небольшого тока через охранный шлейф (от сработавших датчиков он изменяется).

Схема собрана на легко доступных элементах и состоит из источника сетевого питания на трансформаторе Т1 и диодах VD3...VD6, стабилизатора напряжения на микросхеме D5 (КР142ЕН8Б или 142ЕН8Б), схемы контроля уровня напряжения на охранном шлейфе (VT2...VT6) и формирователя временных интервалов на микросхемах D1...D4.

Схема формирователя временных интервалов по принципу работы аналогична с приведенной на рис. 3.10 и имеет незначительные отличия, связанные с применением реле К1 для включения мощной нагрузки (звонка или сирены, света), а также светодиодной индикацией типа сработавшего датчика.

При включении блока охраны (включателем SA1) схема обеспечивает задержку установки режима ОХРАНА на 12 секунд для того, чтобы хозяин успел покинуть помещение.

При входе в дом сработает датчик F5, и в течение 6 секунд необходимо успеть отключить сигнализацию до момента появления звукового оповещения.

Вся схема в режиме ОХРАНА потребляет по цепи +25 В ток не более 10 мА, и при безошибочной сборке настройка ее заключается в установке резистором R12 (многооборотный, типа СП5-2) лог. "1" на коллекторе VT4, а при срабатывании датчиков F2 или F3 должен появиться лог. "О".

Реле К2 должно срабатывать только при коротком замыкании охранного шлейфа (сработал датчик F4).

Таблица 3.1

Состояние охранного шлейфа

сработавший датчик

Свечение свето- диодов в блоке охраны

Контрольные точки схемы

Выходной сигнал на включение реле К1

HL1

HL2

HL3

а

b

с

режим "ОХРАНА"

-

нет

нет

нет

1

1

1

нет

разрыв шлейфа

F1

есть

есть

нет

1

0

1

прерыв. вкл. реле чередуется с непрер.

замыкание датчика

F2 или F3

нет

нет

нет

0

1

0

продолжительное вкл. чередуется с паузами

замыкание датчика

F5

есть

нет

нет

0

1

1

продолжительное вкл. чередуется с паузами

замыкание шлейфа

F4

нет

нет

есть

0

0

0

непрерывное включение

 

Для удобства настройки схемы приведена таблица 3.1, которая позволяет понять логику работы схемы и индикации сработавшего датчика.

При изготовлении схемы применены конденсаторы С1, СЗ, С4, С6 типа К10-17а; С2, С5 — К50-35А на 50 В. Вместо транзисторов VT3, VT5, VT6 можно использовать транзисторную матрицу 1НТ251. Реле К1 типа РЭН34 ХП4.500.000-01; К2 — РЭС55А РС4.569.602 (или РС4.569.607) или РЭС55Б РС4.569.627 (РС4.569.632) на рабочее напряжение 12 В.

Трансформатор Т1 можно использовать любой с напряжением во вторичной обмотке 18...25 В. Такое напряжение есть во многих трансформаторах от бытовой радиоаппаратуры. Так, например, подойдут многие из унифицированных трансформаторов типа: ТПП221...ТПП226, ТПП231...ТПП236, ТПП245...ТПП248, ТПП251...ТПП262 и другие. Они имеют много вторичных обмоток с разными напряжениями, и последовательное их включение позволит получить нужное.

В качестве датчиков F1...F5 лучше использовать герконовые контакты совместно с магнитами, так как они герметичны и не боятся атмосферных воздействий.

Применение включателя SA2 не является обязательным, но его наличие делает удобным (бесшумным) проверку работы блока охраны при эксплуатации.


Добавил:  Павел (Admin)  
Автор:  Неизвестно 

Вас может заинтересовать:

  1. Охранное устройство с управлением ключами-таблетками iBUTTON
  2. Охранная сигнализация для фермера
  3. Передатчик охранной сигнализации
  4. Дверь под электричеством!
  5. Охранное устройство на абонентском громкоговорителе


    © PavKo, 2007-2018   Обратная связь   Ссылки views: 4326 -- users: 4238 -- web3   Яндекс.Метрика