Портал для радиолюбителей
   Детектор скрытой проводки
    Главная -> Статьи -> Бытовая электроника -> Детектор скрытой проводки


<< Назад в раздел   Распечатать Дата добавления: 2007-11-20 | Просмотров: 10205

Одним из самых простых устройств является детектор скрытой проводки, представленный на рис. 1. Резистор R 1 нужен для защиты микросхемы К561ЛА7 от повышенного напряжения статического электричества, но, как показала практика, его можно и не ставить. Антенной является кусок обычного медного провода любой толщины. Главное, чтобы он не прогибался под собственным весом, т.е. был достаточно жестким. Длина антенны определяет чувствительность устройства. Наиболее оптимальной является величина 5...15 см. При приближении антенны к электропроводке детектор издает характерный треск.

puc.1

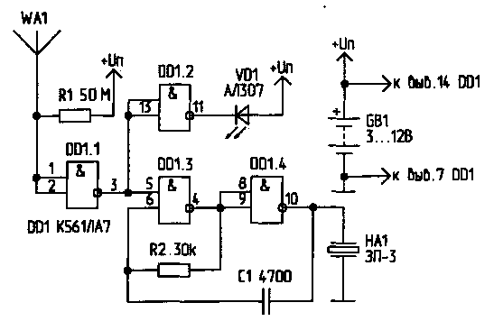
Таким устройством очень удобно определять местоположение перегоревшей лампы в елочной гирлянде - возле нее треск прекращается. Пьезоизлучатель типа ЗП-3 включен по мостовой схеме, что обеспечивает повышенную громкость "треска". На рис.2 изображен более сложный детектор, имеющий, кроме звуковой. еще и световую индикацию. Сопротивление резистора R1 должно быть не менее 50 МОм.

puc.2

В цепи светодиода VD1 токоограничивающего резистора нет. так как микросхема DD1 (К561ЛА7) с этой функцией хорошо справляется сама. Если входные токи элемента D 1.1 позволяют, то убрав резистор R1 из схемы, изображенной на рис.2, мы получим устройство, реагирующее на изменение статического потенциала в окружающем пространстве. Для этого антенну WA1 делают длиной 50...100 см. используя любой провод. Теперь устройство будет реагировать на движение человеческого тела. Положив такое устройство в сумку, получим автономное охранное устройство, выдающее световые и звуковые сигналы, если с сумкой или около нее происходят какие-либо манипуляции.



Добавил:  Павел (Admin)  
Автор:  Неизвестно 

Вас может заинтересовать:

  1. Шагомер на микроконтроллере ATtiny2313
  2. Питание лампы дневного света постоянным током
  3. Звуковой переключатель
  4. Простые терморегуляторы
  5. Сварочный полуавтомат в углекислотной газовой среде с автоматической подачей сварочной проволоки


    © PavKo, 2007-2018   Обратная связь   Ссылки views: 1548 -- users: 1532 -- web3   Яндекс.Метрика