Портал для радиолюбителей
   Схема простого робота
    Главная -> Статьи -> Аппаратура радиоуправления моделями -> Схема простого робота


<< Назад в раздел   Распечатать Дата добавления: 2007-10-20 | Просмотров: 13153

В этой статье представлена схема простого "робота". Он ездит на свет, а если нет источника света, тогда включается режим "Свободный поиск" т.е. робот будет ездить, а при столкновении отъезжать и разворачиваться.

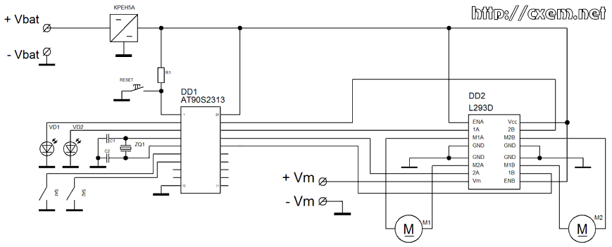
Принципиальная схема робота

Сердцем робота является микроконтроллер фирмы ATMEL: AT90S2313, но можно и любой другой этой фирмы, у этого микроконтроллера 2кб памяти для программы, 15 портов ввода/вывода , доступное питание - 4-6В. Двигателями будет управлять "драйвер двигателя" - микросхема L293D (отечественный аналог - КР1128КТ4А). В качестве датчика было решено взять фоторезисторы СФ3-1.
Робот состоит из двух моторов. Вот как они будут работать при определенных действиях:

  Ходовой двигатель Двигатель поворота
вперед (F) вперед стоп
вперед-вправо (FR) вперед вперед
вперед-влево (FL) вперед назад
назад (B) назад стоп
назад-вправо (BR) назад вперед
назад-влево (BL) назад назад
назад-влево (BL) стоп стоп

Используемые радиоэлементы в схеме:
Микроконтроллер AT90S2313
Микросхема L293D (отечественный аналог - КР1128КТ4А)
2 фоторезистор СФ3-1
Кварц на 4мгц
Конденсаторы 22-24 пФ
Стабилизатор 7805 (или КРЕН5А)
Резистор 100 Ом (Опционально)
Два мотора
Питание Vbat - 4батарейки пальчиковые, или 1 крона (9В)
Питание Vm - 1крона (9В)

После сборки схемы, необходимо загрузить программу в микроконтроллер и робот готов:

/*****************************************************
Chip type : AT90S2313
Clock frequency : 4,000000 MHz
Memory model : Tiny
External SRAM size : 0
Data Stack size : 32
*****************************************************/

#include <90s2313.h>

#include <stdlib.h>
#include <delay.h>

// назначение определений для удобства работы с периферией
#define OUT PORTB
#define MOTOR_F 7
#define MOTOR_B 6
#define TURN_R 5
#define TURN_L 4

#define IN PIND
#define LIGHT_R 0
#define LIGHT_L 1
#define BUMPER_F 2
#define BUMPER_B 3

// Возможные режимы движения
enum {STOP, F, FR, FL, B, BR, BL};

//------------------------------------------------------------------------------
// Задержка t х 10ms
//------------------------------------------------------------------------------
void Delay_10ms(unsigned char t)
{char i;
for(i=0;i<t;i++) delay_ms(10);
}

// таблица вероятностей для выбора направления движения
// исходя из текущего направления движения
unsigned char p[7][7] =
{14, 43, 57, 71, 86, 93, 100,
7, 43, 71, 100, 100, 100, 100,
7, 50, 93, 100, 100, 100, 100,
7, 50, 57, 100, 100, 100, 100,
29, 29, 29, 29, 57, 79, 100,
36, 36, 36, 36, 71, 93, 100,
36, 36, 36, 36, 71, 79, 100};

// текущее направление движения
unsigned char this_move;

//------------------------------------------------------------------------------
// Включение комбинации моторов для движения в заданном направлении
//------------------------------------------------------------------------------
void go(unsigned char direction){

switch (direction) {
case STOP:
OUT.MOTOR_F=0;
OUT.MOTOR_B=0;
OUT.TURN_R=0;
OUT.TURN_L=0;
break;

case F:
OUT.MOTOR_F=1;
OUT.MOTOR_B=0;
OUT.TURN_R=0;
OUT.TURN_L=0;
break;

case FR:
OUT.MOTOR_F=1;
OUT.MOTOR_B=0;
OUT.TURN_R=1;
OUT.TURN_L=0;
break;

case FL:
OUT.MOTOR_F=1;
OUT.MOTOR_B=0;
OUT.TURN_R=0;
OUT.TURN_L=1;
break;

case B:
OUT.MOTOR_F=0;
OUT.MOTOR_B=1;
OUT.TURN_R=0;
OUT.TURN_L=0;
break;

case BR:
OUT.MOTOR_F=0;
OUT.MOTOR_B=1;
OUT.TURN_R=1;
OUT.TURN_L=0;
break;

case BL:
OUT.MOTOR_F=0;
OUT.MOTOR_B=1;
OUT.TURN_R=0;
OUT.TURN_L=1;
break;
}
}

//------------------------------------------------------------------------------
// Выбор направления движения в следующем шаге по таблице вероятностей
//------------------------------------------------------------------------------
unsigned char next_move(void){
unsigned char pp, i;

pp = rand()/327; // получаем случайное число 0..99
for (i=0;i<7;i++){ // ищем соответствие в таблице вероятностей
if (p[this_move] > pp) break;
}
this_move = i; // записываем новое полученное направление как текущее
return(i);
}

//------------------------------------------------------------------------------
// Обработка прерывания от переднего бампера (INT0 = PD2)
//------------------------------------------------------------------------------
interrupt [EXT_INT0] void ext_int0_isr(void)
{
if(this_move==FR) go(BL);
if(this_move==FL) go(BR);
else go(B);
Delay_10ms(250); // отъезд в течение 2.5 х 2 сек
Delay_10ms(250);
this_move=B;
}

//------------------------------------------------------------------------------
// Обработка прерывания от заднего бампера (INT1 = PD3)
//------------------------------------------------------------------------------
interrupt [EXT_INT1] void ext_int1_isr(void)
{
if(this_move==BR) go(FL);
if(this_move==BL) go(FR);
else go(F);
Delay_10ms(250); // отъезд в течение 2.5 х 2 сек
Delay_10ms(250);
this_move=F;
}

//------------------------------------------------------------------------------
// "Случайное блуждание"
//------------------------------------------------------------------------------
unsigned char walk(void){
// этот цикл организует "свободное блуждание" пока
// нет сигнала ни от одного из датчиков освещенности
while((IN.LIGHT_R) && (IN.LIGHT_L)){
go(next_move()); // получаем следующее направление движения и
Delay_10ms(250); // движемся в этом направлении 2.5 сек
}
// этот цикл организует движение на свет, пока
// есть сигнал хотя бы от одного из датчиков освещенности
while((IN.LIGHT_R==0) || (IN.LIGHT_L==0)){
if((IN.LIGHT_R==0) && (IN.LIGHT_L==0)) go(F);
else if(IN.LIGHT_R==0) go(FR);
else if(IN.LIGHT_L==0) go(FL);
}

return(0);
}

//------------------------------------------------------------------------------
// Главная программа
//------------------------------------------------------------------------------
void main(void)
{
DDRB = 0xff; // назначаем все линии порта B на выход
PORTB = 0x00; // и устанавливаем на них низкий уровень

DDRD = 0x00; // назначаем все линии порта D на вход
PORTD = 0xff; // подключаем внутренние нагрузочные резисторы

// External Interrupt(s) initialization
// INT0: On
// INT0 Mode: Falling Edge
// INT1: On
// INT1 Mode: Falling Edge
GIMSK=0xC0;
MCUCR=0x0A;
GIFR=0xC0;

// разрешаем прерывания
#asm("sei")

// запускаем главный цикл
while(1) walk();

}

Скачать программу, файл прошивки и схему робота в формате sPlan .


Добавил:  Павел (Admin)  
Автор:   

Вас может заинтересовать:

  1. Командо-аппарат для "Сигнала-1"
  2. Дискретно-пропорциональное управление
  3. Аппаратура радиоуправления моделями и игрушками
  4. Устройство радиоуправления (радиоключ) на 3 команды
  5. Система радиоуправления игрушками


    © PavKo, 2007-2018   Обратная связь   Ссылки views: 4788 -- users: 4350 -- web3   Яндекс.Метрика